Выбор напряжения питания осветительных установок
Выбор напряжения для осветительных установок производится одновременно с выбором напряжения для силовых потребителей, при этом учитываются также требования техники безопасности и экономичности.
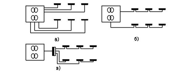
Электрическая сеть осветительных установок состоит из питающих и групповых линий. Питающие линии могут выполняться по радиальным, магистральным, а также радиально-магистральным схемам (рисунок 4).

а) радиальная
б) магистральная
в) радиально-магистральная
Рисунок 4 Разновидности схем питающих осветительных сетей
Радиальные питающие линии применяются при нагрузках на групповые щитки более 200 А. Наиболее распространенными являются смешанные радиально-магистральные сети.
Выбор схемы питающих и групповых сетей должен определяться:
а) требованиями к бесперебойности действия осветительной установки;
б) технико-экономическими показателями (минимальными приведенными показателями, расходом цветных материалов и электроэнергии);
в) удобством управления и простотой эксплуатации осветительной установки.
Характерные схемы питания рабочего и аварийного освещения приведены в /7, 8, 9/.






