Виды естественнонаучного моделирования
применительно к естественным и техническим наукам принято различать следующие виды моделирования:
· концептуальное,
· математическое,
· имитационное.
Совокупность уже известных фактов или представлений относительно исследуемого объекта или системы истолковывается с помощью некоторых специальных знаков, символов, операций над ними или с помощью естественного или искусственного языков.
При построении концептуальной модели используются предметные знания в виде набора понятий и связывающих их отношений. Каждое понятие имеет имя и может иметь атрибуты, каждый атрибут может иметь значение с учетом специфики предметной области.
Термин концептуальный анализ используется в смысле исследования содержания (семантики) информации о реальном мире. В результате анализа формируются концепты. Концепт есть результат умственной деятельности человека, отражающий некоторый конкретный или абстрактный объект реального мира
|
|
|
Разновидность концептуального моделирования, при котором моделями являются схемы (блок-схемы), графики, чертежи, диаграммы, таблицы, рисунки, дополненные специальными правилами их объединения и преобразования
SADT (Structured Analyses and Design Technique – методика структурного анализа и проектирования),
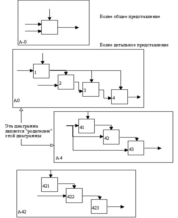
Центральная идея SADT ‑ SA-блок - функциональный блок, характеризующийся наличием входа, выхода, механизма и управления.

Другим фундаментальным понятием SADT является принцип иерархической декомпозиции сверху вниз, позволяющий анализировать сколь угодно сложные системы. Вообще, декомпозиция составляет один из основных принципов системного анализа, на котором базируются механизмы человеческого познания.

Позднее, чем SADT появился другой метод структурно-функционального анализа и моделирования сложных систем, основанный на DFD (Data Flow Diagrams – диаграммы потоков данных). Как любой метод структурного анализа он базируется на принципе декомпозиции. В качестве основных элементов для построения диаграмм используются понятия процесс, поток данных, хранилище, внешняя сущность.
Существуют различные программные системы структурно-функционального анализа на основе SADT и DFD.