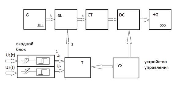
Структурная схема измерителя временных интервалов

Триггер – устройство с двумя устойчивыми состояниями на выходе
В этой схеме нет устройства умножения!
Период счетных импульсов выбирается кратным десяти: 

3 источника погрешности
1) Погрешность преобразования (запуска)

Внутренние шумы

2) Погрешность меры
Мера – генератор счетных импульсов, период которых может меняться

3) Погрешность дискретности


Где абсолютная погрешность дискретности (метода дискретного счета):

Погрешность меры и дискретности
- случайная величина, распределенная по равномерному закону

Из курса теории вероятности известно, что закон распределения алгебраической суммы представляет собой свертку двух плотностей вероятностей


Нас интересует 

Введем
отсюда 
=








Замечание. Если изменяется период гармонического напряжения, то появляется еще погрешность преобразования 






