Выделяют транзисторы с индуцированным каналом и со встроенным каналом. Рассмотрим полевые транзисторы с индуцированным каналом.




-------------------

Принцип работы:
Если на затвор не подано напряжение, то один из p-n переходов оказывается закрытым. Ток между крайними электродами не течет.
При подаче на затвор положительного напряжения и постепенном его увеличении, это напряжение отталкивает дырки в глубь вещества и притягивает в приповерхностную область электроны.
Постепенно вдоль поверхности диэлектрика образуется тонкий n-слой, который называется инверсным. Начиная с того момента, когда инверсный слой становится сплошным, между крайними электродами начинает течь ток. По мере увеличения напряжения затвора ток увеличивается.
ВАХ












.
Особенности характеристик:
По управляющему сигналу имеется некоторая не чувствительная область характеристики – «пятка». В области насыщения (область Б) характеристики идут круче. Имеется достаточно большая область А, где наблюдаются триодные характеристики, т.е. сильная зависимость от
и от
.
|
|
|
Полевые транзисторы со встроенным каналом.
Приповерхностная область n (область вблизи диэлектрика) введена заранее. Это делают для ликвидации «пятки».




Канал может быть и p-типа, но по сравнению с электронами дырки менее подвижны, поэтому высокочастотные свойства МДП-транзисторов с p-каналом хуже. Входное сопротивление таких транзисторов по сравнению с транзисторами с p-n затвором на порядок выше (
). К достоинствам можно отнести возможность усиления маломощных сигналов. К недостаткам – большую чувствительность к помехам и наводкам.
Тиристоры.

К.У. – катодное управление
А.У. – анодное управление
p
n А.У.

p
n


При такой ориентации напряжения центральный p-n переход оказывается закрытым. Но если временно подать управляющее напряжение, открывающее центральный переход (положительное на катодное управление или отрицательное на анодное управление), то центральный переход открывается.
Развивается лавинообразный процесс, открывающий весь тиристор. После этого он остается открытым независимо от напряжения на управляющем электроде. Управляющим напряжением можно только открыть тиристор, закрыть тиристор им нельзя.






Данный тиристор можно представить в виде двух транзисторов, соединенных следующим образом:









Это соединение можно представить в виде следующей схемы:



- напряжение питания
и
- первый и второй транзистор
соответственно




В первый момент времени закрыты оба транзистора. Чтобы открыть транзисторы, на катодное управление подаем небольшое положительное напряжение. Первый транзистор начинает приоткрываться, отрицательное напряжение через его эмиттер и коллектор начинает поступать на базу второго транзистора.
|
|
|
Поскольку второй транзистор является транзистором p-n-p типа, то отрицательное напряжение на базе для него является открывающим. Он тоже начинает приоткрываться. В результате положительное напряжение с анода через второй транзистор поступает на базу первого транзистора. Первый транзистор открывается еще больше и т.д. В результате развивается лавинообразный процесс, открывающий оба транзистора. Закрыть их можно, сняв напряжение питания.
ВАХ тиристора.






------------------------
Два основных типа ИМС:
Полупроводниковые
Локальная обработка участков полупроводниковой подложки с целью придания им свойств отдельных радиоэлементов. Все элементы и межэлементные соединения выполняются в приповерхностном объеме подложки.
Пленочные
2. Метод основан на послойном нанесении тонких пленок на основание (подложку), которая не выполняет фунакций по обработке сигналов, но является чисто пассивной.
Основной недостаток первого типа: трудность выдержать требуемые параметры.
Основной недостаток второго типа: невозможность создания активных элементов в виде пленок.
Перспективным является метод функциональной электроники. Он заключается в создании приборов реализующих функции сложных электронных схем не за счет соединения элементов, а за счет использования физических явлений в веществе.
Совершенствуются ИМС по направлениям:
1. Прогресс электронного материаловедения
2. Развитие технологического и контрольного оборудования
3. Овладевание новыми технологиями
4. Переход к электродинамическому подходу в проектировании микросхем.
Интегральная микросхема – микроэлектронное изделие, выполняющее определенные функции по преобразованию и обработки сигналов, имеющее высокую плотность упаковки элементов и компонентов, которые с точки зрения требований к испытаниям, приемке и эксплуатации рассматриваются как единое целое.
Элемент – часть ИМС, реализующая функцию какого либо простого радиоэлемента, и неотделимая от кристалла ИМС.
Компонент ИМС можно отделить от ИМС, перед созданием ИМС он был самостоятельным комплектующим изделием.
Технологии:
Самой распространенной является планарная технология, но она ограничивает микроминиатюризацию.
Особенности:
1.Диффузионные процессы нанесения вещества достаточно длительны, причем в течении этого времени приходится поддерживать высокую температуру (
) с точностью до долей градуса в течении многих часов.
2. Большее число разнотипных технологических операций и трудность промежуточного контроля.
3. Необходимость многократного совмещения различных масок и шаблонов с большей точностью.
4. Явление дифракции света ограничивает предельные размеры элементов, то есть ограничивается применение оптики.
Основные классы физико-химических процессов при изготовлении ИМС:
Процессы нанесения вещества в виде слоев и пленок на поверхность твердой подложки.
Процессы удаления вещества
Перераспределение атомов примесей в объеме подложки.
Металлические пленки как конструктивный элемент ИМС.
В микроэлектронике с помощью металличесаких пленок выполняются следующие элементы:
Токопроводы и электроды
Пленочные резисторы
Вспомогательные элементы
Металлы должны удовлетворять следующим требованиям:
Высокая удельная проводимость
Высокая адгезия
ТКЛР близкий к ТКЛР подложки
При нанесении пленки на поверхность, проводимость возникает не сразу, а зависит от некоторых условий. При попадании на подложку атомы сохраняют некоторое время подвижность, поэтому они некоторое время перемещаются по поверхности подложки, в результате образуются микроостровки и электропроводность возникает только тогда, когда микроостровки начинают смыкаться. Такая толщина называется критической. После напыления подложку прогреваются, чтобы снять остаточное напряжение.
|
|
|
Диэлектрические пленки
Используют в качестве изоляционных слоев и защитных покрытий.
Основные изоляционные материалы:
и другие. Кроме того, используются специальные стекла, кварцевые покрытия и полимеры.
Методы получения
1. Термовакуумное напыление
2. Реактивное ионно-плазменное распыление
3. Распыление в высокочастотном разряде
4. Термическое окисление
5. Анодное окисление металлических пленок наносимых на подложку
6. Химическое осаждение из газообразной фазы
7. Получение из пленок из растворов
Независимо от способа получения все пленки характеризуются следующими параметрами:
· Диэлектрическая проницаемость
· Тангенс угла диэлектрических потерь
· Высота потенциального барьера на границе с металлическими проводниками.
Классификация ИМС и система условных обозначений.
Для классификации ИМС (интегральных микросхем) используются следующие критерии:
- степень интеграции ИМС
- физические принципы работы активных элементов
- выполняемая функция
- быстродействие
- потребляемая мощность
- применяемость в аппаратуре
Наиболее распространена классификация по конструктивно-технологическим признакам. (ИМС с активной подложкой и ИМС с пассивной подложкой).
Для защиты от внешнего воздействия все микросхемы подвергаются герметизации. По типу герметизации микросхемы делятся на:
- корпусные
- бескорпусные
К корпусным относятся микросхемы, кристаллы которых помещаются в корпуса, где находится либо инертный газ, либо вакуум. Сюда же относятся ИМС, кристаллы которых опрессованы в пластмассу. В бескорпусных микросхемах кристаллы покрыты либо лаком, либо специальными смолами.
По функциональному назначению микросхемы делятся на:
- аналоговые
- цифровые
- аналого-цифровые (комбинированные)
По применяемости в аппаратуре:
- специальные (по заказу потребителя)
- коммерческие
|
|
|
Также по применяемости микросхемы можно подразделить следующим образом:
- изготавливаемые массово
- изготавливаемые крупными сериями
- изготавливаемые мелкими сериями
- индивидуального изготовления
Для построения РЭА (радиоэлектронной аппаратуры) микросхемы объединяют в серии, т.е. в функционально полные системы.
Серия ИМС – совокупность микросхем, выполняющих различные функции, имеющих единую конструктивно-технологическую основу и предназначенных для совместного использования в РЭА.
Типономинал – ИМС, имеющая конкретное функциональное назначение и свое условное обозначение.
Тип ИМС – совокупность типономиналов, выполняющих схожие функции.
Состав серии определяется удобством изготовления отдельных микросхем. Внутри одной серии микросхемы удовлетворяют одинаковым требованиям. (Из них можно собирать сложные системы, не задумываясь о совместимости по напряжению питания, согласованибю входных и выходных сопротивлений, и т.д.).
Микросхемы разных серий, как правило, несовместимы.
Классификация микросхем
Классификация (отечественная) состоит избуквенно-цифрового кода:
I. 1-я цифра: 1,5 – полупроводниковые, корпусные.
7 – бескорпусные
2,4,6,8 – гибридные микросхемы
3 – все прочие
II. Две или три цифры: порядковый номер разработки
III. Две буквы: 1-я буква это код группы, вторая буква - пояснение внутри группы.
Группы делятся по функциям:
Г – генераторы
Д – декодеры
К – коммутаторы и ключи
Х – многофункциональные
М – модуляторы
Н – наборы элементов
П – преобразователи
Е – источники питания
Б – схемы задержки
С – селекторы
Т – триггеры
У – усилители
Ф – фильтры
А – формирователи
И – арифметико-логические
В – процессоры
2-я буква:
Примеры: ФВ – фильтр высокой частоты
ФН – фильтр низкойц частоты
ФЕ – полосовые фильтры
ФР – режекторные фильтры
Эти две буквы и есть типономинал.
IV. 1 или 2 цифры: Порядковый номер ИМС в данной серии.
Иногда в конце стоит буква, которая обозначает технологический разброс параметров
Иногда в начале стоит одна или две буквы:
К – коммерческое использование. КМ – в керамическом корпусе. КБ – бескорпусной вариант.
Для бескорпусных ИМС через дефис есть продолжение, еще цифра. Она обозначает модификацию конструктивного использования:
1 – с гибкими выводами
2 – с ленточными выводами
3 – с жесткими выводами
4 – разделенные на общей пластине
5 – разведенные, но без потери взаимной ориентации.
6 – вообще без выводов, с контактными площадками

Планарно-диффузионные микросхемы на биполярных структурах (однокристальные). С помощью однотипной технологии изготавливаются транзисторы, резисторы и конденсаторы.


Совмещенные ИМС
(Более точные номиналы резисторов и конденсаторов.)

Микросхемы на МДП-структурах.









Микросхемы на МДП-структурах можно использовать как в качестве активных элементов (транзисторов), так и в качестве пассивных элементов (резисторов). Это обеспечивает максимальную повторяемость и технологичность.
Микросхемы на МДП-транзисторах имеют большую степень интеграции.
Пленочные и гибридные ИМС.
В пленочных ИМС все элементы изготавливаются в виде пленок различной конфигурации. Все элементы наносятся через набор трафаретов. Активные элементы, в отличие от пассивных, в виде пленок изготавливать пока не научились. Поэтому активные элементы находятся в схеме в виде навесных бескорпусных элементов. Такая технология называется гибридной.










Подложка в данном случае выполняет исключительно технологические, а не электрические функции. Активные элементы выполняются бескорпусными. Общим корпусом закрывают всю конструкцию. При толстопленочной технологии некоторые пассивные элементы изготавливают отдельно, а затем крепят на общей подложке.
Достоинства:
- небольшая сложность и стоимость оборудования, и малые затраты на его эксплуатацию
- лучшие возможности для массового производства
- возможность изготовления резисторов в широком диапазоне номиналов (в том числе и высокоомные)
- большая точность изготовления
- возможность создания новых классов оборудования при коротком цикле разработки
- сравнительно высокий процент годных микросхем при выходе с производства
- возможность в одной микросхеме компоновать разнородные активные элементы
Недостатки:
- невозможность организовать большую степень интеграции
- трудности при автоматизации сборки
Особенности реализации радиоэлектронных схем на ИМС.
Синтез электронных схем на ИМС имеет следующие особенности:
- в ИМС можно реализовать НЕ любые из дискретных элементов. Не реализуются следующие элементы: трансформаторы и катушки с большой индуктивностью; конденсаторы большой емкости; настроечные и коммутационные элементы.
- не все элементы, которые можно реализовать в МС (микросхемах) имеют дискретные аналоги
- параметры элементов, которые можно реализовать в дискретных элементах и МС могут существенно различаться. В МС можно реализовать такие элементы, которые в дискретном состоянии не реализуются из-за практических трудностей
- поскольку в ИМС имеется общая подложка, то исмеют место более сильные паразитные связи
Особенности биполярного транзистора в схемах на ИМС.

Необходимо изолировать область коллектора от подложки закрытым переходом.
· Увеличивается сопротивление коллектора, следовательно, область легируют больше.
·
паразитный транзистор, хотя и закрыт, но влияет на свойства.
Конфигурация областей сильно влияет на свойства транзистора.
Чем больше площадь наружной поверхности коллектора, тем больше емкость на землю.
Чем длиннее область коллектора, тем выше сопротивление. Те же изменения происходят и в базе.
Периметр эмиттера влияет на частотные свойства.
Большое влияние оказывают расположения основных контактов в зонах.
При изготовлении узких областей, учитывают, что диффузия атомов примесей идет не только в глубь, но и вширь.
Интегральные диоды.
Интегральные диоды чаще всего изготавливаются на основе транзисторов.
· С целью унификации технологии
· С целью расширения возможностей.
Существует пять вариантов интегральных диодов на основе транзисторов:
1.

2.

3.

4.

5.

Чтобы
переходы на подложку были закрыты, подложка соединяется с наиболее отрицательным элементом схемы (земля или отрицательное напряжение).
Тем не менее, через закрытый
переход течет, в подложке создаются потенциалы, за счет чего характеристики диода могут изменяться.
Так как свойства КП и ЭП различные, то различные комбинации дают различные свойства.
Быстродействие определяется емкостями, они максимальны у 4-й схемы и минимальны во 2-й схеме, но быстродействие так же определяется временем рассасывания заряда, у 2-й хуже, чем у 1-й, хуже всех у 4-й схемы.
1-я схема чаще применяется в ЛИМС, где важно быстродействие
2-я схема чаще применяется в ЛИМС, но в качестве накопительных элементов.
3-я и 4-я схемы имеют максимальную величину пробоя, используются в качестве диодов общего назначения.
5-я схема обладает наилучшими токовыми свойствами.
Резисторы в полупроводниковых ИМС.
В полупроводниковых ИМС наибольшее распространение получили диффузионные резисторы (резисторы данного типа получают диффузией примеси в кристалл подложки). При этом сопротивление резистора определяется удельным сопротивлением вещества.
Чем сильнее легирован полупроводник, тем больше в нем свободных носителей зарядов, а, следовательно, меньше сопротивление. В радиоэлектронике нужны резисторы с широким диапазоном номиналов. Чем меньше легировано вещество, тем больше удельное сопротивление зависит от внешних факторов, а также преобладает собственная проводимость.
Чем рехзистор более высокоомный, тем больше нестабильность его параметров. Поэтому резисторы изготавливают на основе высоколегированных областей. Для расчета сопротивления материала известна следующая формула
. Для получения высокоомных резисторов чаще всего увеличивают длину l.
Резисторы и транзисторы изготавливают на одной подложке. В качестве резистора чаще всего используют базовую область транзистора.
Если использовать коллекторную область (которая легирована слабо), то это приводит к нестабильности параметров.
Если использовать эмиттерный слой (который легирован сильно), то для получения нужного сопротивления пришлось бы значительно увеличить размеры занимаемой площадки.
В области резистора имеет место
структура
(паразитный транзистор).



подложка
Чтобы влияние паразитного транзистора сказывалось наименьшим образом необходимо, чтобы он находился в закрытом состоянии. Для этого в n-область подают самый большой в схеме положительный потенциал. Подложку подключают либо к «земле», либо к отрицательному потенциалу.
С ростом площади поверхности растут площади
переходов. Паразитная емкость возрастает. Высокоомные резисторы обладают наибольшей паразитной емкостью.
Резисторы, сопротивление которых зависит от толщины
перехода, называются пинч-резисторами.
Поскольку диффузионные резисторы изготавливаются параллельно с транзисторами, то в больших пределах технологию изготовления менять затруднительно. Следовательно все резисторы диффузионными изготавливать не получается и часть из них изготавливают с помощью пленочной технологии.
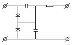
Изготовление полупроводниковых конденсаторов.
В ИМС используются два типа полупроводниковых конденсаторов:
- на основе закрытых p-n переходов
- на основе МДП-структур
Первый тип не требует особенных технологических операций и создается параллельно с транзисторами.



по сути, конденсатором является этот p-n переход
подложка
Эквивалентная схема выглядит следующим образом:


- полезная емкость
- паразитная емкость на подложку
Д1 и
- соответствующие p-n переходы
R - омическое сопротивление
- слоя


Эта структура существует только при определенной ориентации напряжения. Применение подобных конденсаторов ограничено паразитной емкостью
и паразитным сопротивлением
.
Емкость конденсатора зависит от напряжения следующим образом:
, где
.
Роль емкостей также могут играть и другие p-n переходы (например, «эмиттер – база»).




подложка
Когда конденсатор на переходе «эмиттер – база» имеет наибольшую емкость, то пробивное напряжение у него достаточно низкое (не более 10 В).
На переходе «коллектор – база» конденсатор обладает сравнительно высоким пробивным напряжением (до 50 В), но такие конденсаторы обладают плохой добротностью из-за достаточно большого сопротивления тела коллектора.
Диффузионные конденсаторы имеют три основных недостатка:
- невозможно получить большие значения емкостей, т.к. при этом занятой оказалась бы большая площадь кристалла
- плохая добротность
- конденсаторы – полярные, и их емкость зависит от напряжения
Многие недостатки устраняются, когда применяются МДП-структуры. (Соответствующие конденсаторы могут использоваться в аналоговых ИМС). К конденсаторам в цифровой технике предъявляют гораздо более мягкие требования. МДП конденсатор делают в одном технологическом цикле с транзисторами.
В разрезе такой конденсатор выглядит следующим образом:
1-я обкладка n+
2-я обкладка – металл
Эквивалентная схема:

- емкость перехода на подложку
- сопротивление n+ области для уменьшения
легируют сильнее.
- приповерхностная емкость
поэтому
не учитывают

Такой конденсатор обладает большим пробивным напряжением: (
).
Емкость на единицу площади поверхности выше, чем на основе замкнутого
перехода.
Высокая добротность (
).
Конденсатор неполярный
Емкость не зависит от приложенного напряжения.
Приборы с зарядовой связью (ПЗС)
Этот компонент реализовывается только в микросхемах.
Принцип работы заключается в хранении неосновных носителей заряда в потенциальных ямах. Эти ямы возникают вблизи поверхности проводника под воздействием внешнего электрического поля.
Перемещение зарядов происходит вдоль поверхности при перемещении потенциальных ям. При этом особенность заключается в том, то информация представляется, обрабатывается и хранится в форме плотности заряда.
Применение (аналоговые):
Устройства фазовой коррекции, линии задержки и фильтры, преобразователи масштаба времени.
Применение (цифровые):
Логические схемы в оптоэлектронике. (ПЗС – матрица).
Возможны различные способы создания потенциальных ям. Наиболее распространенный способ – способ с использованием МДП-структур.
ПЗС-транзистор

Структура проще, чем в обыкновенном транзисторе. В схеме нет областей, где внедрены примеси другого типа.
Возможно изготовление не только на основе кремния но и на основе арсенида галлия и др.
Гораздо выше требования к чистоте обработки поверхности.
Для ПЗС характерны два режима работы.
1. Хранение информационного заряда
2. Передача информационного заряда
К истоку прикладывается напряжение, отталкивающие основные заряды подложки. В результате образуется область, обедненная основными носителями. Эта область является как бы ловушкой для не основных носителей, она и называется потенциальной ямой
Под электродом образуется подвижный приповерхностный заряд.
При подаче в приемник такого же знака под ним тоже образуется потенциальная яма, если они туда попадут.
Временно на П подают заряд и на затвор того же знака напряжение. В результате возникает канал, и носители перемещаются в более глубокую яму.

Пусть в какой-то момент времени на
подано отрицательное напряжение
, в результате образовалась потенциальная ям под 2; 5; 8 электродами.
Под 2-м и 8-м есть заряды, а под 5-м зарядов нет.
В какой-то момент времени на
отрицательное напряжение, при этом
в результате под 3; 6; 9-м электродами образуются более глубокие потенциальные ямы.
В следующий момент времени с
убирается напряжение, а на
вместо
подается
. В результате, опять наступает режим хранения, но под 3; 9-м, а не под 2-м и 8-м электродами.
Подавая в правильной последовательности напряжение на шины, можно перемещать заряд.
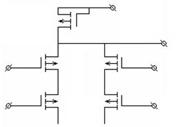
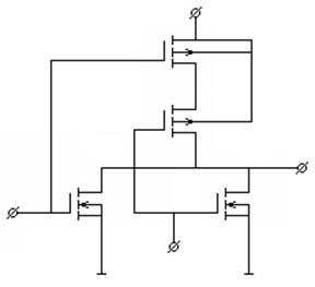
Логические ИМС на МДП-транзисторах.
Схемы инверторов

Инвертор n-типа






Инвертор p-типа






Инверторы комбинированного типа







Схема ИЛИ-НЕ









Для реализации схемы И используется ярусное включение, при этом должна быть реализована большая крутизна.









В отличие от схем на биполярных транзисторах, здесь можно реализовать схемы с большим числом элементов. Ограничением является лишь точечная выделяющаяся мощность, именно поэтому используются транзисторы с каналами с противоположным типом проводимости. Это позволяет существенно снизить выделяющуюся мощность.


Экономия мощности.
Противоположная логика управления.
С уменьшением мощности уменьшается
локальная температура кристалла.







Основные параметры цифровых ИМС.
- реализуемая логическая функция
- нагрузочная способность (коэффициент разветвления по выходу)
- коэффициент объединения по входу
- среднее время задержки и передачи сигнала
- статическая помехоустойчивость
- потребляемая мощность
- предельная рабочая частота
Основной особенностью цифровых схем является то, что в ИМС активные элементы реализовать намного проще, чем пассивные.
Логический перепад – разность напряжений на выходе соответствующая логическому нулю и логической единице.
Цифровые ИМС по виду сигнала, с которым они работают, делятся на три группы:
- потенциальные
- импульсные
- импульсно-потенциальные
Любая логическая функция может быть построена из более простых функций, вплоть до наименьших далее неделимых функций. Основные элементы логических функций: И; ИЛИ; НЕ; И-НЕ; ИЛИ-НЕ. Логическая обработка реализована в логическом базисе.
Логический базис – минимальный набор логических функций, с помощью которого можно реализовать логическую обработку любой сложности.
Примером логического базиса могут служить комбинации следующих логических функций: ИЛИ и НЕ; И и НЕ, а также сами логические функции: И-НЕ; ИЛИ-НЕ. Комбинация И и ИЛИ логическим базисом не является.
Нагрузочная способность (n) – характеризует максимальное число ИМС, аналогичных рассматриваемой, которые можно подключить к ее выходу без искажения передаваемой информации.
Чем выше нагрузочная способность, тем шире возможности, поскольку логическая обработка реализуется меньшим числом ИМС.
Но при высокой нагрузочной способности наблюдается низкие помехоустойчивость и быстродействие. Поэтому в разных сериях встречаются микросхемы с разными значениями
.
Коэффициент объединения по входу (m) – характеризует максимальное число логических входов функционального элемента ИМС.
Чем выше коэффициент объединения по входу, тем проще схема, тем меньше в ней элементов.
Но чем выше
, тем хуже помехоустойчивость и быстродействие. Поэтому в разных сериях существуют логические расширители.
Среднее время задержки сигнала – характеризует среднее время прохождения сигнала через ИМС в устройстве.
- в насыщенном состоянии переключение происходит медленно, а в ненасыщенном быстро
- чем выше мощность, тем быстрее переключение
Средняя помехоустойчивость – максимально допустимое напряжение статической помехи, не вызывающее перехода ИМС из одного состояния в другое.
Статическая помеха – это такая величина, которая остается постоянной в течение интервала времени, много большего длительности переходных процессов.
К воздействию помех наиболее чувствительны ИМС, имеющие разброс входных характеристик и низкий перепад логических уровней.
Для того чтобы характеризовать помехоустойчивость также используется коэффициент помехоустойчивости:
, где
- стоит цифра соответствующая уровню (на входе либо 0, либо 1);
- максимальное значение помехи, которая еще не вызывает перехода из одного состояния в другое;
- значение помехи которая вызывает переход.
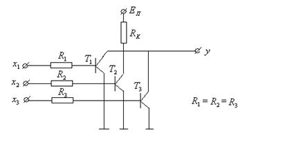
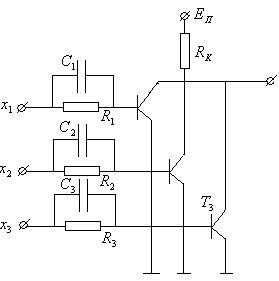
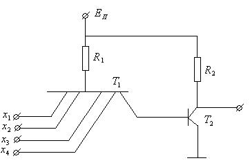
Транзисторная логика с непосредственной связью (ТЛНС).








Транзисторы и
выбирают таким образом, чтобы в открытом состоянии сопротивление транзистора было много меньше
, а в закрытом много больше. Таким образом, если на всех входах низкий уровень, то все транзисторы закрыты. Общее сопротивление между точкой
и землей много больше сопротивления
, поэтому на выходе будет напряжение питания.
Если хотя бы на один из входов подан высокий уровень, этот транзистор открывается и шунтирует остальные транзисторы. Поэтому сопротивление между точкой
и землей становится много меньше сопротивления
.В результате, на выходе присутствует низкий уровень напряжения.
Достоинства:
- простота
- высокое быстродействие
- относительно малая потребляемая мощность
Недостатки:
- из-за разброса параметров транзисторов, у разных входов разное напряжение срабатывания
- низкая помехоустойчивость
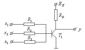
РТЛ (резисторно-транзисторная логика).


Данная логическая схема является усовершенствованием ТЛНС, основная цель – выровнять входные характеристики.
Резисторы можно сделать более идентичными, чем входные сопротивления транзисторов.
Основной минус данной схемы заключается в том, что из-за введения сопротивлений резко ухудшается быстродействие. Это обусловлено медленным рассасыванием зарядов в базе транзистора.
Схемы этого типа обладают большой помехоустойчивостью, большими коэффициентами m и n.
РЕТЛ (резистивно-емкостная транзисторная логика)



C – ускоряющая емкость.

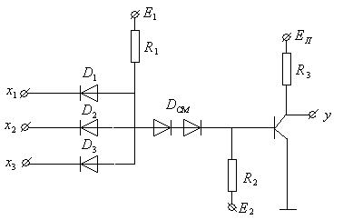
ДТЛ (диодно-транзисторная логика)



Если на всех входах высокий уровень, то все диоды закрыты, в результате на транзистор через открытый диод
подается полное напряжение и транзистор открывается.
Если хотя бы на одним из выходов 0, то диод открывается, в результате потенциал точки «а» будет близок к земле. Таким образом, на базе транзистора будет низкое напряжение, транзистор закроется.
ставится для компенсации остаточного напряжения.
- необходим для обеспечения стабильной работы диодов смещения, увеличивая быстродействие.
Данная схема обеспечивает хорошее быстродействие, хорошую помехоустойчивость, имеет малую потребляемую мощность.
ТТЛ (транзисторно-транзисторная логика)

Схема похожа на ДТЛ, роль диода играет коллекторный переход, роль диодов смещения играет коллекторный переход.
Схеме свойственно большое быстродействие, малая потребляемая мощность и занимают малую площадь.
ТТЛШ (транзисторно-транзисторная логика диодом Шоттки)

Параллельно КП в ТТЛ ставится диод Шоттки, используется в качестве ограничительного диода. Открывающее напряжение диода несколько меньше, чем у КП, поэтому переход открывается, но не входит в насыщение.
Остальные параметры близки к ТТЛ.
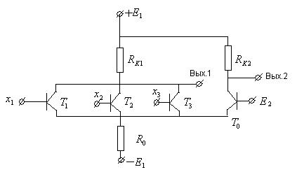
ЭСЛ (эмиттерно-связанная логика)

Обладает почти самым высоким быстродействием.
Вых. 1 – ИЛИ-НЕ
Вых. 2 – ИЛИ
- переключатели тока,
- эмиттерный повторитель
За счет
транзисторы находятся в ненасыщенном режиме.
Малые перепады логического уровня (0,8 В), малое
, то есть малое влияние паразитных емкостей. Вследствие этого высокое быстродействие, высокая нагрузочная способность, нестандартные логические уровни.
Непосредственно соединять ТТЛ и ЭСЛ нельзя, для этого используются специальные согласующие микросхемы.
Диодные матрицы.
Набор быстродействующих диодов соединяемых по определенной схеме.
Как правило используются, как фрагменты более крупных схем.
Плюсами являются быстродействие и идентичность параметров.
Интегрально-инжекционная логика (И2Л).
Интегрально-инжекционная логика представлена интегральными микросхемами на базе биполярных транзисторов. Энергия необходимая для обработки сигналов вводится инжекцией неосновных носителей заряда.
По сути, это комбинация многоколлекторных
транзисторов в инверсном режиме и транзисторов типа
. Схемы занимают меньшую площадь по сравнению со схемами содержащими резисторы; выше плотность упаковки; выше быстродействие; ниже потребляемая мощность. Интегрально-инжекционная логика находит основное применение в БИС и СБИС.
Основные функции аналоговые ИМС.
Аналоговые ИМС предназначены для обработки аналоговых сигналов, т.е. непрерывного сигнала. Другие названия – линейные ИМС. Если разбить все потребности в обработке на классы, то можно выделить пять:
1. Усиление сигнала
2. Функции сравнения (сопоставление двух аналоговых величин с определенной точностью). К ним относятся компараторы.

3. Ограничение (ограничители)

Существуют ограничители мгновенных значений и ограничители амплитуд.
4. Перемножители

5. Фильтрация
Особенности схемотехники аналоговых ИМС.
1. Точность номиналов существенно важнее чем в цифровых ИМС.
2. Эксплуатируются в широких диапазонах параметров. Например, широкий диапазон частот.
ИМС проектируются так чтобы изменение номиналов элементов происходило согласовано, чтоб, в конечном счете, конечный результат менялся мало. Это достигается:
1. Правильным выбором схемотехники
2. Размещением элементов как можно ближе друг к другу. (Результат – высокоточная аналоговая структура)
3. Принципом схемотехнической избыточности
На маленьких площадях можно реализовать сложные схемы. В микросхемах схемы транзисторов меньше чем резисторов и конденсаторов.
В ИМС распространены многотранзисторные схемы с очень большой избыточностью активных элементов. Можно реализовать дополнительные свойства.
Отрицательная обратная связь резко улучшает все характеристики, но уменьшает коэффициент усиления.
Широко используются недогруженные режимы работы, с уменьшенным (по сравнению с максимально допустимым) коэффициентом усиления по мощности, чем повышается надежность работы.
Функциональная электроника.
Функциональная электроника – одно из наиболее перспективных направлений.
В устройствах функциональной электроники невозможно соотнести отдельные области с дискретными элементами. При проектировании устройств этап создания эквивалентной схемы отсутствует. При этом для обработки информации могут использоваться физические явления вообще не связанные с электропроводностью.
В настоящее время используются следующие физические явления:
- оптические (наиболее развитые)
- явления взаимодействия потока электронов с акустической волной в твердом теле
- новые магнитные материалы
- использование покоящихся или движущихся неоднородностей (доменов и шнуров)
- явления, связанные с изменением структуры конденсирующихся сред на молекулярном уровне
- элементы на основе эффекта Ганна
- явление холодной эмиссии
- ПЗС структуры
- использование биологических структур на молекулярном уровне
- использование аморфных веществ с нелинейными характеристиками
N-образные характеристики S-образные характеристики

Оптоэлектроника.
Для обработки информации происходит преобразование сигнала из электрического в оптический и обратно.
Главные особенности:
- элементы оптически связаны
- электрически изолированы
Результат:
Легко согласуются, высоковольтные и низковольтные цепи, ВЧ и НЧ.
Основные свойства светового потока:
1. Зарядовая нейтральность.
2. Однонаправленность
3. Двухмерность потока информации
4. Высокая несущая частота, позволяет передавать широкополосный сигнал
5. Возможность пересечения пучков без взаимодействия
6. Большая функциональная нагрузка
Направления ОЭ:
- Оптическое взаимодействие твердого тела с излучением.
- Электрооптическое. Внутренние эффекты.
Замена гальванических и магнитных связей на оптические. (коммутаторы, усилители)
Оптопара (оптрон)
Представляет собой: оптический излучатель и фоточувствительный прибор, в качестве которого лежит фоторезистор, фотодиоды, фототиристор.
Основные параметры:
1. Сопротивление развязки по постоянному току
3. Время переключения
4. Проходная емкость
Акустоэлектроника.
Это направление функциональной электроники связано с использованием механических резонансных эффектов, пьезоэффектов, акустических волн и эффектов взаимодействия электрических токов с акустическими волнами.
ПАВ (поверхностно-акустические волны) нашли наибольшее применение в акустических преобразователях.
При нанесении на поверхность, по которой распространяется волна, узора, становится возможным подвергать волну различным преобразованиям.
Пьезоэффект (прямой или обратный) высокая механическая добротность. Используется в фильтрах и стабильных генераторах.
Ультразвуковые линии задержки
ОЛЗ на объёмных акустических волнах.
1. Входной преобразователь
2. выходной
3. кристалл
ОЛЗ на ПАВ
Волна распространяется не в объеме, а вдоль границы.
Излучатели и приемники можно реализовывать в виде достаточно сложных рисунков. В поверхностной зоне можно осуществлять довольно сложную обработку сигнала.
Магнитоэлектроника.
В магнитоэлектронике используются тонкие магнитные пленки. (Толщина порядка одного домена). Магнитные свойства тонких пленок можно использовать для запоминания и обработки информации. В связи с этим в магнитоэлектронике возникло отдельное направление — магнитные интегральные микросхемы, главным практическим результатом которого явилось создание СБИС ПЗУ на цилиндрических магнитных доменах (ЦМД).
Последние используются как носители информации. Цилиндрические магнитные домены появляются в тонких эпитаксиальных пленках специальных материалов — гранатов, имеющих химическую формулу типа R3Fe5 О12, где R — редкоземельный элемент (Y, Сdи др.)
Магнитные полупроводники.
Проявляются одновременно и полупроводниковые свойства, и магнитные свойства. Шириной p-n перехода можно управлять магнитным способом. СВЧ микросхемы – монолитные на магнитной полупроводниковой подложке. Обработка информации внутри среды.
Диэлектрическая электроника
Взяла + от ламп и + от транзисторов.
При переходе к очень тонким диэлектрическим пленкам, свойства начинают меняться (в массивных образцах отсутствуют).
Необходимо так подобрать вещества, что работа выхода электронов была меньше у металла, чем у диэлектрика. При этом электроны металла проникают в диэлектрик.
Используется толстая диэлектрическая пленка. Толщина пленки соизмерима с толщиной проникновения е из металла в диэлектрик.
Выбирается 2 металла У металла М1 работа выхода е меньше чем у М2, в результате ток течет в одну сторону и имеют место вентильные свойства. (Различия тока в 104 раз)
На эти свойствах реализуются свойства как у транзистора.
3 электрода управляют потенциалом в диэлектрике.

«+» → Маленькие размеры, простота технологии.
1. хорошие частотные характеристики.
2. низкий уровень шумов
3. малая чувствительность к изменениям температуры
4. малая чувствительность к радиации.
Криоэлектроника.
Связано с использованием взаимодействия электромагнитных полей с электронами в твердых телах при сверхнизких температурах. (0 – 80 К)
Криоэлектроника использует свойства сверхпроводников скачкообразно менять проводимость. Можно реализовывать переключательные элементы.
Минус: необходимость глубокой заморозки.
Хемоэлектроника.
Это область науки, изучающая построение информационных систем на основе процессов протекающих в жидкостях или на разделе двух фаз.<