В практической деятельности инженером всех специальностей приходится иметь дело с технической документацией на изделие.
Согласно ГОСТ 2.101-68 «Виды изделий», изделием называется любой предмет или набор предметов производства, подлежащих изготовлению на предприятии.
Устанавливаются следующие виды изделий:
- детали;
- сборочные единицы;
- комплексы;
- комплекты.
Деталь – это изделие, изготовленное из однородного по наименованию и марке материала, без применения сборочных операций.
Качество детали обеспечивается, прежде всего, качеством технической документации, в том числе и чертежами.
В соответствии с ГОСТ 2.102-68 «Виды и комплексность конструкторских документов» рабочим чертежом детали называется графический конструкторский документ, содержащий изображение детали и другие данные, необходимые для ее изготовления и контроля.
Основанием для разработки рабочих чертежей деталей служит чертеж общего вида технического проекта, оформление и содержание которого устанавливает ГОСТ 2.119-73 и ГОСТ 2.120-73.
|
|
|
Общие правила оформления и содержания рабочего чертежа детали излагаются в стандартах ЕСКД, а основные требования к его выполнению устанавливает ГОСТ 2.109-73.
Рабочий чертеж детали должен содержать изображение детали (виды, разрезы, сечения, выносные элементы), размеры, предельные отклонения размеров, допуски формы и расположения поверхностей, параметры и знаки шероховатости поверхностей, технические требования, таблицы, обозначение материала, из которого изготовлена деталь.
Рабочие чертежи выполняют, как правило, на все нестандартные детали, входящие в изделие.
Количество изображений детали должно быть наименьшим, но достаточным, чтобы чертеж давал представление о форме и размерах наружных и внутренних поверхностей детали. Выбор главного изображения детали зависит от технологии ее изготовления.
Мелкие детали, имеющие сложную форму, следует изображать в масштабах увеличения. Крупные детали несложной формы могут изображаться в масштабах уменьшения.
При выполнении рабочих чертежей применяют условности и упрощения, которые позволяют сократить объем графической работы и облегчить чтение чертежа.
Если вид, разрез или сечение представляют симметричную фигуру, допускается вычерчивать половину или немного больше половины изображения (рис. 37).

Рисунок 37 - Упрощенное изображение симметричной детали
При наличии нескольких одинаковых равномерно расположенных элементов предмета – отверстий, пазов, зубьев колес и т.д. – допускается изображать один-два таких элемента, а остальные показывать упрощенно или условно. Отверстия отмечаются центровыми линиями, и указывается их количество. В разрезе отверстия, расположенные на круглом фланце, изображаются и в том случае, если не попадают в секущую плоскость (рис. 38).
|
|
|
Ребра жесткости, спицы зубчатых колес и т.п. показывают рассеченными, но незаштрихованными в том случае, если секущая плоскость проходит вдоль ребра или оси (рис. 38).
Для обозначения плоских участков поверхностей детали проводят диагонали сплошными тонкими линиями.
Плавный переход от одной поверхности к другой показывают условно тонкой линией или совсем не показывают (рис. 39).
Болты, винты, заклепки, оси, рукоятки и аналогичные части деталей в продольном разрезе показывают нерассеченными.

Рисунок 38 - Упрощенное и условное обозначения отверстий

Рисунок 39 - Обозначение плавного перехода между поверхностями
Общие положения и рекомендации по нанесению размеров на чертеже детали указаны в ГОСТ 2.307-68, ГОСТ2.318-81, ГОСТ 2.320-82.
Дополним теперь эти сведения с учетом условий обработки, технологии изготовления, конструирования и т.п. Правильное нанесение размеров – одно из важных условий повышения производительности труда. Непродуманная или небрежная простановка размеров затрудняет изготовление детали и может явиться причиной брака.
На чертеже может быть отдельно расположенный размер – он называется звеном.
Несколько размеров, нанесенных в одном направлении по одной линии, образуют размерную цепь.
В машиностроении размеры на чертежах наносят тремя способами: цепным, координатным и комбинированным (рис. 40).



Рисунок 40 – Способы простановки размеров:
а) - координатный; б) – цепной; в) - комбинированный
Цепной способ – когда все размеры наносят по одной линии (цепочкой) один за другим. Этот способ применяют, когда наименее точным должны быть суммарные размеры звеньев цепочки, например, при нанесении размеров между центрами отверстий деталей, не подвергающихся механической обработке, заготовок и т.д.
Координатный способ – когда все размеры наносят от одной и той же базовой поверхности независимо друг от друга. Этот способ отличается повышенной точностью, но удорожает стоимость изготовления детали. Нанесение размеров по координатному способу связано с так называемыми базами.
База – это поверхность детали (или ее элемент), от которой ведут отсчет размеров других элементов детали.
Различают конструкторские и технологические базы.
Конструкторскими базами являются поверхности, линии или точки, по отношению к которым ориентируются другие детали изделия.
Технологические базы – это базы, от которых в процессе обработки удобнее и легче измерять размеры.
Базами могут быть:
- плоскости, с которых начинается обработка;
- прямые линии (оси симметрии, взаимно-перпендикулярные кромки детали и др.);
- точки (например, как база для отсчета радиусов).
Комбинированный способ – когда размеры наносят цепным и координатным способами. Этот способ наиболее выгодный.
С учетом уменьшения суммарной погрешности при измерении длин по возможности нужно пользоваться координатным способом.
Выбор способа нанесения размеров зависит также от способа изготовления детали (отливки, поковки, сварки, обточки и т.п.). Оформляя чертеж, надо показывать размеры между осями отверстий, между плоскостью, принятой за базу, и параллельной ей осью отверстия и т.п.
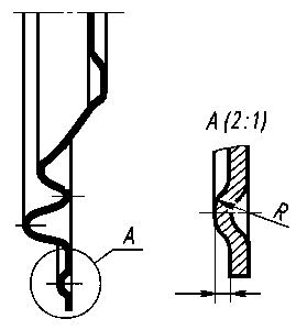
Если какая-либо часть детали требует графического или других пояснений в отношении формы, размеров или других данных, то применяют выносной элемент – дополнительное отдельное изображение данной части детали (обычно увеличенное) (рис. 41). При этом соответствующее место отмечают на виде, разрезе или сечении замкнутой сплошной тонкой линией – окружностью, овалом и т. п. – с обозначением выносного элемента прописной буквой. Над изображением элемента указывают обозначение и масштаб, в котором он выполнен. Располагают выносной элемент возможно ближе к соответствующему месту на изображении предмета.
|
|
|

Рисунок 41 - Оформление выносного элемента