Варіанти завдання
| № Варіанта | Тип тр-ра | Sном МВА | Границі регулювання | Каталожні данні | Схема захисту | |||||
| Uном. КВ, обмоток | Uк, % | ∆Рк, кВт | ∆Рх, кВт | Ік, % | ||||||
| В | Н | |||||||||
| 6 | ||||||||||
| ТМН-2500/110 | 2,5 | ±10х1,50 ±8х1,50 | 6,6;11;22 | 10,5 | 5,0 | 1,50 | 2А | |||
| ТМН-6300/110 | 6,3 | ±9х1,78 | 6,6; 11;22 | 11,5 | 0,8 | 2Б | ||||
| ТДН-10000/110 | ±9х1,78 | 0,7 | 2В | |||||||
| ТДН-16000/110 | ±9х1,78 | 0,7 | 2Г | |||||||
| ТРДН-25000/110 | ±9х1,78 | 6,3/6,3 6,3/10,5 10,5/10,5 | 0,7 | 2А | ||||||
| ТРДН-40000/110 | ±9х1,78 | 6,3/6,3 6,3/10,5 10,5/10,5 | 0,7 | 2Б | ||||||
| ТД-40000/110 | ±2х2,50 | 3,15; 6,3; 10,5 | 0,7 | 2В | ||||||
| ТРДЦН-63000/110 | ±9х1,78 | 6,3/6,3 6,3/10,5 10,5/10,5 | 0,65 | 2Г | ||||||
| ТРДЦНК-80000/110 | ±9х1,78 | 6,3/6,3 6,3/10,5 10,5/10,5 | 0,60 | 2А | ||||||
| ТДЦ-125000/110 | ±2х2,50 | 6,3/6,3 6,3/10,5 10,5/10,5 | 0,60 | 2Б | ||||||
| ТРДЦН-80000/110 | ±9х1,78 | 6,3/6,3 6,3/10,5 10,5/10,5 | 0,60 | 2В | ||||||
| ТРДЦН-125000/110 | ±9х1,78 | 10,5/10,5 | 0,55 | 2А | ||||||
| ТДЦ-125000/110 | ±2х2,50 | 10,5; 13,8 | 0,55 | 2Г | ||||||
| ТДЦ-200000/110 | ±2х2,50 | 13,8; 15,75; 18 | 0,50 | 2Б | ||||||
| ТДЦ-250000/110 | ±2х2,50 | 15,75 | 0,50 | 2В | ||||||
| ТДЦ-400000/110 | ±2х2,50 | 0,45 | 2Г | |||||||
| ТРДН-40000/220 | ±8х1,50 | 11/11; 6,6/6,6 | 0,9 | 2А | ||||||
| ТРДЦН-63000/220 | ±8х1,50 | 6,6/6,6; 11/11 | 0,80 | 2Б | ||||||
| ТДЦ-80000/220 | ±2х2,50 | 6,3; 10,5; 13,5 | 0,60 | 2В | ||||||
| ТРДЦН-100000/220 | ±8х1,50 | 11/11; 38,5 | 0,70 | 2Г | ||||||
| ТДЦ-125000/220 | ±2х2,50 | 10,5; 13,8 | 0,50 | 2А | ||||||
| ТРДЦН-160000/220 | ±8х1,50 | 11/11; 38,5 | 0,60 | 2Б | ||||||
| ТДЦ-250000/220 | ±2х2,50 | 13,8; 15,75; 18 | 0,45 | 2В | ||||||
| ТДЦ-250000/220 | --- | 13,8; 15,75 | 0,45 | 2Г | ||||||
| ТДЦ-400000/220 | --- | 13,8; 15,75; 20 | 0,40 | 2А | ||||||
| ТЦ -630000/220 | --- | 15,75; 20 | 12,5 | 0,35 | 2Б | |||||
| ТЦ-1000000/220 | --- | 11,5 | 0,35 | 2В |
Додаток Д-2
|
|
|
Номінальні, найбільші і середні між фазні напруги електричних розподільних мереж трифазного струму
| Напруга, кВ | ||
| номінальна | найбільша | Середня (для розрахунків струмів к.з.) |
| 0,22/0,127 | --- | 0,22/0,127 |
| 0,38/0,22 | 0,4/0,23 | 0,4/0,23 |
| 0,66/0,38 | 0,69/0,4 | 0,69/0,4 |
| 3,5 | 3,15 | |
| 6,9 | 6,3 | |
| 11,5 | 10,5 | |
| 23,0 | 20,0 | |
| 40,5 | 37,0 | |
| 126,0 | 115,0 | |
| 172,0 | 154,0 | |
| 252,0 | 230,0 | |
| 136,37 | 126,26 |
Додаток Д-3
Формули для визначення розрахункових струмів у реле максимального струмового захисту при двофазних к.з.
| Схема виконання максимального струмового захисту | Струми у реле при двофазному к.з. за трансформатором Y/∆-11 |
| Неповна зірка з двома реле. Рис. 2а |
|
| Неповна зірка з трьома реле (третє реле увімкнуто у зворотній провід). Рис. 2б |
|
| Трикутник з трьома реле. Рис 2в |
|
| Трикутник з двома реле. Рис 2г |
|
Додаток Д-4
|
|
|

Криві граничних кратностей трансформаторів струму типа ТФНД-110м для
nт = 50/5 ÷ 600/5 i 400/5 ÷ 800/5; 1-класу Р1 і Р2 – класу 0,5.

Криві граничних кратностей трансформаторів струму типу
ТВТ-110м при nТ =100/5 (1); 150/5 (2) і 200/5 (3); 300/5 (4); 400/5 (5); 600/5 (6); 750/5 (7); 1000/5 (8); 1500/5 (9); 2000/5 (10); 1- класу Р1 і Р2; 2-класу 0,5.
При вторинному номінальному струмі 1А значення Zн.допмножаться на 25.
Додаток Д-5
Розрахункові формули для визначення вторинного
навантаження трансформаторів струму.
| № | Схема з’єднання | Вид К.З. | Розрахункове навантаження |
| Повна зірка: реле у кожній фазі і одне у нульовому проводі. | 3-х і2-х фазне | Zн.роз. = Zр | |
| однофазне | Zн.роз. = Zрф+ Zро | ||
| Неповна зірка: реле в фазах А,С і у зворотному проводі. | 3-х фазне | Zн.роз. ≈ Zрф+ Zро | |
| 2-х фазне АВ або ВС | Zн.роз. = Zрф+ Zро | ||
| 2-х фазне за трансформатором Y/Δ-11 | Zн.роз. = 2Zрф+ 2Zрзв | ||
| На різницю струмів двох фаз А і С. | 3-х фазне | Zн.роз. = √3Zр | |
| 2-х фазне АС | Zн.роз. = 2Zр | ||
| 2-х фазне АВ або ВС | Zн.роз. = Zр | ||
| Трикутник. | 3-х фазне і 2-х фазне | Zн.роз. = 3Zр | |
| однофазне | Zн.роз. = 2Zр | ||
| Послідовне з’єднання Вторинних обмоток трансформаторів струму. | Zн.роз. = 0,5Zр | ||
| Паралельне з’єднання вторинних обмоток трансформаторів струму. | Zн.роз. = 2Zр |
Примітка:
Zр, Zрф - опори реле, увімкнених у фазах.
Zро, Zрзв - реле увімкненні у нульовий або зворотній провід.
Zр=S/I2 де S потужність яку споживає реле, ВА; І- струм через реле, А.
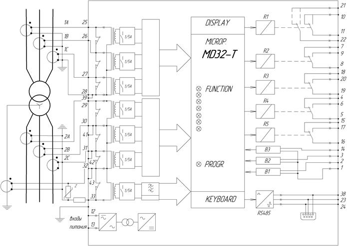
Реле диференційного захисту трансформатора зі зміщенням кута між обмотками MD32-T.
- Трифазний диференційний захист двообмоточного трансформатора;
- Автоматична корекція коефіцієнта трансформації і групи з’єднання обмоток;
- Два щаблі диференційного захисту;
- Обмежений захист від замикання на землю;
- Регульоване придушення 2 і 5 гармонік;
- Програмувальна крива зсуву кута між обмотками із двома зламами;
- Запис осцилограм;
- Протокол зв'язку Modbus.

Рис. 7. Схема диференційного захисту двообмоточного трансформатора з використанням реле MD32-Т.
Реле диференційного захисту триобмоточного трансформатора MD33-T.
- Трифазний диференціальний захист трехобмоточного трансформатора;
- Два щаблі диференціального захисту;
- Один щабель МТЗ;
- Регульоване придушення 2 і 5 гармонік;
- Програмувальна крива зсуву кута між обмотками із двома зламами;
- Запис осцилограм;
- Протокол зв'язку Modbus.

Рис. 8. Схема диференційного захисту триобмоточного трансформатора з використанням реле MD33-Т.
Реле роблять автоматичну корекцію коефіцієнта трансформації й векторів потужності групи з'єднання обмоток трансформатора, що дозволяє не використовувати проміжні трансформатори струму.
Вхідні параметри, які програмуються:
Fn = Частота мережі: (50 - 60)Гц
1ln = Номінальний первинний струм фазних: (1 - 9999) А, крок 1А
ТТ (висока сторона)
21n = Номінальний первинний струм фазних: (1 - 9999) А, крок 1А
ТТ (низька сторона)
1V = Номінальна первинна напруга (висока сторона): (0.2 - 380)кВ, крок 0.01кВ
2V = Номінальна первинна напруга (низька сторона): (0.2 - 380)кВ, крок 0.01 кВ
а = Тип з'єднання обмоток трансформатора
Література:
1 Правила устройства электроустановок: Раздел III. Защита и автоматика. М. 1981г.
2 Сборник директивных материалов по эксплуатации энергосистем (электротехническая часть). М. 1981г.
3 Руководящие указания по релейной защите: Вып. 14. Релейная защита понижающих трансформаторов и автотрансформаторов 110-500 КВ. М. 1985г.
4 Засыпкин А.С. Релейная защита трансформаторов. М. 1989г.
5 Какуевицкий Л.И..Смирнова Т.В. Справочник реле защиты и автоматики. М. 1982г.
6 Беркович Реле защиты. М. Энергия. 1976г.
7 Королев Е.П.. Либерзон Э.М. Расчеты допустимых нагрузок в токовых цепях релейной защиты. М. 1980г.
|
|
|
8 Барзелович В.М. Высоковольтные трансформаторы тока. м-л.. 1962г.
Методичні вказівки до виконання курсового проекту: «Релейний захист силових трансформаторів». Для студентів спеціальності 7.090603 «Електротехнічні системи електроспоживання» денної форми навчання.
Укладачі: Цибулевський Ю.Є., к.т.н., доцент; Аніськов О.В., асистент






