| Операция | Эскиз | Содержание операции |
| Слесарная операция Вал укладывают в призмы выпуклостью в верх, и выправляю с помощью ручного приспособления или винтового пресса | |
| контроль | ||
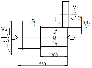
| Механическая операция Вал закрепляют в патроне ТВ станка, шлифуют шейку для устранения рисок и отклонения от цилиндричности | |
| контроль | ||
| Электрохимическая операция Износ шеек вала до 0,15мм восстанавливают хромированием, для этого используют электролизные ванны с электролитом | |
| контроль |






