Дано: горелка вертикальная щелевая для котла ДКВР-4, тепловой мощностью 0,7 Гкал/час; газ – Игрим-Серов. Давление газа перед горелкой – 10 кПа. Температура газа 20°С, температура воздуха – 300°С.
1. Рассчитываем теоретически необходимое количество воздуха

9,68 м3/м3.
2. Определяем расход газа и воздуха на горелку
м3/с.
м3/с.
3. По конструктивным данным рассчитывают площади сечения для прохода воздуха и газа:
м2;
0,257×10-3 м2.
4. Далее определяют скорости истечения газа и воздуха при температуре газа 20°С. Рекомендуемый диапазон скоростей истечения горючего газа и воздуха, который получен на основе длительной эксплуатации таких горелок: для газа скорость истечения – 50-100 м/с, для газовоздушной смеси 25-30 м/с.
9,1 м/с;
91,87 м/с.
5. Определяем необходимое давление газа и воздуха перед горелкой, уточняя плотность используемого газа следующим образом:

кг/м3.
кг/м3;
кг/м3.
Па;
Па.
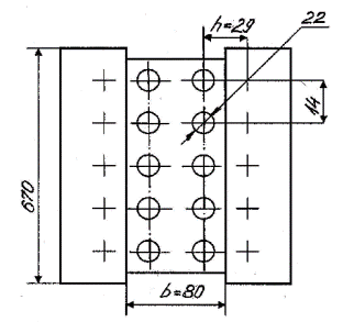
6. Определяем глубину проникновения газовых струй в поток воздуха. Угол между направлением потока воздуха и газовых струй берут из конструктивных данных: b=45°;
шаг между отверстиями S=14 мм; относительный шаг
, k =1,8:
29 мм.
7. Далее рассчитывают диаметр расширившейся струи
22 мм.
| Рис. 8. Схема газораспределения |

Таблица 1
Характеристика вертикальных щелевых горелок для котлов ДКВР
| Характеристика | ДКВР-2,5 | ДКВР-4 | ДКВР-6 | ДКВР-10 | ДКВР-20 |
| Число горелок на котле, шт. | |||||
| Номинальная тепловая мощность горелки, Гкал/час | 0,88 | 0,770 | 1,15 | 1,74 | 2,27 |
| Давление воздуха, Па | |||||
| Число газовыпускных отверстий на горелку п | |||||
| Размеры, мм: | |||||
| Н 1 | |||||
| d | 2,2 | 2,0 | 2,3 | 2,4 | 2,7 |
Примечание: шаг между газовыпускными отверстиями14 мм, для котлов ДКВР-20 – 15 мм.
Таблица 2
Характеристики горелок Г-0,4 и Г-1,0
| Характеристика | Г-0,4 | Г-1,0 |
| Номинальная тепловая мощность горелки, Гкал/час | 0,377 | 0,963 |
| Номинальное давление газа, Па | ||
| Давление воздуха,Па | ||
| Коэффициент избытка воздуха | 1,05 | 1,03 |
| Диаметры, мм | ||
| D 1 | ||
| D 2 |
Таблица 3
Характеристика горелок ГГВ
| Характеристика | ГГВ-10 | ГГВ-25 | ГГВ-50 | ГГВ-75 | ГГВ-100 | ГГВ-150 | ГГВ-200 | ГГВ-350 | ГГВ-500 | ГГВ-750 |
| Номинальная тепловая мощность горелки, Гкал/час | 0,104 | 0,244 | 0,504 | 0,8/0,74 | 1,0 | 1,49/1,44 | 2,0/1,98 | 3,5/3,48 | 4,8/4,97 | 7,45 |
| Номинальное давление воздуха, Па | ||||||||||
| Число отверстий-сопел для входа газа, п | 12/12 | 24/28 | 16/36 | 12/36 | 12/36 | 12/36 | 12/36 | 12/36 | 12/36 | 24/36 |
| Диаметры, мм, d | 2,76/1,4 | 3,0/1,0 | 5,0/1,7 | 7,7/2,2 | 8,7/2,5 | 11,0/3,0 | 12,2/3,5 | 16,3/4,75 | 205/5,8 | 17,3/17,0 |
| D 1 | ||||||||||
| D 2 |
Примечания:
1. В числителе даны характеристики горелок при работе на газе с номинальным давлением 2 кПа, в знаменателе – с давлением 30 кПа.
2. Тепловая мощность ГГВ-150, согласно государственным испытаниям, достигает 1,79 Гкал при давление газа 2,8 кПа и воздуха 2,3 кПа.
Таблица4
Характеристики горелок для котлов ПТВМ
| Характеристика | ПТВМ-30м | ПТВМ-50 | ПТВМ-100 |
| Число горелок на котле | |||
| Номинальная тепловая мощность горелки, Гкал/час | 5,61 | 7,65 | |
| Номинальное давление газа, кПа | 17,80 | 25,00 | |
| Давление воздуха, Па | |||
| Минимальный коэффициент избытка воздуха | 1,09 | ||
| Диаметры, мм, D 1 | |||
| D 2 |
Примечание: Число отверстий различных диаметров приведены на чертеже
Таблица 5
Характеристика горелок ГМГм
| Характеристика | ГМГ-1,5м | ГМГ-2м | ГМГ-4м | ГМГ-5м | |
| Номинальная тепловая мощность горелки, Гкал/час | 1,35 | 1,5 | 2,0 | 4,0 | 5,0 |
| Номинальное давление, кПа | |||||
| газа | 3,80 | 5,00 | 3,60 | 3,80 | |
| воздуха первичного | 1,25 | 1,20 | 1,20 | ||
| воздуха вторичного | 0,75 | 0,90 | 0,90 | 0,80 | 0,75 |
| Число газовыходных отверстий п диаметром d 1/ d | 9/12 | 9/12 | 12/12 | ||
| Диаметры, мм | |||||
| D 1 | |||||
| D 2 | |||||
| d | 6,8 | 8,0 | 11,5 | 14,0 | |
| d 1 | 6,5 | 6,5 | 8,8 | 10,0 |
Таблица 6
Характеристика горелок РГМГ
| Характеристика | РГМГ-10 | РГМГ-20 | РГМГ-30 |
| Номинальная тепловая мощность горелки, Гкал/час | 11,09 | 22,27 | 33,45 |
| Номинальное давление топлива, кПа | 19,50 | 34,00 | 41,20 |
| Давление воздуха, кПа | |||
| первичного | 7,00 | 7,30 | 9,00 |
| вторичного | 1,00 | 1,50 | 2,56 |
| Коэффициент избытка воздуха | 1,05 | 1,06 | 1,06 |
| Число газовыходных отверстий п | |||
| Диаметры, мм | |||
| d | |||
| D 1 | |||
| D 2 |
Таблица 7
Характеристики горелок ГМ
| Характеристика | ГМ-2,5 | ГМ-4,5 | ГМ-7 | ГМ-10 |
| Номинальная тепловая мощность горелки, Гкал/час | 2,5 | 4.5 | 6.38 | 10.8 |
| Номинальное давление, кгс/м2 | ||||
| газа | 0,25 | 0,3 | 0,2 | |
| воздуха | ||||
| Коэффициент избытка воздуха | 1,1 | 1,04 | 1,05 | |
| Число газовыходных отверстий п |
Продолжение таблицы 7
| Характеристика | ГМ-2,5 | ГМ-4,5 | ГМ-7 | ГМ-10 |
| Диаметры, мм | ||||
| D 1 | ||||
| D 2 | ||||
| d 1 | 7,5 | 12,8 |
Примечание: Характеристики горелок ГМ-7 и ГМ-10 приведены по результатам государственных испытаний при разрежении в топке 20-30 Па.
Таблица 8
Попутные и промышленные газообразные топлива
| Газ | Состав, % | , ккал/м3 | ||||||||||
| СН 4 | С 2 Н 6 | С 3 Н 8 | С 4 Н 10 | С 5 Н 12 | N 2 | CO 2 | H 2 S | СО | Н 2 | Н 2 О | ||
| Башнефтьгаз | 9,8 | 1,2 | 0,4 | 16,6 | – | – | – | – | – | |||
| Куйбышев-нефть | 17,2 | 7,4 | 0,5 | 13,6 | 0,8 | 0,5 | – | – | – | |||
| Коксовый завод | 25,5 | 2,3 | – | – | – | 3,0 | 2,9 | – | 6,5 | 59,8 | – | |
| Игрим-Серов | 95,7 | 1,9 | 0,5 | 0,3 | 0,1 | 1,3 | – | – | – | 0,2 | – | |
| Первомайск-Сторожевка | 62,4 | 3,6 | 2,6 | 0,9 | 0,2 | 0,1 | – | – | – | – | ||
| Бухара-Урал | 94,9 | 3,2 | 0,4 | 0,1 | 0,1 | 0,9 | 0,4 | – | – | – | – | |
| Доменный газ | 0,1 | – | – | – | – | 55,1 | 10,2 | – | 30,1 | 2,2 | 2,3 |
Соотношения между единицами физических величин:
1 кгс/см2=9,807×104 Па; 1 мм.рт.ст.=133,3 Па; 1 мм.вод.ст.=9,8 Па; 1 Гкал/час=1,16 МВт
1. 1 Хзмалян Д.М. Теория топочных процессов: Учебное пособие для вузов.- М.: Энергоатомиздат, 1990.-352 с.
2. Тепловой расчет котельных агрегатов (нормативный метод)/ Н.В.Кузнецов, В.В.Митор, И.Е.Дубовский, Э.С.Карасина. –М.: Энергия, 1973. –295с.
3 Методические указания по проектированию топочных устройств энергетических котлов: С-Петербург. 1996 г. 270 с.
Учебно-методическое издание
Поверочный расчет горелочных устройств
Автор-составитель
Мацнев Вячеслав Владимирович
Редактор
Лицензия ЛР №020815 от 21.09.98.
Подписано в печать Формат 60 x 84 1/16.
Усл.печ.л. Уч.-изд.л.
Тираж 100 экз. Заказ № Издательско –полиграфический
центр Новгородского государственного университета имени Ярослава Мудрого.
173003, Великий Новгород, ул. Б.Санкт-Петербургская,41.
Отпечатано в ИПЦ НовГУ. 173003, Великий Новгород, ул. Б.Санкт-Петербургская,41.
, ккал/м3