Изучение архитектурных ордеров рекомендуется проводить последовательно: сначала рассматривать их в общих, крупных чертах (массах), а затем переходить к детальному исследованию каждого ордера.
Построение ордеров в массах – это упрощенное их изображение, в котором исключаются мелкие подробности, и все кривые линии условно заменяются прямыми (рис 2, 3).
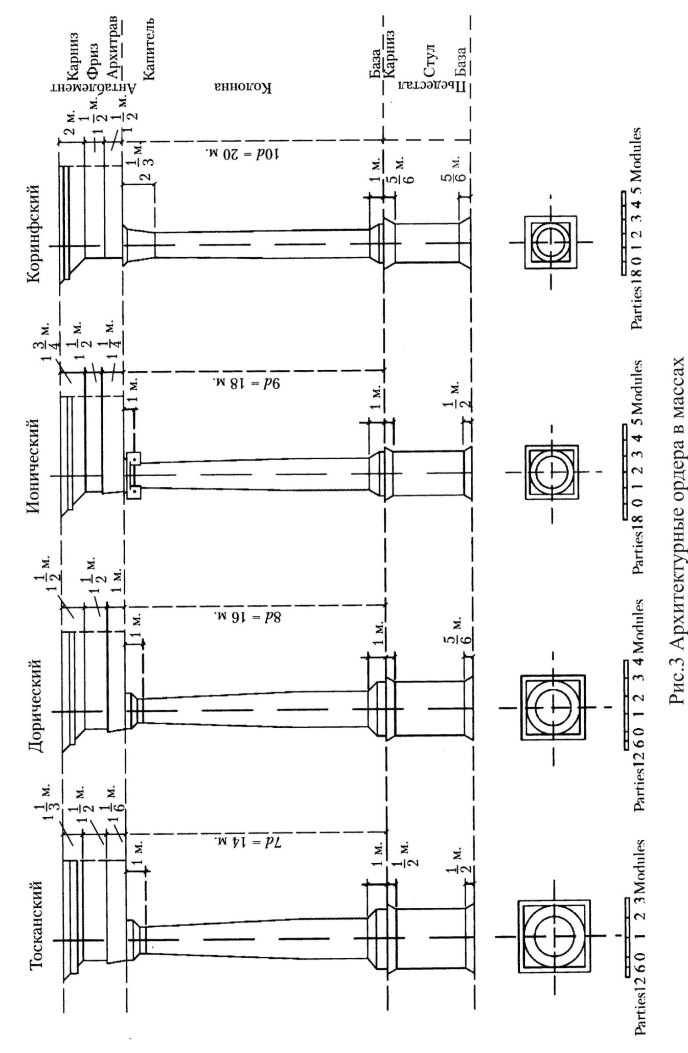
В связи с тем, что основные пропорции композитного ордера такие же, как и коринфского, а по богатству отделки и оригинальности он мало отличается от ионического и коринфского, подробному анализу подлежат четыре ордера – тосканский, дорический, ионический и коринфский (рис.1).
Все части ордера имеют определенные размеры, которые находятся в строгом взаимном соотношении. Правильное соотношение между высотой колонны и антаблемента зодчие искали в течение многих веков. Изучая эти размеры по сохранившимся древним зданиям, теоретик эпохи ВозрожденияВиньола вывел некоторые средние простые отношения, которые сделались общепринятыми.
|
|
|


По Виньоле высота антаблемента составляет 1/4, а высота пьедестала – 1/3 часть высоты колонны. Следовательно, для определения основных частей ордера надо всю его высоту разделить на 3 неравные части, пропорциональные 1/4:1:1/3 или 3:12:4 (приведя дроби к общему знаменателю). Складывая эти части, получим 19, т.е. разделив всю высоту на 19 частей, 3 верхние части отделяем на антаблемент; 12 средних частей – на колонну и 4 нижних – на пьедестал.
Рассмотрим в отдельности каждую часть, вошедшую в состав ордера.При сравнении представленных в табл. 1 четырех ордеров в массах видно, что тосканская колонна отличается от других типов колонн большей массивностью и тяжеловесностью пропорций. Толщина ее равна 1/7 высоты. Толщина дорической колонны несколько меньше и равняется 1/8 высоты, ионической – 1/9, коринфской – 1/10.
Так как все части ордера по своим размерам зависят одна от другой, здесь нет места абсолютным величинам таким, как метр, сантиметр.
В каждом отдельном случае за единицу меры надо принять какую-либо часть ордера. Такой частью стали считать нижний радиус колонны и назвали эту меру МОДУЛЕМ. Для изображения мелких деталей ордера модуль делится на части, называемые ПАРТАМИ; в тосканском и дорическом ордерах их 12, а в ионическом и коринфском – 18 парт.
Уяснив себе, что такое модуль и пользуясь данными таблицы 1, в которой приведены в модулях размеры основных частей ордера, можно продолжить построение ордеров в массах.
Таблица 1
Построение архитектурных ордеров в массах

Колонна представляет собой круглый столб, несколько утоняющийсякверху.
Это утонение составляет 1/6 часть от нижней толщины колонны и обычно начинается с одной третьей части ее высоты, нижняя же треть колонны делается цилиндрической. Таким образом, верхний диаметр колонны составляет 5/6 нижнего диаметра. При вычерчивании колонны в небольшом масштабе утоняющаяся часть показывается слегка наклонными линиями. При значительном масштабе утонение делается по плавной кривой, называемой ЭНТАЗИСОМ.
|
|
|
Наметив главную среднюю часть колонны, называемую СТЕРЖНЕМ или СТВОЛОМ, можно перейти к построению нижней ее части – БАЗЫ, а затем верхней – КАПИТЕЛИ.
Высота баз у всех ордеров равняется одному модулю. База состоит из двух частей: нижняя часть – квадратная плита – ПЛИНТ – составляет основание базы; верхняя часть – КОЛЬЦО, круглое в плане, – переход от стержня колонны к плинту (рис. 2).
В тосканском и дорическом ордерах кольцо и плинт равны по величине и кольцо в массах изображается наклонной линией, расширяющейся книзу под углом 45 °, В ионическом и коринфском ордерах кольцо составляет 2/3 высоты базы и расширение его книзу показывается под углом 60°.
Верхняя часть колонны называется КАПИТЕЛЬЮ.
Высота капителей тосканского и дорического ордеров, как баз, равна одному модулю. Капитель состоит из трех, одинаковой ширины, частей. Верхняя часть – квадратная плита – АБАКА; средняя – круглая в плане в виде полувала – ЭХИН; нижняя – продолжение стержня колонны – ШЕЙКА. Разделив высоту капители на три равные части, следует рассматривать шейку как продолжение стержня колонны; эхин показывается наклонной линией, расширяющейся кверху под углом 45°; абака изображается вертикальной линией непосредственно от наклонной эхина.
Капитель ионического ордера имеет особые спиральные завитки – ВОЛЮТЫ и сильно отличается от других капителей. Она имеет абак и вал, не имеет шейки, а высота капители равняется 2/3 модуля. Построение ее в массах производится следующим образом. Откладывается общая величина капители – 2/3 модуля, а затем абака – 1/6 модуля. На линии низа капители – на расстоянии I модуля от оси колонны находятся центры волют. Условно волюты изображаются в виде прямоугольника. При этом соблюдаются величины удаления сторон прямоугольника от центра волюты: по вертикали вверх – 9 парт, вниз – 7 парт; по горизонтали дальше от оси колонны – 8 парт, ближе к оси – 6 парт. При весьма незначительном модуле допускается волюты изображать в форме квадрата со стороной, равной одному модулю (рис. 4,а).
Высота коринфской капители – 2 и1/3 модуля; 1/3 модуля приходится на абак и 2 модуля на остальную часть капители, имеющую сложную обработку в виде двух рядов листьев и вырастающих из них завитков. Ширина абака составляет три модуля. После откладывания в одну и другую сторону от оси по 11/2 модуля из зафиксированных точек проводят наклонные под углом 45° к оси колонны до пересечения с нижней линией абака, а затем продолжают их до соединения с верхом ствола колонны (рис. 4,б).

Рис.4Капители в массах: а) ионическая; б) коринфская
Переходя к построению антаблемента, необходимо помнить ПРАВИЛО НЕСВЕШИВАЕМОСТИ, состоящее в том, что верхние части архитектурных элементов не должны быть шире нижних, т.е. на всяком изображении угловой колонны вертикальная линия угла антаблемента должна соответствовать продолжению очертания ствола колонны. Те архитектурные части, которые в силу особых причин имеют расширения кверху, не должны нести никакой нагрузки (свешивающаяся часть карниза).
Антаблемент состоит из трех частей: АРХИТРАВА, ФРИЗА И КАРНИЗА.
Архитрав – первая существенная часть антаблемента, представляющая собой горизонтальные балки, которыми перекрывают пространство между колоннами. В первых двух ордерах архитравы имеют очень простую форму и величина их равна 1 модулю. В ионическом ордере эта форма расчленена на три полосы и завершается профилем наверху. Соответственно увеличена высота архитрава – до 1 и 1/4 модуля.
|
|
|
В коринфском ордере архитрав подучил еще большее развитие и имеет высоту 1 и 1/2 модуля. Учитывая, что во всех ордерах в верхней части архитрава имеются выступающие элементы, условно при изображении этой части ордера в массах линия архитрава слегка расширяется кверху. Над архитравом помещается средняя часть антаблемента – фриз. Для всех четырех ордеров фриз показывается вертикальной линией, совпадающей с линией продолжения ствола колонны. Размер фриза выполняется по данным, приведенным в таблице 1.
Над фризом находится верхняя часть антаблемента – карниз.
Это одна из важнейших архитектурных форм, имеющая расширение кверху, которое объясняется особым назначением карнизной части ордера или здания. Если бы стена здания заканчивалась наверху гладко, без каких-либо выступающих частей и от неенепосредственно начиналась бы крыша, то пыль вместе с атмосферной влагой потекла бы с крыши по стенам здания. Во избежание этого в верхней части стены укладываются каменные плиты, выступающие вперед из плоскости стен, и от этих плит начинается крыша. Такие выступающие каменные плиты составляют СВЕШИВАЮЩУЮСЯ ЧАСТЬ КАРНИЗА (рис.5). Благодаря свешивающимся карнизным плитам вода с крыши течет по наружной вертикальной плоскости этих плит вниз, в некотором отдалении от стены. Однако вследствие свойства воды, часть жидкости, отдуваемая ветром, может попадать на стену. Чтобы этого не случилось – в нижней поверхности свешивающейся каменной плиты делается углубление. Капли воды, достигнув выемки в плите, подняться вверх не могут и как слезы капают вниз. Это сходство послужило поводом к тому, чтобы дать желобку в камне название СЛЕЗНИК, а сам камень назвать СЛЕЗНИКОВЫМ КАМНЕМ.

Рис.5 Элементы карниза
Стремление возможно больше выдвинуть вперед эту свешивающуюся часть и обеспечить ей равновесие привело к устройству уширения стены под слезниковыми камнями, которое получило название ПОДДЕРЖИВАЮЩЕЙ ЧАСТИ КАРНИЗА.
|
|
|
Для предохранения от подтеков воды, ярко освещенной солнцем наружной поверхности слезникового камня, часть кровли, находящаяся непосредственно на слезнике, выполняется в виде художественно обработанного желоба. Эта часть карниза называется ВЕНЧАЮЩЕЙ. Обычно она декорирована львиными головами и орнаментом.
Таким образом, карниз состоит из трех частей: поддерживающей, выступающей и венчающей. Величина каждой части карниза указана в таблице. При построении в массах вынос карниза условно принимается равным его ширине, так что самая выступающая точка определяется проведением наклонной линии под углом 45° от нижней части карниза. Средняя часть карниза выступает вперед, имея свес в виде горизонтальной прямой, составляющей нижнюю часть слезникового камня.
Изображение пьедесталов не представляет трудностей и подробно не описывается. Необходимо только помнить, что базы являются очень важными конструктивными частями ордера и ширина пьедестала должна равняться ширине нижней части базы колонны.
Изучив все четыре ордера в главных чертах или в массах, дальнейшее исследование их должно идти по пути рассмотрения отдельных деталей.






