Приложение 1
Исходные данные для разработки расчетно-конструктивной схемы здания
Таблица П1.1 - Размер привязки a колонн крайнего ряда к продольной разбивочной оси в
одноэтажных зданиях
| Основной показатель | Привязка |
| А. Здания (пролёты) со сборным железобетонным и смешанным каркасом без мостовых и подстропильных конструкций: во всех случаях | Нулевая (рис.П1.1,а) |
| Б. Здания (пролеты) со сборным железобетонным и смешанным каркасом, с мостовыми кранами: Ш = 6 м; H≤14.4 м Ш = 6 м; H>14.4 м Ш = 12 м (при любой высоте) | Нулевая (рис.П1.1,а) a=250 мм (рис.П1.1,б) a=250 мм (рис.П1.1,б) |
| В. Здания (пролеты) со сборным железобетонным и смешанным каркасом без мостовых кранов и с мостовыми кранами: при наличии подстропильных конструкций | а=250 (рис.П1.1,б) |

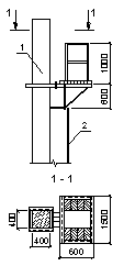
Рисунок П1.1 - Схемы привязок крайних колонн к продольным осям: а – нулевая; б – 250 мм

Рисунок П1.2 - Узлы примыкания температурно-деформационных блоков одноэтажного каркасно-панельного здания с указанием вставок между осями: а - при устройстве поперечного температурного шва между блоками без вставки; б – в продольном температурном шве при одинаковой высоте смежных блоков; в – в случае примыкания поперечного пролета к продольным
|
|
|
Таблица П1.2 - Вставка C1 в продольном температурном шве при одинаковой высоте смежных параллельных пролетов (рис.1.2,б)
| Таблица П.1.3 - Вставка С2 в примыкании поперечного пролета к продольным (рис.П1.2,в)
|

Рисунок П1.3 - Компоновка нижней части панельных стен

Рисунок П1.4 - Компоновка верхней части панельных стен с парапетом при различной высоте опорной части стропильных конструкций покрытия
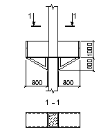
Таблица П1.4 - Маркировка и основные параметры колонн для бескрановых зданий
| Эскиз | Марка | Отметка верха колонны, м | Размеры, м | Масса, т | ||
| длина, L | ширина, b | высота, h | ||||
| Крайние колонны | ||||||
| К30-I | 3,8 | 0,3 | 0,3 | 0,9 | ||
| К36-I | 3,6 | 4,4 | 0,3 | 0,3 | ||
| К42-I | 4,2 | 5,0 | 0,3 | 0,3 | 1,1 | |
| Продолжение табл. П1.4 | ||||||
| К48-I | 4,8 | 5,6 | 0,3 | 0,3 | 1,4 |
| К48-I2 | 4,8 | 5,6 | 0,3 | 0,4 | 1,8 | |
| К54-I | 5,4 | 6,2 | 0,3 | 0,3 | 1,5 | |
| К60-I | 6,0 | 6,8 | 0,3 | 0,4 | ||
| К72-I | 7,2 | 8,1 | 0,4 | 0,4 | 3,3 | |
| К72-37 | 7,2 | 8,1 | 0,5 | 0,5 | 5,1 | |
| К84-I | 8,4 | 9,3 | 0,4 | 0,4 | 3,8 | |
| К84-I5 | 8,4 | 9,3 | 0,4 | 0,5 | 4,7 | |
| К84-6I | 8,4 | 9,3 | 0,5 | 0,5 | 5,8 | |
| К96-I | 9,6 | 10,5 | 0,4 | 0,4 | 4,2 | |
| К96-I0 | 9,6 | 10,5 | 0,4 | 0,5 | 5,4 | |
| К96-52 | 9,6 | 10,5 | 0,5 | 0,5 | 6,8 | |
| К108-I | 10,8 | 11,7 | 0,4 | 0,5 | 5,9 | |
| К108-I5 | 10,8 | 11,85 | 0,4 | 0,7 | 8,3 | |
| К120-I | 12,0 | 12,9 | 0,4 | 0,5 | 6,5 | |
| К120-I9 | 12,0 | 13,05 | 0,4 | 0,7 | 9,2 | |
| К132-I | 13,2 | 14,1 | 0,4 | 0,6 | 8,5 | |
| К132-5 | 13,2 | 14,25 | 0,4 | 0,8 | 11,4 | |
| К144-I | 14,4 | 15,3 | 0,4 | 0,6 | 9,2 | |
| К144-6 | 14,4 | 15,45 | 0,4 | 0,8 | 12,4 | |
| Средние колонны | ||||||
| К30-6 | 3,8 | 0,3 | 0,3 | 0,9 | |
| К36-7 | 3,6 | 4,4 | 0,3 | 0,3 | 1,1 | |
| К42-7 | 4,2 | 5,0 | 0,3 | 0,3 | 1,2 | |
| К48-24 | 4,8 | 5,6 | 0,3 | 0,3 | 1,3 | |
| К48-30 | 4,1* | 4,9* | 0,3 | 0,4 | 1,8 | |
| К48-39 | 4,1* | 4,9* | 0,4 | 0,5 | 2,6 | |
| К54-I0 | 5,4 | 6,2 | 0,3 | 0,3 | 1,5 | |
| К60-I6 | 6,0 | 6,8 | 0,3 | 0,4 | 2,1 | |
| К60-21 | 5,3* | 6,1* | 0,4 | 0,4 | 2,8 | |
| К60-37 | 5,3* | 6,1* | 0,5 | 0,5 | ||
| К72-I3 | 7,2 | 8,1 | 0,4 | 0,4 | 3,3 | |
| К72-29 | 6,5* | 7,4* | 0,5 | 0,5 | 4,8 | |
| К84-I9 | 8,4 | 9,3 | 0,4 | 0,5 | 4,7 | |
| К84-47 | 7,7* | 8,6* | 0,5 | 0,5 | 45,5 | |
| К84-6I | 8,4* | 9,3* | 0,5 | 0,6 | 6,5 | |
| К96-I8 | 9,6 | 10,5 | 0,5 | 0,5 | 6,6 | |
| К96-41 | 8,9* | 9,8* | 0,5 | 0,6 | 7,4 | |
| К108-2I | 10,8 | 11,85 | 0,4 | 0,7 | 8,3 | |
| К108-22 | 10,1* | 11,15* | 0,4 | 0,7 | 7,8 | |
| К120-25с | 12,0 | 13,05 | 0,4 | 0,7 | 9,2 | |
| К120-25 | 11,3* | 12,35* | 0,4 | 0,7 | 9,2 | |
| К132-8с | 13,2 | 14,25 | 0,4 | 0,8 | 11,4 | |
| К132-8 | 12,5* | 13,55* | 0,4 | 0,8 | 10,9 | |
| К144-9с | 14,4 | 15,45 | 0,4 | 0,8 | 12,4 | |
| К144-9 | 13,7* | 14,75* | 0,4 | 0,8 | 11,8 |
Средние колонны, отмеченные *, укорочены сверху на 700 мм и используются при наличии подстропильных конструкций.
|
|
|
Таблица П1.5 - Маркировка и основные параметры колонн прямоугольного сечения для зданий с мостовыми кранами
| Эскиз | Марка | Q, т | Отметка верха колонны (головки рельса), м | Размеры, м | Масса, т | ||
| длина, L (L1) | ширина, b | высота, h1(h2) | |||||
| Крайние колонны | |||||||
| Шаг крайних и средних колонн 6 м | ||||||
| КП I –I | 8,4(6,15) | 9,4(3,2) | 0,4 | 0,38(0,6) | 5,3 | ||
| КП I -5 | 10;20 | 9,6(6,95) | 10,6(3,8) | 0,4 | 0,38(0,8) | 7,1 | |
| КП I –I0 | 10;20 | 10,8(8,15) | 11,8(3,8) | 0,4 | 0,38(0,8) | ||
| Шаг крайних и средних колонн 12 м | |||||||
| КП I –I5 | 8,4(6,15) | 9,4(3,8) | 0,5 | 0,6(0,8) | 9,3 | ||
| КП I –21 | 10,20 | 9,6(6,95) | 10,6(4,2) | 0,5 | 0,6(0,8) | 10,4 | |
| КП I –27 | 10,20 | 10,8(8,15) | 11,8(4,2) | 0,5 | 0,6(0,8) | 11,6 | |
| Средние колонны | |||||||
| Шаг крайних и средних колонн 6 м | ||||||
| КП I -3 | 8,4(6,15) | 9,4(3,2) | 0,4 | 0,6(0,6) | |||
| КП I -8 | 10;20 | 9,6(6,95) | 10,6(3,8) | 0,4 | 0,6(0,8) | 9,2 | |
| КП I –I3 | 10;20 | 10,8(8,15) | 11,8(3,8) | 0,4 | 0,6(0,8) | 10,1 | |
| Шаг крайних и средних колонн 12 м | |||||||
| КП I –I8 | 8,4(6,15) | 9,4(3,8) | 0,5 | 0,6(0,8) | 10,7 | ||
| КП I –24 | 10,20 | 9,6(6,95) | 10,6(4,2) | 0,5 | 0,6(0,8) | 11,8 | |
| КП I –30 | 10,20 | 10,8(8,15) | 11,8(4,2) | 0,5 | 0,6(0,8) | ||
| Шаг крайних колонн 6 м, а средних - 12 м | |||||||
| КП I –33 | 7,7*(6,15) | 8,7*(3,1*) | 0,5 | 0,6(0,8) | 10,1 | ||
| КП I –36 | 10,20 | 8,9*(6,95) | 9,9*(3,5*) | 0,5 | 0,6(0,8) | 11,2 | |
| КП I –39 | 10,20 | 10,1* (8,15) | 11,1* (3,5*) | 0,5 | 0,6(0,8) | 12,4 |
Средние колонны, отмеченные *, укорочены сверху на 700 мм и используются при наличии подстропильных конструкций.
Таблица П1.6 - Маркировка и основные параметры двухветвевых колонн для зданий с мостовыми кранами
| Эскиз | Марка | Q, т | Отметка верха колонны (головки рельса), м | Размеры, м | Масса, т | |
| длина, L (L1) | ширина, b | высота, h1(h2) | ||||
| Крайние колонны | ||||||
| Шаг крайних и средних колонн 6 м | |||||
| КД I I –I | 10;20 | 10,8(8,15) | 11,85(3,8) | 0,4 | 0,38(1) | 5,7 |
| - | 10;20 | 12(9,35) | 13,35(3,8) | 0,4 | 0,38(1) | 6,8 |
| - | 30;50 | 13,2(8,65) | 13,35(4,7) | 0,5 | 0,38(1) | 8,2 |
| - | 10;20 | 13,2(10,55) | 14,55(3,8) | 0,5 | 0,38(1) | |
| - | 30;50 | 13,2(9,85) | 14,55(4,7) | 0,5 | 0,38(1) | 8,1 |
| КД I I –I5 | 10;20 | 14,4(11,75) | 15,75(3,8) | 0,5 | 0,38(1) | 9,7 |
| - | 30;50 | 14,4(11,05) | 15,75(4,7) | 0,5 | 0,6(1,3) | 13,1 |
| - | 30;50 | 15,6(12,25) | 16,95(4,7) | 0,5 | 0,6(1,3) | 14,2 |
| - | 30;50 | 16,8(13,45) | 18,15(4,7) | 0,5 | 0,6(1,3) | 14,8 |
| КД I I –30 | 30;50 | 18(14,65) | 19,35(4,7) | 0,5 | 0,6(1,3) | 16,3 |
| Шаг крайних колонн и стропильных ферм 12 м | ||||||
| КД I I –37 | 10,20 | 10,8(8,15) | 11,85(4,2) | 0,5 | 0,6(1,3) | |
| - | 10,20 | 12(9,35) | 13,35(4,2) | 0,5 | 0,6(1,3) | 11,3 |
| - | 30,50 | 12(8,65) | 13,35(5,1) | 0,5 | 0,6(1,3) | 11,4 |
| - | 10;20 | 13,2(10,55) | 14,55(4,2) | 0,5 | 0,6(1,3) | 12,5 |
| - | 30;50 | 13,2(9,85) | 14,55(5,1) | 0,5 | 0,6(1,4) | 12,5 |
| КД I I –49 | 10;20 | 14,4(11,75) | 15,75(4,2) | 0,5 | 0,6(1,4) | 14,7 |
| - | 30;50 | 14,4(11,05) | 15,75(5,1) | 0,5 | 0,6(1,4) | 14,6 |
| - | 30;50 | 15,6(12,25) | 16,95(5,1) | 0,5 | 0,6(1,4) | |
| - | 30;50 | 16,8(13,45) | 18,15(5,1) | 0,5 | 0,6(1,4) | 16,9 |
| - | 30;50 | 18(14,65) | 19,35(5,1) | 0,5 | 0,6(1,4) | 21,8 |
| Средние колонны | ||||||
| Шаг средних колонн и стропильных ферм 12 м | |||||
| КД I I –39 | 10,20 | 10,8(8,15) | 11,85(4,2) | 0,5 | 0,6(1,4) | 11,7 |
| - | 10,20 | 12(9,35) | 13,35(4,2) | 0,5 | 0,6(1,4) | 13,2 |
| - | 30,50 | 12(8,65) | 13,35(5,1) | 0,5 | 0,6(1,4) | 13,3 |
| - | 10;20 | 13,2(10,55) | 14,55(4,2) | 0,5 | 0,6(1,4) | 14,5 |
| - | 30;50 | 13,2(9,85) | 14,55(5,1) | 0,6 | 0,6(1,4) | |
| КД I I –53 | 10;20 | 14,4(11,75) | 15,75(4,2) | 0,6 | 0,6(1,4) | 18,5 |
| - | 30;50 | 14,4(11,05) | 15,75(5,1) | 0,6 | 0,7(1,9) | 21,7 |
| - | 30;50 | 15,6(12,25) | 16,95(5,1) | 0,6 | 0,7(1,9) | 24,1 |
| - | 30;50 | 16,8(13,45) | 18,15(5,1) | 0,6 | 0,7(1,9) | 25,4 |
| КД I I –67 | 30;50 | 18(14,65) | 19,35(5,1) | 0,5 | 0,7(1,9) | 26,6 |
| Шаг средних колонн 12 м. а стропильных ферм – 6м | ||||||
| КД I I –3 | 10;20 | 10,1* (8,15) | 11,15* (3,5*) | 0,5 | 0,6(1,4) | 11,2 |
| - | 10;20 | 11,3* (9,35) | 12,65* (3,5*) | 0,5 | 0,6(1,4) | 12,7 |
| - | 30;50 | 11,3* (8,65) | 12,65* (4,4*) | 0,5 | 0,6(1,4) | 12,8 |
| - | 10;20 | 12,5* (10,55) | 13,85* (3,5*) | 0,5 | 0,6(1,4) | |
| - | 30;50 | 12,5* (9,85) | 13,85* (4,4*) | 0,6 | 0,6(1,4) | 16,5 |
| КД I I –19 | 10;20 | 13,7* (11,75) | 15,05* (3,5*) | 0,6 | 0,6(1,4) | 17,9 |
| 30;50 | 13,7* (11,05) | 15,05* (4,4*) | 0,6 | 0,7(1,9) | ||
| 30;50 | 14,9* (12,25) | 16,25* (4,4*) | 0,6 | 0,7(1,9) | 23,4 | |
| 30;50 | 16,1* (13,45) | 17,45* (4,4*) | 0,6 | 0,7(1,9) | 24,6 | |
| 30;50 | 17,3* (14,65) | 18,65* (4,4*) | 0,6 | 0,7(1,9) | 25,9 |
Примечания: - средние колонны, отмеченные *, укорочены сверху на 700 мм и используются при наличии подстропильных конструкций;
- Q – грузоподъемность мостовых кранов.
Таблица П1.7 - Маркировка и основные параметры подкрановых балок
|
|
|
| Марка | Шаг колонн, м | Величина пролета, м | Грузоподъемность, т | Размеры, м | Масса, т | ||
| длина | ширина | высота | |||||
| БКНА 6-1с | 18;24 | 5,95 | 0,55 | 0,8 | 2,9 | ||
| БКНА 6-2с | 18;24;30 | 5,95 | 0,6 | 4,2 | |||
| БКНА 6-3с | 18;24;30 | 5,95 | 0,6 | 4,2 | |||
| БКНА 6-4с | 18;24;30 | 5,95 | 0,6 | 4,2 | |||
| БКНА 12-1с | 18;24;30 | 0,65 | 1,4 | 10,7 | |||
| БКНА 12-2с | 18;24;30 | 0,65 | 1,4 | 10,7 | |||
| БКНА 12-3с | 18;24;30 | 0,65 | 1,4 | 10,7 | |||
|
Таблица П1.8 - Маркировка и основные параметры балок для плоских покрытий
| Марка | Пролет, м | Размеры, м | Масса, т | ||||||
| b | b1 | h | h1 | h2 | h3 | h4 | |||
| БПП-12-1 | 0,34 | 0,22 | 1,2 | 0,12 | 0,04 | 0,08 | 0,11 | 4,7 | |
| БПП-12-3 | 0,34 | 0,24 | 1,2 | 0,15 | 0,04 | 0,08 | 0,18 | 5,3 | |
| БПП-18-1 | 0,36 | 0,28 | 1,5 | 0,19 | 0,08 | 0,1 | 0,19 | 10,6 | |
| БПП-18-3 | 0,36 | 0,28 | 1,5 | 0,21 | 0,1 | 0,1 | 0,28 | ||
|
Таблица П1.9 - Маркировка и основные параметры балок для скатных покрытий
| Марка | Пролет, м | Размеры, м | Масса, т | |||||
| b | b1 | h | h1 | h2 | h3 | |||
| 1Б4-12-1 | 0,21 | 0,18 | 1,29 | 0,19 | 0,02 | 0,03 | 4,1 | |
| 1Б4-18-1 | 0,4 | 0,27 | 1,54 | 0,16 | 0,02 | 0,06 | 9,1 | |
|
Таблица П1.10 - Маркировка и основные параметры решетчатых балок для скатных покрытий
| Марка | Пролет, м | Размеры, м | Масса, т | ||||
| L | b | h | h1 | h2 | |||
| 1БДР12-1 | 11,96 | 0,2 | 1,39 | 0,24 | 0,24 | 4,7 | |
| 1БДР12-4 | 11,96 | 0,2 | 1,39 | 0,36 | 0,36 | 5,4 | |
| 1БДР18-1 | 17,96 | 0,2 | 1,64 | 0,36 | 0,32 | 8,5 | |
| 1БДР18-2 | 17,96 | 0,24 | 1,64 | 0,36 | 0,36 | 10,4 | |
| 1БДР18-4 | 17,96 | 0,28 | 1,64 | 0,36 | 0,36 | 12,1 | |
|
Таблица П1.11 - Маркировка и основные параметры стропильных ферм
| Марка | Пролет, м | Шаг ферм,м | Нагрузка, кгс/м2 | Размеры, м | Масса, т | ||||
| L | b | h | h н | h в | |||||
| ФБ18 I-1 | 250-350 | 17,94 | 0,24 | 0,22 | 0,2 | 6,9 | |||
| ФБ18 II -4 | 17,94 | 0,24 | 0,28 | 0,25 | 8,1 | ||||
| ФБ18 III -7 | 300-400 | 17,94 | 0,28 | 0,28 | 0,25 | 9,8 | |||
| ФБ18 IV -9 | 450-500 | 17,94 | 0,28 | 0,34 | 0,3 | ||||
| ФБ24 I -1 | 23,94 | 0,24 | 3,3 | 0,22 | 0,2 | 9,8 | |||
| ФБ24 II -3 | 350-400 | 23,94 | 0,24 | 3,3 | 0,28 | 0,25 | |||
| ФБ24 III -5 | 23,94 | 0,24 | 3,3 | 0,34 | 0,3 | 12,2 | |||
| ФБ18 IV -8 | 17,94 | 0,28 | 3,3 | 0,34 | 0,3 | ||||
| ФБ18 V -11 | 450-500 | 17,94 | 0,28 | 3,3 | 0,46 | 0,42 | |||
|
Таблица П1.12 - Маркировка и основные параметры подстропильных балок и ферм
| Марка | Пролет, м | Размеры, м | Масса, т | ||
| L | b | h | |||
| Подстропильная балка | |||||
| БП-1 | 11,96 | 0,7 | 1,5 | ||
| |||||
| Продолжение табл. П1.12 | |||||
| Подстропильная ферма для скатных покрытий | |||||
| ФП-1 | 11,96 | 0,55 | 2,22 | 11,3 | |
| |||||
| Подстропильная ферма для малоуклонных покрытий | |||||
| ФП-2 | 11,96 | 0,5 | 3,42 | 9,4 | |
|
Таблица П1.13 - Маркировка и основные параметры плит покрытия
|
|
|
| Марка | Номинальный размер, м | Размеры, м | Масса, т | ||
| L | b | h | |||
| Плиты покрытия длиной 6 м | |||||
| 3х6 | 5,97 | 2,98 | 0,3 | 2,6 |
| |||||
| 1,5х6 | 5,97 | 1,49 | 0,3 | 1,5 |
| |||||
| Продолжение табл. П1.13 | |||||
| Плиты покрытия длиной 12 м | |||||
| 3х12 | 11,96 | 2,98 | 0,45 | 5,7 |
| 3х12 | 11,96 | 2,98 | 0,45 | |
| |||||
| 1,5х12 | 11,96 | 1,48 | 0,45 | 5,1 |
|
Таблица П1.14 - Маркировка и основные параметры рядовых стеновых панелей
| Марка | Номинальный размер, м | Размеры, м | Масса, т | ||
| L | b | h | |||
| Стеновые панели длиной 12 м | |||||
| ПСЛ 20-1 | 12х0,9 | 11,98 | 0,2 | 0,885 | |
| ПСЛ 20-2 | 12х1,2 | 11,98 | 0,2 | 1,185 | |
| ПСЛ 20-3 | 12х1,8 | 11,98 | 0,2 | 1,785 | |
| ПСЛ 24-1 | 12х0,9 | 11,98 | 0,2 | 0,885 | 3,5 |
| ПСЛ 24-2 | 12х1,2 | 11,98 | 0,2 | 1,185 | 4,8 |
| ПСЛ 24-3 | 12х1,8 | 11,98 | 0,2 | 1,785 | 7,1 |
| Стеновые панели длиной 6 м из ячеистого бетона | |||||
| ПСЯ 16-1 | 6х0,9 | 5,98 | 0,16 | 0,885 | 0,7 |
| ПСЯ 16-2 | 6х1,2 | 5,98 | 0,16 | 1,185 | 0,9 |
| ПСЯ 16-3 | 6х1,8 | 5,98 | 0,16 | 1,785 | 1,4 |
| ПСЯ 20-1 | 6х0,9 | 5,98 | 0,2 | 0,885 | 0,9 |
| ПСЯ 20-2 | 6х1,2 | 5,98 | 0,2 | 1,185 | 1,2 |
| ПСЯ 20-3 | 6х1,5 | 5,98 | 0,2 | 1,485 | 1,4 |
| ПСЯ 20-4 | 6х1,8 | 5,98 | 0,2 | 1,785 | 1,7 |
| ПСЯ 24-1 | 6х0,9 | 5,98 | 0,24 | 0,885 | |
| Продолжение табл. П1.14 | |||||
| ПСЯ 24-2 | 6х1,2 | 5,98 | 0,24 | 1,185 | 1,4 |
| ПСЯ 24-3 | 6х1,5 | 5,98 | 0,24 | 1,485 | 1,7 |
| ПСЯ 24-4 | 6х1,8 | 5,98 | 0,24 | 1,785 | 2,1 |
| ПСЯ 30-1 | 6х0,9 | 5,98 | 0,3 | 0,885 | 1,3 |
| ПСЯ 30-2 | 6х1,2 | 5,98 | 0,3 | 1,185 | 1,8 |
| ПСЯ 30-3 | 6х1,5 | 5,98 | 0,3 | 1,485 | 2,2 |
| ПСЯ 30-4 | 6х1,8 | 5,98 | 0,3 | 1,785 | 2,6 |
| Стеновые панели длиной 6 м из легкого бетона | |||||
| ПСЛ 16-1 | 6х0,9 | 5,98 | 0,16 | 0,885 | |
| ПСЛ 16-2 | 6х1,2 | 5,98 | 0,16 | 1,185 | 1,4 |
| ПСЛ 16-3 | 6х1,8 | 5,98 | 0,16 | 1,785 | |
| ПСЛ 20-1 | 6х0,9 | 5,98 | 0,2 | 0,885 | 1,2 |
| ПСЛ 20-2 | 6х1,2 | 5,98 | 0,2 | 1,185 | 1,6 |
| ПСЛ 20-3 | 6х1,5 | 5,98 | 0,2 | 1,485 | |
| ПСЛ 20-4 | 6х1,8 | 5,98 | 0,2 | 1,785 | 2,5 |
| ПСЛ 24-1 | 6х0,9 | 5,98 | 0,24 | 0,885 | 1,5 |
| ПСЛ 24-2 | 6х1,2 | 5,98 | 0,24 | 1,185 | 1,9 |
| ПСЛ 24-3 | 6х1,5 | 5,98 | 0,24 | 1,485 | 2,2 |
| ПСЛ 24-4 | 6х1,8 | 5,98 | 0,24 | 1,785 | 2,9 |
| ПСЛ 30-1 | 6х0,9 | 5,98 | 0,3 | 0,885 | 1,8 |
| ПСЛ 30-2 | 6х1,2 | 5,98 | 0,3 | 1,185 | 2,3 |
| ПСЛ 30-3 | 6х1,5 | 5,98 | 0,3 | 1,485 | 2,9 |
| ПСЛ 30-4 | 6х1,8 | 5,98 | 0,3 | 1,785 | 3,5 |
| Стеновые панели длиной 6 м трехслойные | |||||
| ПСТ 28-1 | 12х0,9 | 5,98 | 0,28 | 0,885 | 1,4 |
| ПСТ 28-2 | 12х1,2 | 5,98 | 0,28 | 1,185 | 1,8 |
| ПСТ 28-3 | 12х1,8 | 5,98 | 0,28 | 1,785 | 2,6 |
| ПСТ 30-1 | 12х0,9 | 5,98 | 0,3 | 0,885 | 1,5 |
| ПСТ 30-2 | 12х1,2 | 5,98 | 0,3 | 1,185 | 1,8 |
| ПСТ 30-3 | 12х1,8 | 5,98 | 0,3 | 1,785 | 2,7 |
Таблица П1.15 - Маркировка и основные параметры перемычек
| Марка | Эскиз | Размеры, м | Масса, т | ||
| L | b | h/ h1 | |||
| Брусковые перемычки при толщине кирпича 65 мм | |||||
| 4ПБ 44-8 | | 4,41 | 0,12 | 0,29 | 0,384 |
| 4ПБ 48-8 | 4,8 | 0,12 | 0,29 | 0,418 | |
| 4ПБ 60-8 | 5,96 | 0,12 | 0,29 | 0,519 | |
| Балочные перемычки при толщине кирпича 65 мм | |||||
| 1ПГ 44-8 | | 4,41 | 0,25 | 0,29/0.22 | 0,484 |
| 1ПГ 48-8 | 4,8 | 0,25 | 0,29/0,22 | 0,527 | |
| 2ПГ 42-31 | 4,15 | 0,25 | 0,44/0,22 | 0,845 | |
| 2ПГ 44-31 | 4,41 | 0,25 | 0,44/0,22 | 0,897 | |
| 2ПГ 48-31 | 4,8 | 0,25 | 0,44/0,22 | 0,977 | |
| 6ПГ 44-40 | 4,41 | 0,38 | 0,44/0,22 | 1,528 | |
| Продолжение табл. П1.15 | |||||
| 6ПГ 60-40 | 5,96 | 0,38 | 0,44/0,22 | 2,065 | |
| 8ПГ 60-40 | 5,96 | 0,51 | 0,44/0,22 | 2,917 |
Приложение 2
Таблица П 2.1 - Средние нормы длины сварных швов в стыках
| № п/п | Наименование стыков двух конструкций | Ед. измер. | Количество | Примечание |
| Стык подкрановой балки с колонной | пог. м | 1,2-1,5 | На одну подкрановую балку | |
| Стык стропильной (подстропильной) фермы или балки с колонной | -"- | 0,8-1,2 | На одну ферму или балку | |
| Стык плиты покрытия (перекрытия) с фермой, балкой или ригелем | -"- | 0,2-0,3 | На одну плиту покрытия (перекрытия) | |
| Стык стеновой панели с колонной | -"- | 0,1-0,2 | На одну стеновую панель | |
| Стык ригеля с колонной | -"- | 0,4-0,6 | На один ригель | |
| Стык колонны с колонной | -"- | 0,8-1,0 | На одну колонну | |
| Стык стропильной фермы(балки) с подстропильной фермой(балкой) | -"- | 0,8-1,2 | На одну стропильную ферму (балку) |
Приложение 3
Таблица П 3.1 - Захватные и вспомогательные приспособления для монтажа конструкций
| № п/п | Наименование монтажного приспособления | Назначение монтажного приспособления | Эскиз | Характеристика приспособления | Грузоподъемность, т | ||||||||||||||||
| масса, т | расчетная высота строповки, м | ||||||||||||||||||||
| Траверса унифицированная, ЦНИИОМТП, РЧ–455–69 | Установка колонн, в которых предусмотрено строповочное отверстие. | | 0,08 0,18 0,33 0,42 0,52 | 1,5 1,5 1,5 | |||||||||||||||||
| Полуавтоматический захват для подъема колонн, ПИ Промстальконструкция, 4134М–9 | Монтаж колонн шириной 400 мм, в которых предусмотрено строповочное отверстие. | | 0,135 | 0,5 | |||||||||||||||||
| Продолжение табл. П3.1 | |||||||||||||||||||||
| Траверса для подъема колонн, ПК треста Стальмонтаж, №1095Р-21 | Монтаж колонн с отметкой низа стропильных конструкций до 14,4 м | | 0,338 0,384 | 1,6 1,6 | |||||||||||||||||
| Траверса, ПИ Промстальконструкция, 20527М–13 | Установка двухветвевых колонн. Расстроповка производится с земли. | | 0,24 0,38 0,45 | 1,2 1,6 | |||||||||||||||||
| Траверса для подъема двухветвевых колонн, ПИ Промстальконструкция, 20527М-13 | Установка двухветвевых колонн. Расстроповка производится с земли. | | 0,24 | ||||||||||||||||||
| Траверса для подъема двухветвевых колонн, ПИ Промстальконструкция: 4346Т-51,52 4346Т-53,54,55 | Установка двухветвевых колонн со строповочным отверстием и с отметкой низа стропильных конструкций до 18 м. | | 0,148 0,247 | ||||||||||||||||||
| Траверса, ПК Главстальконструкция, 185 | Установка подкрановых балок длиной 6 м. | | 0,39 | 2,8 | |||||||||||||||||
| Траверса, ПИ Промстальконструкция, 1968Р–9 | Установка подкрановых балок длиной 12 м. | | 0,94 | 3,2 | |||||||||||||||||
| Продолжение табл. П3.1 | |||||||||||||||||||||
| Траверса, КБ Главмосстроя, 7016–17 | Установка подстропильных ферм и балок пролетом 12 м. | | 0,475 | 2,8 | |||||||||||||||||
| Траверса, ПИ Промстальконструкция, 1986Р–7 | Монтаж балок покрытий, подкрановых балок таврового сечения пролетом 12 м | | 0,511 | ||||||||||||||||||
| Траверса, ПИ Промстальконструкция, 15946Р–11,12 | Установка стропильных ферм пролетом 18 м. | | 0,455 | 1,8 | |||||||||||||||||
| Траверса, ПК Стальмонтаж, 1950–53 | Установка стропильных ферм и балок пролетом 18 м. | | 0,46 0,99 | 9,5 9,5 | |||||||||||||||||
| Траверса, ПИ Промстальконструкция, 15946Р–11,12 | Установка стропильных ферм и балок пролетом 24 и 30 м. | | 1,75 | 3,6 | |||||||||||||||||
| Траверса, ПИ Промстальконструкция, 2006–78 | Укладка плит покрытия размерами 1,5х6 и 3х6 м. | | 0,4 0,53 | 0,3 1,6 | |||||||||||||||||
| Траверса, ПИ Промстальконструкция, 1968Р–17 | Укладка плит покрытия размерами 1,5х6 и 3х6 м. | | 0,205 | ||||||||||||||||||
| Траверса, ПИ Промстальконструкция, 15946Р–13 | Укладка плит покрытия размерами 1,5…3х12 м. | | 1,08 | 3,31 | |||||||||||||||||
| Траверса, ПИ Промстальконструкция, 15946Р–10 | Установка панелей стен и перегородок длиной 12 м. | | 0,45 0,45 0,45 | 1,8 1,8 1,8 | 2,5 | ||||||||||||||||
| Продолжение табл. П3.1 | |||||||||||||||||||||
| Строп двухветвевой, ГОСТ 19144–73 | Установка панелей стен и перегородок длиной 6 м. | | 0,01 0,02 | 2,2 | 2,5 | ||||||||||||||||
| Строп четырехветвевой, ПИ Промстальконструкция 21059М–28 | Выгрузка и раскладка различных конструкций. | | 0,09 0,22 | 4,2 9,3 | |||||||||||||||||
| Клиновой вкладыш, ЦНИИОМТП, №7 | Выверка и временное крепление колонн при установке их в фундаменты стаканного типа. | | 0,01 | – | – | ||||||||||||||||
| Кондуктор, ПИ Промстальконструкция, заказ 546а | Временное крепление колонн массой до 8 т в стаканах фундаментов. | | 0,12 | – | – | ||||||||||||||||
| Кондуктор, проектная контора треста Уралстальконструкция, №2801М-5,6,7 | Временное закрепление и выверка двухветвевых колонн массой до 35 т | | 0,446 | 1,4 | - | ||||||||||||||||
| Опорное приспособление, ПКК треста Сибстальконструкция, №2008-01 | Вывод колонны из положения плашмя в вертикальное положение | | 0,077 | - | - | ||||||||||||||||
| |||||||||||||||||||||
| Опорное приспособление, ПКК треста Сибстальконструкция, №2008- 0,2; 0,4 | Для вывода колонны из положения на ребро в вертикальное | | 0,112 | - | - | ||||||||||||||||
| Распорный домкрат, ПКК треста Сибстальконструкция, №Р2008-0,1 | Усиление нижней части двухветвевой колонны при кантовке | | 0,026 | - | - | ||||||||||||||||
| Расчалка, ПИ Промстальконструкция, 2008–09 | Временнное крепление колонн, ферм, балок и т.д. | | 0,1 | – | – | ||||||||||||||||
| Инвентарная распорка, ПИ Промстальконструкция, 4234Р–44 | Временное крепление стропильных ферм при шаге 6 м. | | 0,06 | – | – | ||||||||||||||||
| Инвентарная распорка, Промстрой-проект, 04–00–1 | Временное крепление стропильных ферм при шаге 12 м. | | 0,11 | – | – | ||||||||||||||||
| Приставная лестница с площадкой, ПК Главстальконструкция, 220 | Обеспечение рабочего места на высоте. | | 0,11 | – | – | ||||||||||||||||
| Продолжение табл. П3.1 | |||||||||||||||||||||
| Навесная площадка с подвесной лестницей, ПК Главстальконструкция, 229 | Обеспечение рабочего места на высоте. | | 0,12 | – | – | ||||||||||||||||
| Навесные подмости, ПИ Промстальконструкция | Обеспечение рабочего места на высоте. | | 0,04 | – | – | ||||||||||||||||
| Навесная люлька, ПИ Промстальконструкция, 21059М | Обеспечение рабочего места на высоте. | | 0,06 | – | 0,1 | ||||||||||||||||
| Люлька, ПИ Промстальконструкция, № 4533 | Подъем рабочих, инструмента, материалов при монтаже стеновых панелей длиной 6 м (подвешивается внутри здания) | | 1,154 | - | - | ||||||||||||||||
| Временное ограждение, ПИ Промстальконструкция, 4570Р–2 | Обеспечение рабочего места на высоте. | | – | – | – | ||||||||||||||||
| Продолжение табл. П3.1 | |||||||||||||||||||||
| Монтажный гидроподъемник АГП-12 | Выполнение работ на высоте до 13 м | | 6,308 | 0,2 | |||||||||||||||||
| Монтажный гидроподъемник СПО-15 | Выполнение работ на высоте до 16 м | | 7,972 | 14,6 | 0,2 | ||||||||||||||||
| Вышка строительная ВС-18-МС | Выполнение работ на высоте до 19 м | | 5,3 | 0,25 | |||||||||||||||||
| Вышка строительная ВС-22-МС | Выполнение работ на высоте до 23 м | | 3,2 | 0,25 | |||||||||||||||||
Приложение 4
Таблица П 4.1 - Минимальная длина полиспаста в стянутом состоянии
| Грузоподъемность полиспаста, т | hп,м | |
| нормальные блоки | малогабаритные блоки | |
| 2,1 | 1,79 | |
| 2,55 | 1,98 | |
| 2,66 | 2,11 | |
| 3,11 | 2,14 | |
| 3,25 | 2,24 |
Приложение 5
ДЛИТЕЛЬНОСТЬ РУЧНЫХ ОПЕРАЦИЙ ПРИ МОНТАЖЕ СБОРНЫХ ЭЛЕМЕНТОВ
Таблица П 5.1 - Длительность ручных операций при монтаже сборных железобетонных элементов бескаркасных крупнопанельных зданий с применением простейших монтажных приспособлений
| Наименование элементов | Масса элемента, т | Длительность ручных операций на элемент, мин | |||
| строповки | установки временного крепления | расстроповки | всего | ||
| Стеновые панели: - наружные - внутренние | 2-3 1-2 | 0,7 0,6 | 13,7 | 0,6 0,5 | 14,8 |
| Блоки: - санитарно-технические - вентиляционные | 1,5-2 1-1,5 | 0,5 0,6 | 0,5 0,4 | ||
| Панели перегородок | 1-1,5 | 0,7 | 0,5 | 14,2 | |
| Панели перекрытий | до 1,5 | 0,7 | 4,5 | 0,4 | 5,6 |
Таблица П 5.2 - Длительность ручных операций при монтаже железобетонных элементов бескаркасных крупнопанельных зданий с применением различного усовершенствованного монтажного оснащения
| Наименование элементов | Масса элемент, т | Длительность ручных операций на 1 элемент, мин | ||
| горизонтальных связей и упоров на стальной ленте | горизонтальных разъемных связей | горизонтальных связей и штыревых фиксаторов | ||
| Панели: - наружные стеновые - внутренние стеновые: - поперечные - продольные - базовые - перегородок | 1,5-2,5 1-2 4-4,5 4-4,5 0,3-0,8 | 3,6 2,6 5,5 | 6,4 6,4 - | 6,4 6,4 - |
| Лестничные марши и площадки | до 3 | |||
| Вентиляционные блоки | 1,1 |
Таблица П 5.3 – Длительность ручных операций при монтаже сборных крупноразмерных
железобетонных элементов бескаркасных крупнопанельных зданий повышенной этажности
с применением монтажных приспособлений
| Наименование элементов | Масса элемент, т | Длительность ручных операций на один элемент в мин. | |||
| строповки | установки, выверки и временного закрепления | Расстроповки | всего | ||
| Панели наружных стен размером: - на комнату - на две комнаты | 2,5-3 4,5-6 | 1-5 2-10 | 9,6-11,2 13,6-16,2 | 1,2-1,7 | 11,6-17,2 16,8-27,9 |
| Панели наружных стен размером: - на комнату - на две комнаты | 2,5-3 4,5-6 | 1-5 2-10 | 9,6-11,2 13,6-16,2 | 1,2-1,7 | 11,6-17,2 16,8-27,9 |
| Панели внутренних стен | 2-4,5 | 1,3-2,1 | 3,3-9,1 | 0,9-1,5 | 5,5-12,7 |
| Санитарно-технические кабины | 1,2-1,5 | 8,5 | 1,3 | 11,8 | |
| Лестничные: - марши - площадки | 2-2,5 1-1,5 | 7,2 3,5 | 0,8 0,9 | 5,4 | |
| Продолжение табл. П 5.3 | |||||
| Плиты: - перекрытий - балконов и лоджий | 5-7 0,8-1,2 | 1,6 | 12,5 10,8 | 1,2 | 15,3 12,8 |
| Перегородки | 1-2 | 0,9 | 4,8 | 0,8 | 6,5 |
| Электропанели | 2-2,5 | 1,3 | 7,5 | 9,8 | |
| Вентиляционные блоки, объемные элементы лифтов | 3,5-4,5 | 12,4 | 1,5 | 15,9 |
Таблица П 5.4 – Длительность ручных операций при монтаже сборных железобетонных
элементов каркасно-панельных одноэтажных зданий
| Наименование элементов и монтажных приспособлений | Масса или площадь элемента | Длительность ручных операций на 1 элемент, мин. | |
| строповки | всего | ||
| Колонны, устанавливаемые в стаканы фундаментов при помощи кондукторов, массой до: | 2 т 3 т 4 т | 28,1 31,1 | |
| Продолжение табл. П5.4 | |||
| 6 т 8 т 10 т 15 т 20 т | 40,9 45,5 53,1 64,4 70,1 | ||
| То же, без помощи кондукторов, массой до: т | 1 т 2 т 3 т 4 т 6 т 8 т 10 т 15 т 20 т | 26,6 29,6 35,2 40,9 52,1 56,7 66,4 84,8 88,1 | |
| То же двухветвевые колонны, массой до: | 10 т 20 т 40 т | 70,5 105,2 | |
| Подкрановые балки массой до: | 3 т 5 т 11 т | 39,9 64,3 72,5 | |
| Фермы и балки покрытий пролетом: 9 м 12 м 18 м 24 м 30 м | 32,7 76,6 91,9 107,2 | ||
| Плиты покрытия площадью до: | 1,5 м2 3 м2 5 м2 10 м2 15 м2 20 м2 36 м2 54 м2 | 1,7 1,8 | 2,1 4,6 6,2 10,8 13,3 21,2 27,6 |
| Панели наружных стен площадью до: | 5 м2 10 м2 15 м2 25 м2 | 2,1 2,3 3,5 | 23,5 35,8 57,2 |
| Панели внутренних стен площадью до: | 5 м2 10 м2 15 м2 | 2,1 2,3 | 17,9 22,5 |
Приложение 6
Таблица П 6.1 - Рекомендации по выбору марки электрода и типа сварного шва при работе
с ЕниР, сб.Е22, вып.1
| Вид соединения | Марка электродов | Тип шва |
| Колонна с колонной Колонна с ригелем Колонна с подкрановой балкой Плиты покрытия (перекрытия) с ригелем КПД- стеновые панели, перекрытия Фермы, балки с колоннами Диафрагмы жесткости | УОНИ-13/55,УОНИ-13/45 То же АНО-6, АНО-4, ВН-48 То же То же АНО-6, ВСФ-85 АНО-6, ОЗС-25, ОЗС-24 | С17 С17 Н1 Т1 Т1, Н1 Т1 Т1 |
Примечание: рекомендации даны для ручной дуговой сварки.
Таблица П 6.2 - Нормы времени и расценки на особо тяжелые элементы
| Наименование элементов | Масса элемента, т | Состав звена | Нвр, чел-час | Нмвр, маш-час |
| Фундаментные блоки | Монт.4р-1,3р-3 | 1,5 | ||
| Двухветвевые колонны | Монт.5р-1,4р-1, 3р-3 | 3,00 | ||
| Подкрановые балки | То же | 2,80 |
Приложение 7
Исходные данные, необходимые для определения потребности в материалах
Таблица П 7.1 – Нормы потребности в материалах при установке колонн прямоугольного
сечения в стаканы фундаментов [30]
| Обоснование (РСН) | При глубине заделки | При массе колонны | Расход бетона, м3/100 шт | Обоснование (РСН) | При глубине заделки | При массе колонны до | Расход бетона, м3/100 шт |
| Е7-5-1 | до 0,7 м | до 1 т | 6,6 | Е7-5-9 | > 0,7 м | до 2 т | 10,5 |
| Е7-5-2 | до 0,7 м | до 2 т | 8,6 | Е7-5-10 | > 0,7 м | до 3 т | 11,8 |
| Е7-5-3 | до 0,7 м | до 3 т | 8,6
Подборка статей по вашей теме:
|