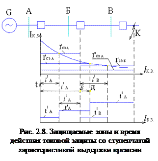
Основным недостатком рассмотренной ранее отсечки (без выдержки времени), является то, что она защищает только часть линии. Защищаемая зона может быть расширена, использованием токовой отсечки с выдержкой времени. Рассмотрим ее действие на примере радиальной сети с односторонним питанием, имеющей два последовательно соединенных участка АБ и БВ. (рис. 2.8)
Для защиты участков АБ и БВ со стороны подстанции А и Б могут быть установлены токовые отсечки без выдержки времени, токи срабатывания которых
,
, и имеют защищаемые зоны соответственно
и
, т.е. охватывают часть линии. Защищаемая зона токовой отсечки у шин подстанции А, может быть увеличена, если в действие этой отсечки ввести замедление, с таким расчетом чтоб ее время действия было больше времени
, на ступень селективности (это замедление обычно составляет 0,5÷0,6 с.), при этом ток
, возможно уменьшить до величины
, (2.14)
где Кзап=1,1÷1,05 – коэффициент запаса.
При таком выборе тока срабатывания и выдержки времени, защищаемая зона
, полностью охватывает линию АБ, в тоже время на участке БД защита будет действовать как резервная.
Обычно токовую отсечку с выдержкой времени используют с токовой отсечкой без выдержки времени и МТЗ, при этом получают защиту со ступенчатой характеристикой выдержки времени. Первой ступенью защиты является отсечка без выдержки времени (
с;
- первая зона защиты). Вторая ступень защиты – токовая отсечка с выдержкой времени (
с;
- вторая зона). В нормальном режиме защита с выдержкой времени
будет действовать на участке
. Третьей ступенью защиты служит МТЗ, с током срабатывания
, с выдержкой времени
и защищает всю линию АБ и БВ, т.е. используется для резервирования защит линии БВ или, если не сработает 1 и 2 ступени защиты А.
Чувствительность защиты со ступенчатой характеристикой определяется коэффициентом чувствительности второй и третьей ступеней (Кч II, Кч III), Кч II – проверяется по металлическому кз в конце линии АБ; Кч III – по кз в конце линии БВ. Необходимо, чтобы Кч II, был не меньше 1,3÷1,5; Кч III не меньше 1,2.

Принципиальная однолинейная схема отсечки с выдержкой времени на постоянном оперативном токе, показана на рис. 2.9. Схема отсечек без выдержки времени отличается от рис.2.9. отсутствием реле времени.
Оценка токовых отсечек:
Быстрота их действия в сочетании с простотой схемы и обслуживания – важные преимущества этих защит.
1) Неполный охват защищаемой ЛЭП.
|