В сетях переменного тока при нормальной работе, наряду с рабочими токами нагрузки по фазам проходят токи обусловленные емкостями фаз по отношению к земле. При этом распределенные емкости фаз могут быть заменены сосредоточенными емкостями СА, СВ, Сс, напряжения фаз по отношению к земле равны соответствующим фазным напряжениям UA, UB, UC, относительно нейтрали системы. Векторы фазных напряжений образуют симметричную звезду, в результате напряжение нейтрали системы по отношению к земле равно нулю, а через сосредоточенные емкости протекают равные по величине токи, опережающие соответствующие напряжения на 900, то есть
. (2.29)
аналогично для
,
, геометрическая сумма этих токов равна нулю, поэтому ток в земле отсутствует.
![]() |
При замыкании на землю, например фазы А (рис. 2.15), напряжения фаз относительно земли изменяются, а по отношению к нейтрали останутся такими же. Таким образом
;
;
;
. В итоге напряжение неповрежденных фаз В и С по отношению к земле повышается в
раза, то есть повышается до междуфазного. Одновременно с изменением фазных напряжений изменяются и полные фазные токи. Токи неповрежденных фаз
и
, будут замыкаться через точку К1 и поврежденную фазу, образуя ток:
, (2.30)
где Uф – фазное напряжение сети.
Для практических расчетов тока
в точке (А) могут служить упрощенные формулы:
для воздушных линий
; (2.31)
для кабельных линий
, (2.32)
где U, кВ – линейное напряжение; l, км – длина электрической сети; Суд, мкФ/м – удельная емкость жилы кабеля по отношению к оболочке.
Вследствие нарушении симметрии и баланса емкостных токов и фазных напряжений появляются составляющие нулевой последовательности: напряжение U0к и ток I0, которые могут быть определены по следующим выражениям:
, (2.33)
, (2.34)
где Uн – напряжение, которое имела поврежденная фаза по отношению к земле в нормальном режиме и равно напряжению нейтрали.
Токи, возникающие под действием U0к, замыкаются через емкости фаз относительно земли, токи нулевой последовательности всех фаз равны между собой и вычисляются следующим образом:
(2.35)
Таким образом, ток замыкания на землю в месте повреждения
. (2.36)
![]() |
ток I0 в обмотках генератора будет отсутствовать, так как нулевая точка генератора изолирована, и сумма токов в фазах генератора равна нулю.
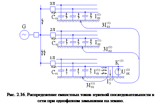
На рис. 2.16 показана схема сети в однофазном исполнении, состоящая из трех линий. При повреждении в точке К1, через место повреждения проходит ток
, обусловленный не только емкостью поврежденной линии С01, но и емкостями неповрежденных линий С02, С03, то есть
. (2.37)
Таким образом от шин неповрежденной линии направляется ток нулевой последовательности
, величина которого определяется емкостью всех неповрежденных линий.
(2.38)
В случае замыкания на землю на 2Л или 3Л линиях по 1Л к шинам будет протекать ток
, если
, то на 1Л может быть использована токовая защита нулевой последовательности.








