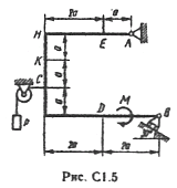
Жёсткая рама, расположенная в вертикальной плоскости (рис. C1.0-C1.9, табл. С1), закреплена в точке А шарнирно, а в точке В прикреплена к невесомому стержню с шарнирами на концах, или к шарнирной опоре на катках.
В точке С к раме прикреплён трос, перекинутый через блок и несущий на конце груз весом Р=25 кН. На раму действуют пара сил с моментом М=100 кН·м и две силы, значения, направления и точки приложения которых указаны в таблице (например, в условиях №1 на раму действует сила
под углом 15˚ к горизонтальной оси, приложенная в точке D, и сила
под углом 60˚ к горизонтальной оси, приложенная в точке Е, и т.д.).
Определить реакции связей в точках А, В вызываемые действующими нагрузками. при окончательных расчётах принять А=0.5м.
Указания. Задача С1 - на равновесие тела под действием произвольной плоской системы сил. При её решении учесть, что натяжение обеих ветвей нити, перекинутой через блок, когда трение пренебрегают, будут одинаковыми. Уравнение моментов будет более простым (содержать меньше неизвестных), если брать моменты, относительно точки, где пересекаются линии действия 2-х реакций связи. При вычислении момента силы
часто удобно разложить её на составляющие
' и
", для которых плечи легко определяются, и воспользоваться теоремой Вариньона; тогда m0=(
)=m0(
')+m0(
").
|
|
|
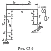
Жёсткая рама, расположенная в вертикальной плоскости (рис. C1.0-C1.9, табл. С1), закреплена в точке А шарнирно, а в точке В прикреплена к невесомому стержню с шарнирами на концах, или к шарнирной опоре на катках.
В точке С к раме прикреплён трос, перекинутый через блок и несущий на конце груз весом Р=25 кН. На раму действуют пара сил с моментом М=100 кН·м и две силы, значения, направления и точки приложения которых указаны в таблице (например, в условиях №1 на раму действует сила
под углом 15˚ к горизонтальной оси, приложенная в точке D, и сила
под углом 60˚ к горизонтальной оси, приложенная в точке Е, и т.д.).
Определить реакции связей в точках А, В вызываемые действующими нагрузками. при окончательных расчётах принять А=0.5м.
Указания. Задача С1 - на равновесие тела под действием произвольной плоской системы сил. При её решении учесть, что натяжение обеих ветвей нити, перекинутой через блок, когда трение пренебрегают, будут одинаковыми. Уравнение моментов будет более простым (содержать меньше неизвестных), если брать моменты, относительно точки, где пересекаются линии действия 2-х реакций связи. При вычислении момента силы
часто удобно разложить её на составляющие
' и
", для которых плечи легко определяются, и воспользоваться теоремой Вариньона; тогда m0=(
)=m0(
')+m0(
").
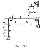
Жёсткая рама, расположенная в вертикальной плоскости (рис. C1.0-C1.9, табл. С1), закреплена в точке А шарнирно, а в точке В прикреплена к невесомому стержню с шарнирами на концах, или к шарнирной опоре на катках.
|
|
|
В точке С к раме прикреплён трос, перекинутый через блок и несущий на конце груз весом Р=25 кН. На раму действуют пара сил с моментом М=100 кН·м и две силы, значения, направления и точки приложения которых указаны в таблице (например, в условиях №1 на раму действует сила
под углом 15˚ к горизонтальной оси, приложенная в точке D, и сила
под углом 60˚ к горизонтальной оси, приложенная в точке Е, и т.д.).
Определить реакции связей в точках А, В вызываемые действующими нагрузками. при окончательных расчётах принять А=0.5м.
Указания. Задача С1 - на равновесие тела под действием произвольной плоской системы сил. При её решении учесть, что натяжение обеих ветвей нити, перекинутой через блок, когда трение пренебрегают, будут одинаковыми. Уравнение моментов будет более простым (содержать меньше неизвестных), если брать моменты, относительно точки, где пересекаются линии действия 2-х реакций связи. При вычислении момента силы
часто удобно разложить её на составляющие
' и
", для которых плечи легко определяются, и воспользоваться теоремой Вариньона; тогда m0=(
)=m0(
')+m0(
").
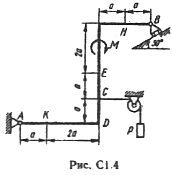
Жёсткая рама, расположенная в вертикальной плоскости (рис. C1.0-C1.9, табл. С1), закреплена в точке А шарнирно, а в точке В прикреплена к невесомому стержню с шарнирами на концах, или к шарнирной опоре на катках.
В точке С к раме прикреплён трос, перекинутый через блок и несущий на конце груз весом Р=25 кН. На раму действуют пара сил с моментом М=100 кН·м и две силы, значения, направления и точки приложения которых указаны в таблице (например, в условиях №1 на раму действует сила
под углом 15˚ к горизонтальной оси, приложенная в точке D, и сила
под углом 60˚ к горизонтальной оси, приложенная в точке Е, и т.д.).
Определить реакции связей в точках А, В вызываемые действующими нагрузками. при окончательных расчётах принять А=0.5м.
Указания. Задача С1 - на равновесие тела под действием произвольной плоской системы сил. При её решении учесть, что натяжение обеих ветвей нити, перекинутой через блок, когда трение пренебрегают, будут одинаковыми. Уравнение моментов будет более простым (содержать меньше неизвестных), если брать моменты, относительно точки, где пересекаются линии действия 2-х реакций связи. При вычислении момента силы
часто удобно разложить её на составляющие
' и
", для которых плечи легко определяются, и воспользоваться теоремой Вариньона; тогда m0=(
)=m0(
')+m0(
").
Жёсткая рама, расположенная в вертикальной плоскости (рис. C1.0-C1.9, табл. С1), закреплена в точке А шарнирно, а в точке В прикреплена к невесомому стержню с шарнирами на концах, или к шарнирной опоре на катках.
В точке С к раме прикреплён трос, перекинутый через блок и несущий на конце груз весом Р=25 кН. На раму действуют пара сил с моментом М=100 кН·м и две силы, значения, направления и точки приложения которых указаны в таблице (например, в условиях №1 на раму действует сила
под углом 15˚ к горизонтальной оси, приложенная в точке D, и сила
под углом 60˚ к горизонтальной оси, приложенная в точке Е, и т.д.).
Определить реакции связей в точках А, В вызываемые действующими нагрузками. при окончательных расчётах принять А=0.5м.
Указания. Задача С1 - на равновесие тела под действием произвольной плоской системы сил. При её решении учесть, что натяжение обеих ветвей нити, перекинутой через блок, когда трение пренебрегают, будут одинаковыми. Уравнение моментов будет более простым (содержать меньше неизвестных), если брать моменты, относительно точки, где пересекаются линии действия 2-х реакций связи. При вычислении момента силы
часто удобно разложить её на составляющие
' и
", для которых плечи легко определяются, и воспользоваться теоремой Вариньона; тогда m0=(
)=m0(
')+m0(
").
|
|
|
Жёсткая рама, расположенная в вертикальной плоскости (рис. C1.0-C1.9, табл. С1), закреплена в точке А шарнирно, а в точке В прикреплена к невесомому стержню с шарнирами на концах, или к шарнирной опоре на катках.
В точке С к раме прикреплён трос, перекинутый через блок и несущий на конце груз весом Р=25 кН. На раму действуют пара сил с моментом М=100 кН·м и две силы, значения, направления и точки приложения которых указаны в таблице (например, в условиях №1 на раму действует сила
под углом 15˚ к горизонтальной оси, приложенная в точке D, и сила
под углом 60˚ к горизонтальной оси, приложенная в точке Е, и т.д.).
Определить реакции связей в точках А, В вызываемые действующими нагрузками. при окончательных расчётах принять А=0.5м.
Указания. Задача С1 - на равновесие тела под действием произвольной плоской системы сил. При её решении учесть, что натяжение обеих ветвей нити, перекинутой через блок, когда трение пренебрегают, будут одинаковыми. Уравнение моментов будет более простым (содержать меньше неизвестных), если брать моменты, относительно точки, где пересекаются линии действия 2-х реакций связи. При вычислении момента силы
часто удобно разложить её на составляющие
' и
", для которых плечи легко определяются, и воспользоваться теоремой Вариньона; тогда m0=(
)=m0(
')+m0(
").
Жёсткая рама, расположенная в вертикальной плоскости (рис. C1.0-C1.9, табл. С1), закреплена в точке А шарнирно, а в точке В прикреплена к невесомому стержню с шарнирами на концах, или к шарнирной опоре на катках.
В точке С к раме прикреплён трос, перекинутый через блок и несущий на конце груз весом Р=25 кН. На раму действуют пара сил с моментом М=100 кН·м и две силы, значения, направления и точки приложения которых указаны в таблице (например, в условиях №1 на раму действует сила
под углом 15˚ к горизонтальной оси, приложенная в точке D, и сила
под углом 60˚ к горизонтальной оси, приложенная в точке Е, и т.д.).
|
|
|
Определить реакции связей в точках А, В вызываемые действующими нагрузками. при окончательных расчётах принять А=0.5м.
Указания. Задача С1 - на равновесие тела под действием произвольной плоской системы сил. При её решении учесть, что натяжение обеих ветвей нити, перекинутой через блок, когда трение пренебрегают, будут одинаковыми. Уравнение моментов будет более простым (содержать меньше неизвестных), если брать моменты, относительно точки, где пересекаются линии действия 2-х реакций связи. При вычислении момента силы
часто удобно разложить её на составляющие
' и
", для которых плечи легко определяются, и воспользоваться теоремой Вариньона; тогда m0=(
)=m0(
')+m0(
").
Жёсткая рама, расположенная в вертикальной плоскости (рис. C1.0-C1.9, табл. С1), закреплена в точке А шарнирно, а в точке В прикреплена к невесомому стержню с шарнирами на концах, или к шарнирной опоре на катках.
В точке С к раме прикреплён трос, перекинутый через блок и несущий на конце груз весом Р=25 кН. На раму действуют пара сил с моментом М=100 кН·м и две силы, значения, направления и точки приложения которых указаны в таблице (например, в условиях №1 на раму действует сила
под углом 15˚ к горизонтальной оси, приложенная в точке D, и сила
под углом 60˚ к горизонтальной оси, приложенная в точке Е, и т.д.).
Определить реакции связей в точках А, В вызываемые действующими нагрузками. при окончательных расчётах принять А=0.5м.
Указания. Задача С1 - на равновесие тела под действием произвольной плоской системы сил. При её решении учесть, что натяжение обеих ветвей нити, перекинутой через блок, когда трение пренебрегают, будут одинаковыми. Уравнение моментов будет более простым (содержать меньше неизвестных), если брать моменты, относительно точки, где пересекаются линии действия 2-х реакций связи. При вычислении момента силы
часто удобно разложить её на составляющие
' и
", для которых плечи легко определяются, и воспользоваться теоремой Вариньона; тогда m0=(
)=m0(
')+m0(
").
Жёсткая рама, расположенная в вертикальной плоскости (рис. C1.0-C1.9, табл. С1), закреплена в точке А шарнирно, а в точке В прикреплена к невесомому стержню с шарнирами на концах, или к шарнирной опоре на катках.
В точке С к раме прикреплён трос, перекинутый через блок и несущий на конце груз весом Р=25 кН. На раму действуют пара сил с моментом М=100 кН·м и две силы, значения, направления и точки приложения которых указаны в таблице (например, в условиях №1 на раму действует сила
под углом 15˚ к горизонтальной оси, приложенная в точке D, и сила
под углом 60˚ к горизонтальной оси, приложенная в точке Е, и т.д.).
Определить реакции связей в точках А, В вызываемые действующими нагрузками. при окончательных расчётах принять А=0.5м.
Указания. Задача С1 - на равновесие тела под действием произвольной плоской системы сил. При её решении учесть, что натяжение обеих ветвей нити, перекинутой через блок, когда трение пренебрегают, будут одинаковыми. Уравнение моментов будет более простым (содержать меньше неизвестных), если брать моменты, относительно точки, где пересекаются линии действия 2-х реакций связи. При вычислении момента силы
часто удобно разложить её на составляющие
' и
", для которых плечи легко определяются, и воспользоваться теоремой Вариньона; тогда m0=(
)=m0(
')+m0(
").
Жёсткая рама, расположенная в вертикальной плоскости (рис. C1.0-C1.9, табл. С1), закреплена в точке А шарнирно, а в точке В прикреплена к невесомому стержню с шарнирами на концах, или к шарнирной опоре на катках.
В точке С к раме прикреплён трос, перекинутый через блок и несущий на конце груз весом Р=25 кН. На раму действуют пара сил с моментом М=100 кН·м и две силы, значения, направления и точки приложения которых указаны в таблице (например, в условиях №1 на раму действует сила
под углом 15˚ к горизонтальной оси, приложенная в точке D, и сила
под углом 60˚ к горизонтальной оси, приложенная в точке Е, и т.д.).
Определить реакции связей в точках А, В вызываемые действующими нагрузками. при окончательных расчётах принять А=0.5м.
Указания. Задача С1 - на равновесие тела под действием произвольной плоской системы сил. При её решении учесть, что натяжение обеих ветвей нити, перекинутой через блок, когда трение пренебрегают, будут одинаковыми. Уравнение моментов будет более простым (содержать меньше неизвестных), если брать моменты, относительно точки, где пересекаются линии действия 2-х реакций связи. При вычислении момента силы
часто удобно разложить её на составляющие
' и
", для которых плечи легко определяются, и воспользоваться теоремой Вариньона; тогда m0=(
)=m0(
')+m0(
").
