Схема измерений. Для проверки соотношения (2)
(2а)
![]() |
необходимо измерить зависимость силы тока
от напряжения
при различных температурах
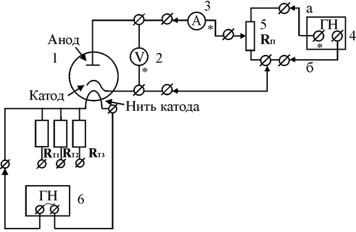
, которые также необходимо измерить. Все это можно сделать с помощью электрической схемы изображенной на рис.1. Рис.1
Основным элементом схемы является вакуумный диод 1. Нагрев катода этой радиолампы осуществляется с помощью генератора переменного напряжения 6. Сила тока накала, а, следовательно, температура катода может изменяться ступенчато путем подключения последовательно с нитью накала резисторов
. Постоянное напряжение между катодом и анодом создаётся с помощью генератора напряжения 4. Путем переключения проводников «а» и «б» можно подать на анод как положительный, так и отрицательный потенциал относительно катода. Регулировка этого напряжения осуществляется переменным резистором
. Сила анодного тока измеряется микроамперметром 3, а напряжение
- вольтметром 2.
Контактная разность потенциалов. Важно отметить, что вольтметр измеряет не истинное значение напряжения между катодом и анодом
, а только напряжение
, задаваемое генератором. Между тем, на потенциал анода оказывает существенное влияние, так называемая, контактная разность потенциалов
. Её возникновение связано с тем, что катод и анод электронной лампы сделаны из различных материалов. Эти вещества, даже при одинаковых внешних условиях, отличаются друг от друга значением химического потенциала свободных носителей заряда. При соединении катода и анода любыми промежуточными проводниками между ними в силу указанных различий происходит диффузия свободных носителей заряда, которая вначале носит неравновесный характер, т. е. из вещества с большим значением химического потенциала в вещество с меньшим значением химического потенциала переходит больше носителей заряда, чем наоборот. В результате один из электродов теряет, а другой получает электроны и между катодом и анодом устанавливается контактная разность потенциалов, которая изменяется при нагревании катода. Следует отметить, что обычно анод приобретает за счёт контактной разности потенциалов отрицательный потенциал относительно катода.
Из сказанного следует, что истинное напряжение
между катодом и анодом определяется алгебраической суммой напряжения
, которое измеряется вольтметром, и контактной разностью потенциалов
:
. (3)
Это в свою очередь означает, что нулевое истинное напряжение между катодом и анодом (
) наблюдается, когда напряжение, измеренное вольтметром, равно по величине и противоположно по знаку контактной разности потенциалов:
при
. (4)
Определение температуры
. Экспериментальное определение температуры и одновременное определение контактной разности потенциалов можно осуществить, пользуясь следующей методикой. Прологарифмируем выражение (2а)
. (5)
Из полученного выражения видно, что при
, график зависимости
от
является линейным, причем коэффициент наклона графика обратно пропорционален температуре. Следовательно, построив график этой зависимости с помощью полученных экспериментальных данных, по тангенсу угла наклона графика находим температуру электронного газа:
. (6)
Формула (5) справедлива только для отрицательных анодных напряжений. При положительных напряжениях на аноде (ускоряющее поле) рост анодного тока замедляется, а в режиме насыщения почти прекращается, при этом зависимость
сохраняет линейный характер.
Определение
. Как указывалось выше, истинное анодное напряжение является алгебраической суммой напряжений
и
(3). Поэтому излом прямой
наступает при выполнении условия (4), то есть в точке перехода от тормозящего поля к полю ускоряющему. Значит, построив график
(рис.2), по наклону прямой a-b (участок тормозящего поля) находим, пользуясь формулой (6), температуру электронного газа, а по точке излома прямых a-b и c-d, пользуясь формулой (4), находим контактную разность потенциалов.
![]() |
Рис. 2.
Изменение наклона линейной зависимости при переходе от тормозящего к ускоряющему полю происходит не скачком, а постепенно (участок b-f-c). Поэтому для определения точки, которая соответствует нулевому значению истинного напряжения
, необходимо экстраполировать прямолинейные участки графика a-b и c-d до их пересечения в точке e (см. рис.2).
Задание к работе.
1. Заготовьте таблицу измерений (см. образец).
2. Соберите схему измерений (рис.1). При сборке подключите в цепь накала катода резистор
. Пригласите преподавателя для проверки схемы.
3. Не включая электропитание, поверните ручку регулировки выходного напряжения генератора 4 против часовой стрелки до упора (на минимум ~1 В). Ручку регулировки выходного напряжения генератора переменного напряжения 6 поверните по часовой стрелке до упора (на максимум ~15 В). Амперметр-вольтметр установите в режим измерения постоянного тока (кнопка
отжата). Установите на нём предел измерения напряжения 2 В, а силы тока 20 мкА.
4. Снимите зависимость силы анодного тока
от напряжения
, меняя напряжение через ~0,05 В. Смену знака потенциала, подаваемого на анод, произведите путем переключения проводников «а» и «б» (см. рис.1). Внесите полученные значения в таблицу измерений.
5. Чтобы не перегревать тепловым излучением катода анод лампы, что искажает величину анодного тока, отключите генератор переменного напряжения на время проведения последующих вычислений и построения графика.
6. Вычислите и внесите в таблицу величину
.
7. Постройте график зависимости
.
8. Путем экстраполяции прямолинейных участков графика до их пересечения найдите точку е (см. рис.2), а по ней, пользуясь формулой (4), определите знак и величину контактной разности потенциалов
.
9. Определите тангенс угла наклона графика в области тормозящего поля и по формуле (6) вычислите температуру электронного газа.
10. Вычислите и внесите в таблицу измерений истинное напряжение между катодом и анодом
, пользуясь формулой (3). Вычисления достаточно сделать только для отрицательных значений
.
11. Определите, с помощью графика или по таблице измерений, силу тока
, которая соответствует нулевому значению истинного напряжения
.
12. Подключите в цепь накала катода, для изменения его температуры, резистор
.
13. Включите схему измерений.
14. Повторите все измерения и вычисления для меньшей температуры (п.4 – п.11).
15. Повторите п.4 – п.11 для других температур, подключая в цепь накала катода оставшиеся резисторы
.
16. Постройте график зависимости
от
.
17. Проанализируйте полученные результаты.
Образец таблицы измерений для одного значения тока накала
(с пояснениями по каждой величине)
| Изме-ряется в опыте | Изме-ряется в опыте | Вычис-ляется | По графику | Вычис-ляется | Вычис-ляется по графику |
, В | , мкА | | В | , В | , К |
Контрольные вопросы
1. Как устроена и на каком принципе работает электронная лампа?
2. Какие физические эффекты приводят к эмиссии электронов?
3. Какому статистическому распределению подчиняется газ электронов 1) внутри металлического катода, 2) вблизи анода?
4. Почему свободные электроны не могут легко диффундировать из вещества в вакуум?
5. Какой кинетической энергией должны обладать электроны в катоде, чтобы попасть на анод?
6. Какая формула позволяет вычислить плотность тока при термоэлектронной эмиссии?
7. Может ли электрон, обладающий достаточной энергией при выходе из катода, не попасть на анод?
8. Как измерить температуру электронного газа?
9. Что такое контактная разность потенциалов, для чего и как она определяется в опытах?
10. Какие величины, полученные в результате опытов, сравниваются, о чем говорит это сравнение?

