В любой серьезной литературе по усилителям в особую группу выделяются так называемые усилители импульсных сигналов. Между тем по электрической схеме они практически ничем не отличаются от обычных резистивных усилителей напряжения. Так чем же в этом случае вызвано обособление этих усилителей в отдельную группу?
Чтобы ответить на этот вопрос, надо вспомнить, чем именно импульсные сигналы отличаются от гармонических (синусоидальных). Чисто синусоидальный сигнал любой частоты не содержит никаких составляющих других частот. Поэтому при усиление некоторого спектра синусоидальных частот усилитель должен свободно, без частотных искажений («завала»), пропускать все частоты этого спектра от самой низкой до самой высокой. И не более того. Искажения АЧХ на частотах, ниже наинизшей и выше наивысшей частот рабочего спектра на качестве усиления в этом случае практически не сказываются.

Рис 2.9. Схемы оконечных усилителей мощности промышленных БРТА отечественного производства:
|
|
|
а - «Сириус-315»; б - «Электроника Д 1 –012-стерео».
Совершенно иначе обстоит дело с усилением импульсных сигналов. Если мы возьмем симметричный П-образный импульс (меандр) некоторой частоты f, то при разложении в ряд Фурье его можно представить как сумму бесконечного числа синусоидальных составляющих, частоты которых в целое число раз выше частоты меандра, а амплитуды убывают с возрастанием порядкового номера. Эти составляющие называются гармониками основной частоты и нумеруют в порядке возрастания частоты, принимая за первую гармонику частоту самого меандра.
Понятно, что отсутствие или искажение величины любой из этих гармоник неизбежно искажает форму исходного П-образного импульса. И хотя число гармоник меандра теоретически бесконечно, на практике существенное влияние на его форму оказывают гармоники не выше 7-й. а при осуществлении реальных измерений искажений обычно ограничиваются учетом влияния первых 5 гармоник.
А теперь от теории перейдем: к практическим рассуждениям. Пусть у нас имеется однокаскадный резистивный усилитель напряжения, имеющий линейную частотную характеристику в диапазоне от 20 Гц до 20 кГц и выполненный на транзисторе с верхней граничной частотой 50 кГц, На частотах ниже 20 Гц и выше 20 кГц искажения АЧХ будем считать выше допустимых по условию.
При подаче на вход такого каскада синусоидальных сигналов в указанных частотных границах на выходе каскада будет наблюдаться неискаженный синусоидальный сигнал на любой из частот внутри этого спектра, тогда как за его пределами сигнал окажется искаженным.
А теперь попробуем подать на вход усилителя сигнал П-образной формы в тех же частотных пределах. Договоримся считать, что непременным условием неискаженного воспроизведения П-импульса будет неискаженное воспроизведение, по крайней мере первых 5 гармоник (синусоид) основной частоты.
|
|
|
Разделив 20 кГц на 5, увидим, что такому условию удовлетворяет лишь П-образный сигнал с собственной частотой повторения не выше 4 кГц. А уже для сигнала с частотой 5 кГц его 5-я гармоника (25 кГц) окажется за пределами полосы пропускания усилителя и будет искажена.
Если же мы попытаемся воспроизвести П-импульс с частотой 20 кГц, то степень его искажения будет столь недопустимой, что П-импульс по форме станет очень похож на синусоиду. Почему именно на синусоиду? Да потому, что наш усилитель пропустит только первую гармонику, которая как раз и представляет собой чистую синусоиду с частотой повторения П-импульса.
Каким же должен быть усилитель, чтобы без искажений пропустить П-импульс с частотой 20 кГц? Ответ очевиден: во-первых, его полоса пропускания с нулевой неравномерностью АЧХ должна превышать по крайней мере 100 кГц (а еще лучше - 140 кГц с учетом влияния 7-й гармоники), а во-вторых, нам придется применить другой транзистор, верхняя граничная частота которого будет не меньше 200 кГц.
На первый взгляд может показаться, что эти сведения не слишком актуальны в приложении к аппаратуре БРТА. Однако это неверно, поскольку в современных радиоаппаратах все чаще приходится сталкиваться с усилением и другими и обработки именно импульсных сигналов (в телевизорах, магнитофонах, СD-плеерах). И ремонтники обязаны учитывать специфику обработки импульсных сигналов, особенно при необходимости замены полупроводниковых приборов на приборы отечественного производства.
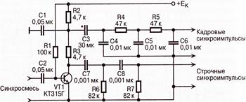
Что же касается практической стороны дела, то в качестве иллюстрации приведем схему простейшего резистивного усилителя с разделенной нагрузкой для выделения из синхросмеси полного телевизионного сигнала отдельно друг от друга строчных и кадровых импульсов (рис. 2. 10).

Рис. 2.10. Схема импульсного усилителя-селектора телевизионных синхроимпульсов