Существует довольно большая группа полупроводниковых диодов особой конструкции, вольтамперная характеристика которых при включении «в обратной полярности» позволяет использовать их в качестве стабилизаторов напряжения. Такие диоды образуют большую группу стабилизаторов.

Рис. 2.3. Параметрические стабилизаторы постоянного напряжения на полупроводниковых стабилитронах:
а - простейшая схема; б - схема с делителем стабильного напряжения; в - последовательное включение двух одинаковых стабилитронов; г - схема двухкаскадного стабилизатора
На рис.2.3 показаны четыре наиболее распространенные схемы использования полупроводниковых стабилитронов в самых различных радиотехнических устройствах.
Схема 2.3, а - самая простая. Сопротивление ограничительного резистора Rогр выбирается таким, чтобы общий ток в последовательной цепи был равен среднему значению паспортного тока стабилитрона. К примеру, при необходимости получить стабильное напряжение 9 В от двенадцативольтового аккумулятора или выпрямителя и использовании девятивольтового стабилитрона типа Д814Б, имеющего значения минимального и максимального токов стабилизации соответственно 3 и 36 мА, расчет сопротивления ограничительного резистора выглядит так:

Р=I2R=(0,02А)2·150 Ом=0,06 Вт (округленно)
Или (даже с учетом необходимости двойного запаса) порядка 0,12 Вт.
На практике очень часто возникает ситуация, когда стабилитрона на точно нужное значение напряжения нет. Тогда можно использовать стабилитрон на ближайшее большее напряжение стабилизации и параллельно стабилитрону включить обычный резистивный делитель, как это показано на рис. 2.3, б. В этом случае при расчете сопротивления ограничительного резистора общий ток в цепи надо определять как сумму среднего тока через стабилитрон и тока, потребляемого делителем.
Полупроводниковые стабилитроны допускают последовательное соединение однотипных диодов (рис.2.3, в). При этом средний ток стабилизации остается равным среднему току одного стабилитрона, а общее стабилизированное напряжение становится равным сумме стабилизированных напряжений всех последовательно включенных стабилитронов. Расчет сопротивлений ограничительного резистора в этом случае точно такой же, как и для схемы рис. 2.3, а.
И, наконец, последняя схема (рис. 2.3, г) представляет собой так называемый «двухступенчатый» стабилизатор напряжения. Его суть состоит в том, что второй стабилитрон VD2 подключен не непосредственно к источнику нестабильного напряжения, а к «предварительному» стабилизатору на стабилитроне VD1 с большим номинальным напряжением стабилизации.
При таком включении общий коэффициент стабилизации всей схемы равен произведению коэффициентов стабилизации обоих стабилитронов. Иными словами, если каждый стабилитрон в отдельности уменьшает нестабильность выходного напряжения по отношению к нестабильности напряжения источника в 10 раз, то общая нестабильность на нагрузке уменьшается в 10 · 10 = 100 раз.
Общим недостатком любой из четырех приведенных схем являются неизбежные дополнительные потери энергии на самих стабилитронах и резистивных делителях. Особенно велики эти потери в последней схеме, где они могут оказаться соизмеримыми с полезной потребляемой мощностью самого устройства (например, экономичного «карманного» радиоприемника или плеера). Это обстоятельство необходимо учитывать при решении применить ту или иную схему стабилизации напряжения.
К достоинствам рассмотренных стабилизаторов следует отнести и то, что в силу специфики работы они не только стабилизируют рабочее напряжение по величине, но и очень существенно снижают величину пульсаций на выходе выпрямителя, поскольку такие пульсации воспринимаются схемой как обычные колебания напряжения источника. Поэтому очень часто (в основном при малых токах нагрузки) отпадает необходимость в использовании конденсатора фильтра большой емкости.
Все схемы со стабилитронами используют в качестве рабочего участка небольшую часть вольтамперной характеристики обратного тока на границе зоны пробоя. Именно поэтому их подключают к источнику в обратной полярности, те. как бы перевернутыми. Кстати говоря, при «нормальном» (прямом) включении любой стабилитрон ведет себя как «обычный» диод.
Однако существует довольно большая группа специальных диодов, предназначенных для стабилизации напряжения, которые работают при «правильном», т.е. прямом включении, в отличие от стабилитронов такие приборы называются стабисторами. Схемы включения стабисторов ничем не отличаются от схем со стабилитронами, за исключением полярности включения диода.
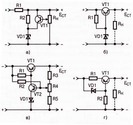
Помимо рассмотренных схем, объединяемых в общую группу пассивных параметрических стабилизаторов, существуют и широко применяются в БРТА схемы стабилизации на транзисторах, обладающие более высоким КПД и большим диапазоном стабилизации. Кроме того, такие схемы позволяют стабилизировать величину не только напряжения, но и потребляемого тока. Не вдаваясь в подробный анализ физики работы подобных схем, ограничимся приведением нескольких их них (рис. 2.4).

Рис. 2.4. Активные схемы стабилизаторов напряжений и тока на транзисторах:
а - параллельный стабилизатор напряжения с регулирующим транзистором; б - последовательный стабилизатор напряжения с регулирующим транзистором;
в - последовательный компенсационный стабилизатор напряжения, г стабилизатор постоянного тока.