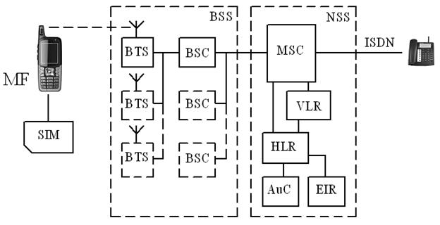
Начнем с рассмотрения сети на рис. 4.41. При описании будем придерживаться принятых во всем мире англоязычных сокращений, конечно, давая при этом их русскую трактовку.
Самая простая часть структурной схемы - переносной телефон, состоит из двух частей: собственно "трубки" - ME (Mobile Equipment - мобильное устройство) и смарт-карты SIM (Subscriber Identity Module - модуль идентификации абонента), получаемой при заключении контракта с оператором. Как любой автомобиль снабжен уникальным номером кузова, так и сотовый телефон имеет собственный номер - IMEI (International Mobile Equipment Identity - международный идентификатор мобильного устройства), который может передаваться сети по ее запросу. SIM, в свою очередь, содержит так называемый IMSI (International Mobile Subscriber Identity - международный идентификационный номер подписчика). Разница между IMEI и IMSI ясна - IMEI соответствует конкретному телефону, a IMSI - определенному абоненту.

Рис. 4.41 Упрощенная архитектура сети GSM.
Центральным узлом сети является NSS (Network and Switching Subsystem - подсистема сети и коммутации), а компонент, выполняющей функции управления называют "коммутатор". MSC (Mobile services Switching Center - центр коммутации) в сети может быть и не один (в данном случае очень уместна аналогия с многопроцессорными компьютерными системами), MSC занимается маршрутизацией вызовов, формированием данных для биллинговой системы, управляет многими процедурами.
Следующими по важности компонентами сети, также входящими в NSS, является HLR (Home Location Register - реестр собственных абонентов) и VLR (Visitor Location Register - реестр перемещений). HLR, грубо говоря, представляет собой базу данных обо всех абонентах, заключивших с рассматриваемой сетью контракт. В ней хранится информация о номерах пользователей (под номерами подразумеваются, во-первых, упоминавшийся выше IMSI, а во-вторых, так называемый MSISDN-Mobile Subscriber ISDN, т.е. телефонный номер в его обычном понимании), перечень доступных услуг и многое другое - далее по тексту часто будут описываться параметры, находящиеся в HLR.
В отличие от HLR, который в системе один, VLRob может быть и несколько - каждый из них контролирует свою часть сети. В VLR содержатся данные об абонентах, которые находятся на его (и только его) территории (причем обслуживаются не только свои подписчики, но и зарегистрированные в сети роумеры). Как только пользователь покидает зону действия какого-то VLR, информация о нем копируется в новый VLR, а из старого удаляется. Фактически, между тем, что есть об абоненте в VLR и в HLR, очень много общего - посмотрите таблицы, где приведен перечень долгосрочных (табл. 4.5) и временных (табл. 4.6, 4.7) данных об абонентах, хранящихся в этих реестрах. Еще раз обращаю внимание читателя на принципиальное отличие HLR от VLR: в первом расположена информация обо всех подписчиках сети, независимо от их местоположения, а во втором - данные только о тех, кто находится на подведомственной этому VLR территории. В HLR для каждого абонента постоянно присутствует ссылка на тот VLR, который с ним (абонентом) сейчас работает (при этом сам VLR может принадлежать чужой сети, расположенной, например, на другом конце земли).
Таблица 4.5. Полный состав долгосрочных данных, хранимых в HLR и VLR
| 1. | Международный идентификационный номер подписчика (IMSI) |
| 2. | Телефонный номер абонента в обычном смысле (MSISDN) |
| 3. | Категория подвижной станции |
| 4. | Ключ идентификации абонента (Ki) |
| 5. | Виды обеспечения дополнительными услугами |
| 6. | Индекс закрытой группы пользователей |
| 7. | Код блокировки закрытой группы пользователей |
| 8. | Состав основных вызовов, которые могут быть переданы |
| 9. | Оповещение вызывающего абонента |
| 10. | Идентификация номера вызываемого абонента |
| 11. | График работы |
| 12. | Оповещение вызываемого абонента |
| 13. | Контроль сигнализации при соединении абонентов |
| 14. | Характеристики закрытой группы пользователей |
| 15. | Льготы закрытой группы пользователей |
| 16. | Запрещенные исходящие вызовы в закрытой группе пользователей |
| 17. | Максимальное количество абонентов |
| 18. | Используемые пароли |
| 19. | Класс приоритетного доступа |
Таблица 4.6. Полный состав временных данных, хранимых в HLR
| 1. | Параметры идентификации и шифрования |
| 2. | Временный номер мобильного абонента (TMSI) |
| 3. | Адрес реестра перемещения, в котором находится абонент (VLR) |
| 4. | Зоны перемещения подвижной станции |
| 5. | Номер соты при эстафетной передаче |
| 6. | Регистрационный статус |
| 7. | Таймер отсутствия ответа |
| 8. | Состав используемых в данный момент паролей |
| 9. | Активность связи |
Таблица 4.7. Полный состав временных данных, хранимых в HLR
| 1. | Временный номер мобильного абонента (TMSI) |
| 2. | Идентификаторы области расположения абонента (LAI) |
| 3. | Указания по использованию основных служб |
| 4. | Номер соты при эстафетной передаче |
| 5. | Параметры идентификации и шифрования |
NSS содержит еще два компонента - AuC (Authentication Center - центр авторизации) и EIR (Equipment Identity Register - реестр идентификации оборудования). Первый блок используется для процедур установления подлинности абонента, а второй, как следует из названия, отвечает за допуск к эксплуатации в сети только разрешенных сотовых телефонов. Подробно работа этих систем будет рассмотрена в следующем разделе, посвященном регистрации абонента в сети.
Исполнительной, если так можно выразиться, частью сотовой сети, является BSS (Base Station Subsystem - подсистема базовых станций). Если продолжать аналогию с человеческим организмом, то эту подсистему можно назвать конечностями тела. BSS состоит из нескольких "рук" и "ног" - BSC (Base Station Controller - контроллер базовых станций), а также множества "пальцев" - BTS (Base Transceiver Station - базовая станция) Базовые станции можно наблюдать повсюду - в городах, полях (чуть не сказал "и реках") - фактически это просто приемно-передающие устройства, содержащие от одного до шестнадцати излучателей. Каждый BSC контролирует целую группу BTS и отвечает за управление и распределение каналов, уровень мощности базовых станций и тому подобное. Обычно BSC в сети не один, а целое множество (базовых станций же вообще сотни).
Управляется и координируется работа сети с помощью OSS (Operating and Support Subsystem - подсистема управления и поддержки). OSS состоит из всякого рода служб и систем, контролирующих работу и трафик - дабы не перегружать читателя информацией, работа OSS ниже рассматриваться не будет.






