Последовательные счётчики строятся, как правило, из нескольких триггеров, каждый из которых работает как счётчик по модулю 2. При этом последовательное соединение триггеров выполняется таким образом, что выход триггера п -го разряда подключается непосредственно к счётному входу последующего триггера (п + 1)-го разряда.
Последовательные счётчики относятся к классу асинхронных, так как состояния разрядов в них устанавливаются последовательно после прихода очередного фронта или среза синхроимпульса С. Последовательные счётчики строятся на D - либо JК -триггерах.
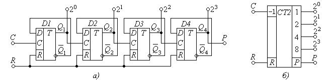
Рисунок 12.1 – Последовательный суммирующий счетчик: а) схема; б) условное обозначение
На рис. 12.1 дана схема последовательного суммирующего счётчика, двоичные разряды которого выполнены на D -триггерах со счётным запуском. Полагаем, что триггеры срабатывают по фронту сигналов, которые поступают на их синхровходы С.
На схеме рис. 12.1 обозначены:
C – счётный вход; R – вход сброса счётчика; Р – выход переполнения счётчика.
Счётный запуск работы триггеров обеспечивается соединением информационного D -входа с инверсным выходом собственного триггера.
Триггеры, входящие в состав счётчика, должны иметь входы сброса R, соединённые между собой и образующие вход сброса счётчика R. Перед началом работы или по необходимости на вход R подаётся единичный импульс, сбрасывающий все триггеры, после чего необходимо на входе R установить нулевой уровень.
Каждый триггер счётчика является двоичным разрядом, который харак-теризуется так называемым весовым коэффициентом. Весовой коэффициент разряда определяется как
, где n – порядковый номер триггера (разряда).
Так, первый триггер имеет весовой коэффициент 20= 1, второй триггер с весовым коэффициентом 21 = 2, третий триггер имеет весовой коэффициент 22 = 4, четвёртый 23= 8 и т.д.
Вход С первого триггера носит название суммирующего входа счётчика.
Принцип действия суммирующего счётчика иллюстрирует временная диаграмма его работы, показанная на рис. 12.2.
В суммирующем счётчике каждый последующий триггер запускается инверсным выходом
предыдущего триггера.
Схема работает следующим образом.

Рисунок 12.2 – Временная диаграмма работы четырехразрядного суммирующего счетчика
С приходом первого фронта импульса счёта 1 взводится первый триггер D1. На его выходе Q 1 устанавливается 1, а потенциал инверсного выхода
изменяется с 1 до 0, т.е.формируется срез. Поэтому состояние триггера D2 не меняется, так как триггер срабатывает от фронта. На выходах счётчика Q 4, Q 3, Q 2, Q 1 фиксируется число 0001.
Второй входной импульс фронтом 2 сбрасывает триггер D1. На выходе
триггера D1 появляется единица 1, являющаяся так называемым импульсом переноса. При этом фронтом
взводится триггер D2. На выходах счётчика устанавливается число 0010.
Фронт третьего импульса взводит первый триггер D1, не изменяя при этом единичное состояние второго триггера D2. Содержимое счётчика равно числу 0011.
С приходом четвертого фронта переходят в состояние нуля оба триггера D1 и D2, а возникающий при этом импульс переноса
взводит триггер D3. Так на выходах счётчика появляется число 0100.
Заполнение разрядов счётчика с каждым импульсом будет продолжаться до тех пор, пока счётчик не отсчитает максимальное число 1111 на 15-м импульсе на входе С первого триггера D1. При этом все триггеры взведены.
16-й импульс переводит своим фронтом триггер D1 в нулевое состояние, а импульсы переноса
и
сбрасывают триггеры D2, D3 и D4, возвращая счётчик в исходное состояние 0000.
При возвращении триггера D4 в нулевое состояние на выходе
возникает так называемый импульс переполнения Р, предназначенный для взвода следующего разряда D5 (если он есть), чем фиксируется в счётчике число 10000, т.е. 16.
С поступлением каждого входного импульса на суммирующий вход счётчика его содержимое увеличивается на единицу, как показано в табл. 12.1.
Таблица 12.1 – Состояния четырехразрядного суммирующего счётчика
| Номер входного имп. | Выходы | Число в счётчике | |||
| Q 4 | Q 3 | Q 2 | Q 1 | ||
По направлению счёта счётчики бывают как суммирующими, так и вычитающими. Изменение направления счёта на противоположное называется реверсом.
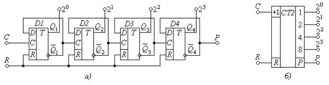
На рис. 12.3 дана схема вычитающего четырёхразрядного двоичного счётчика.
Сопоставляя рис. 12.3 с рис. 12.1, убеждаемся в том, что схема вычитающего счётчика (рис. 12.3) отличается от суммирующего лишь тем, что запуск последующего триггера осуществляется не с инверсного выхода
предыдущего триггера, а с прямого Qi.
Принцип действия вычитающего счётчика иллюстрирует временная диаграмма его работы (см. рис. 12.4).

Рисунок 12.3 – Последовательный вычитающий счетчик: а) схема; б) условное обозначение

Рисунок 12.4 – Временная диаграмма работы вычитающего счетчика
Схема работает следующим образом.
С приходом первого фронта импульса счёта 1 взводится первый триггер D1.
Со взводом триггера D1 на его прямом выходе Q 1появляется фронт, которым взводится последующий триггер D2. Одновременно фронт выхода Q 2 взводит триггер D3 и в этот же самый момент поступления первого импульса фронтом Q 3 взводится четвёртый триггер D4.
Таким образом, в вычитающем счётчике с поступлением первого импульса взводятся все триггеры (в нашем случае – четыре).
Содержимое счётчика составляет 1111, т.е. 15. Так, с учётом заёма двоичного числа 10000 выполняется операция вычитания двоичных чисел
10000 – 0001 = 1111, т.е. 16 – 1 = 15.
Происхождение числа 15 объясняется математическим действием 16 – 1 = = 15, где 16 – число, заимствованное из старшего разряда с весовым коэффициентом 25 = 16.
Далее с каждым очередным входным импульсом содержимое счётчика уменьшается на единицу (табл. 12.2).
Второй входной импульс С сбросит первый триггер D1. Остальные триггеры не срабатывают, так как на выходе Q 1 срез. Содержимое счётчика равно 1110, т.е. 16 – 2 = 14.
Входной импульс 3 взводит триггер D1, фронт выхода Q 1 которого сбрасывает триггер D2. Остальные триггеры не срабатывают, так как на выходе Q 2 срез. В счётчике останется число 1101, т.е. 16 – 3 = 13 и т.д.
Таблица 12.2 – Состояния четырех-разрядного вычитающего счётчика
|
С каждым входным импульсом С содержимое счётчика уменьшается на единицу.
После 15-го импульса С в счётчике останется взведенным только первый триггер D1. Содержимое счётчика равно 0001.
16-й импульс сбрасывает триггер D1, после чего счётчик обнуляется, а импульс переполнения Р передаётся в старший разряд.