Декадное соединение счетчиков

На практике часто возникает необходимость использовать модуль счета более 16, т.е. появляется необходимость использования счетчиков большой емкости.

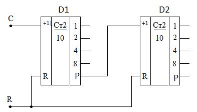
Для увеличения модуля счета стандартные счетчики соединяют каскадно. Для каскадного соединения двух или большего числа счетчиков необходимо выбирать такие стандартные микросхемы, которые имеют выходы переполнения Р.

На выходе Р появляется один импульс переполнения, когда количество импульсов, которые приходят на вход, равняется модулю счета М.

Ст2 СТ10
Ст2 СТ10
D2
D1
P
P
R
R
R
С

Рисунок 13.3 – Каскадное соединение десятичных счетчиков

Схема работает следующим образом.

Когда на вход С счетчика D 1 приходит 10 импульс, счетчик D 1 переходит в нулевое состояние, а на выходе переполнения Р 1 появляется один импульс. Импульс переполнения Р 1 подается на суммирующий вход второго счетчика D 2, и на выходе второго счетчика D 2 записывается единица. Следующие 9 импульсов (от 11 до 19), которые продолжают поступать на вход D 1, изменяют только показания первого счетчика D 1. Его показания постепенно увеличиваются от 1 до 9, двадцатый импульс снова устанавливает первый счетчик в нуль, и второй импульс переполнения с выхода Р 1поступает на вход второго счетчика D 2, увеличивая показания последнего на 1. Таким образом, после прихода на D 1 20 импульса на выходе второго счетчика D 2 устанавливаются показания 0010 (что соответствует десятичной цифре 2), а на выходе первого счетчика D 1– все нули (0000).

Таким образом, при каскадном соединении десятичных счетчиков первый счетчик подсчитывает единицы, после каждого десятого импульса, формируется на его выходе переполнения Р 1 один импульс. Импульсы переполнения первого счетчика являются входными импульсами второго счетчика, поэтому второй счетчик подсчитывает десятки, т.е. количество десятков импульсов приходящих на вход С 1.

На выходе переполнения второго счетчика D 2 появится импульс, когда на вход С поступит 10 десятков, т.е. сто импульсов. Аналогичное подключение третьего счетчика позволит подсчитывать количество сотен импульсов и т.д. Следовательно, каскадное соединение десятичных счетчиков позволяет выполнять счет импульсов по декадам.




double arrow
Сейчас читают про: