v Объекты исследования:
§ исследуемая пломба;
§ а также 10–15 пломб, аналогичных исследуемым, экспериментальные пломбы;
§ оттиски матриц пломбировочных тисков, которые могли быть использованы при нанесении первоначальных оттисков (для установления содержания удаленного оттиска на пломбе);
§ в качестве сравнительных образцов направляются изъятые у подозреваемых орудия и инструменты, которые могли использоваться для вскрытия исследуемых пломб, а также пломбировочные тиски, болванки и пломбировочная проволока, аналогичные пломбам и проволоке, по поводу которых назначена экспертиза.
v Вопросы, решаемые экспертизой пломб и закруток:
Трасологическая экспертиза:
1. Вскрывалась ли пломба (ЗПУ)? Если да, то каким способом?
2. Навешивалась ли пломба (ЗПУ) повторно?
3. Возможно ли извлечение проволоки из представленной пломбы без нарушения целостности последней?
4. Обжималась ли пломба (пломбы) представленными пломбировочными тисками?
5. Оставлены ли оттиски на контактных поверхностях нескольких пломб плашками одних и тех же пломбировочных тисков?
6. Использовались ли представленные инструменты для вскрытия пломбы?
7. Подвергалась ли раскрутке и повторному скручиванию закрутка?
8. Каково содержание буквенно-цифровых оттисков на пломбе (ЗПУ)?
Физико-химическая экспертиза:
1. Из какого материала изготовлен корпус пломбы и пломбировочная проволока?
2. Одинаковы ли материалы пломбы (материал корпуса пломбы и пломбировочной проволоки) с материалом представленных образцов пломб?
Металлографическая экспертиза:
Подвергалась ли пломбированная проволока после первоначального наложения разрыву и последующей сварке?
МВД РОССИИ
ЭКСПЕРТНО-КРИМИНАЛИСТИЧЕСКИЙ ЦЕНТР
МВД по РЕСПУБЛИКЕ БАШКОРТОСТАН
Трасологическая лаборатория
Таблица иллюстраций к заключению эксперта №___ от _____________ 20__ года.

Иллюстрация № 1. Общий вид пломб с отрезками бечевы со стороны цифровых обозначений, изъятых с места происшествия

Иллюстрация № 2. Общий вид пломб с отрезками бечевы со стороны буквенных обозначений, изъятых с места происшествия
Эксперт Гафаров Ю. Р.

Иллюстрация № 3. Общий вид пломбировочных тисков, представленных на исследование


Иллюстрация № 4. Общий вид образцов пломб в упаковке, изъятых в Салаватском отделении ОАО «Уралсиб»
Эксперт Гафаров Ю. Р.

Иллюстрация № 5.

Иллюстрация № 6.

Иллюстрация № 7.
На иллюстрациях №№ 6,7,8 пломбы в демонтированном виде и бечевки к ним
Эксперт Гафаров Ю. Р.
| Иллюстрация № 8. Экспериментальный след давлении (обжима), полученный пломбировочными тисками, представленными на исследование, со стороны цифровых обозначений | |
| Иллюстрация № 9. Следы давления (обжима) пломб с оттисками цифровых обозначений, изъятых с места происшествия | |

Примечание: на иллюстрациях №№ 9,10 пунктирными линиями, одноименными цифрами и стрелками обозначены индивидуальные совпадающие признаки. Эксперт Гафаров Ю. Р.
| Иллюстрация № 10. Контрольная иллюстрация | |
Иллюстрация № 11. Контрольная иллюстрация. Эксперт Гафаров Ю. Р.
ФРАГМЕНТЫ ЗАКЛЮЧЕНИЯ ЭКСПЕРТА:


| |
| | | ДВЕРЬ 1 – передний брусок обвязки 2 – верхний брусок обвязки 3 – рамка филенки 4 – верхняя филенка 5 – верхняя петля 6 – горизонтальный средник 7 – задний брусок обвязки 8 – нижний брусок обвязки 9 – нижняя петля 10 – нижняя филенка 11 – замочная скважина 12 – ригель 13 – защелка 14 – запорная планка 15 – четверть дверной коробки 16 – ребро переднего бруса обвязки | |
| |
| | | ОКОННЫЙ БЛОК(трехстворчатый) 1 – щелевая накладка 2 – внутренний откос оконного проема 3 – фиксатор фрамуги 4 – обвязка рамы фрамуги 5 – уплотнитель 6 – оконная петля 7 – подоконная доска 8 – рукоятка запорного устройства 9 – промежуточная обвязка оконной коробки 10 – нижняя обвязка наружной рамы 11 – боковая обвязка наружной рамы 12 – промежуточная обвязка оконной рамы 13 – боковая обвязка внешней рамы 14 – оконная коробка 15 – фиксатор | |

| НОЖНИЦЫ 1 – выступ кольца 2 – большое кольцо 3 – малое кольцо 4 – ручка 5 – осевой винт 6 – бранша 7 – широкое лезвие 8 – резец (режущая кромка) лезвия 9 – острие лезвия 10 – узкое лезвие 11– полозок | |

| | | | |
| | | МОЛОТОК 1 – квадратный боек 2 – торцевая часть 3 – головка ручки 4 – скос 5 – носок 6 – металлическая накладка 7 – ручка | |
| |
| | | | ТОПОР 1 – носок 2 – шейка клинка 3 – клин 4 – головка 5 – обух 6 – боковая стенка головки 7 – топорище 8 – бородка 9 – пятка 10 – лезвие клинка 11 – закрепительная часть 12 – средняя часть 13 – захватная часть 14 – хвост | |

| |
| | | УГЛЫ В ТРАСОЛОГИИ 1 – Встречный угол – угол между линией контактирования образующего объекта и линией направления движения. 2 – Фронтальный угол – угол, образованный плоскостью объекта и плоскостью вопринимающего объекта. 3 – Рабочий угол (угол заточки) – угол между пересекающимися плоскостями, образующими контактную линию. | |
1 2 3


| | | | | | | |
| | | Комплект отмычек для отпирания сувальдных замков | | |  |
| |
| |
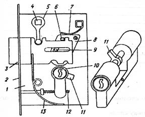
| | | ЗАМОК ВРЕЗНОЙ ДВЕРНОЙ С ЦИЛИНДРОВЫМ МЕХАНИЗМОМ | |
| |
| | |  |

| ЗАМОК ВРЕЗНОЙ ДВЕРНОЙ С СУВАЛЬДНЫМ МЕХАНИЗМОМ | |

| | | | |
| | | | а – запорная планка б – замок 1– ролик фиксатора 2 – пружина 3 – вилка 4 – упорная планка 5 – регулировочный винт 6 – регулировочная планка (гайка винта) 7 – пружина сувальды 8 – ось сувальды 9 – сувальда 10 – стойка ригеля (засова) 11 – ригель (засов) 12 – основание корпуса 13 – лицевая планка | |
| |
| | | ЗАМОК НАВЕСНОЙ ЦИЛИНДРОВЫЙ С ЛИТЫМ КОРПУСОМ | |
| |
| | | 1 – пружина дужки 2 – ограничительный штифт дужки 3 – корпус 4 – свободный конец дужки 5 – запираемый конец дужки 6 – головка засова (ригеля) 7 – хвостовик (шейка) засова (ригеля) 8 – паз для упорного штифта 9 – упорный штифт цилиндра 10 – заглушка 12 – штифт корпуса 13 – цилиндр 14 – скважина для ключа 15 – штифт цилиндра | |