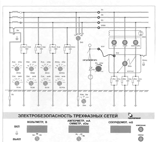
Стенд (Рис. 1.) представляет собой настольную конструкцию с вертикальной передней панелью. На лицевой панели стенда изображена мнемосхема системы «трехфазная электрическая сеть - человек», которая содержит изображение источника питания (трехфазная сеть), фазных и защитного проводников, электропотребителя, УЗО и цепи, имитирующие прикосновение человека к фазным проводам.
Индикация наличия фазных напряжений осуществляется тремя светодиодными индикаторами - желтым (фаза А), зеленым (фаза В) и красным (фаза С).
Реально существующие распределенные сопротивления изоляции и емкости проводов (фазных и нулевого) относительно земли изображены на мнемосхеме в виде сосредоточенных элементов - резисторов и конденсаторов, расположенных слева вне зоны защиты УЗО. Трехфазный электропотребитель показан на мнемосхеме в виде корпуса, подключенного к сети через УЗО, реагирующего на дифференциальный ток.
В изображении человека помещен светодиодный индикатор, сигнализирующий о превышении предельно допустимого длительного тока через человека.
На поле мнемосхемы, рядом с изображениями элементов моделируемой сети, размещены коммутационные элементы и регуляторы с соответствующими буквенно-цифровыми обозначениями, выполняющими следующие функции:
· изменение значений сопротивления изоляции проводов вне зоны защиты ("RAE", "RBE", "RCE", "RPEN"): "1; 2,5; 10; 25; 100; кОм" и емкости проводов ("САЕ", "СВЕ", "ССЕ", "CPEN"): "0; 0,1; 0,25; 0,5; 1,0; 2,5 МКФ",
· имитацию прикосновения человека к токоведущим проводам сети или к проводу сети на стороне трехфазного потребителя, подключенного к сети через УЗО, путем соединения гибким проводом со штеккерами клеммы "Хпр" с одной из клемм "ХА","ХВ";"ХС" или "ХАК", -имитацию замыкания одного из фазных проводов на землю ("Sk3"), при этом положение «О» соответствует нормальному режиму работы сети, - изменение значений сопротивления тела человека ("Rh"): "1 -100кОм"
· изменение значений сопротивления замыкания фазного провода на землю (″Rзм″): ″10, 100, 1000 Ом″, управление УЗО (кнопки «ПУСК», «СТОП», по которым производится включение-выключение УЗО, и «КОНТРОЛЬ», по которой одновременно с нажатием кнопки «ИЗМЕРЕНИЕ» производится оперативный контроль УЗО),
· подключение корпуса электропотребителя к нулевому проводу ("Sзащ"),
· имитация замыкания фазного провода электропотребителя на корпус ("Sk3 к", одновременно с нажатием кнопки «ИЗМЕРЕНИЕ»),
· переключение режима нейтрали («глухозаземленная -изолированная») с одновременным подключением (отключением) PEN-провода ("Sn").
Сопротивление заземления нейтрали ("Ro") установлено постоянное (4Ом).
Уровни напряжений на доступных прикосновению частях стенда не более ЗВ и не представляют опасности поражения электрическим током.
Индикация токов (Амперметр) и напряжений (Вольтметр) в моделируемой трехфазной сети, а также времени срабатывания УЗО (Секундомер) осуществляется цифровыми индикаторами в нижней части стенда. Индицируемые параметры зависят от положения переключателей «А1 - А2 - RH»(tok в цепи тела человека «А1», уставка УЗО «А2», либо сопротивление тела человека "RH") и «UA - UB - UC» (напряжения фазных проводов относительно земли).
По принципу работы стенд является цифровым микропроцессорным устройством, вычисляющим по соответствующим формулам параметры сети в зависимости от комбинаций коммутационных элементов на передней панели стенда. Результаты вычислений выводятся на цифровые индикаторы Индикаторы отображают «измеренные» (вычисленные) значения параметров по нажатию кнопки «ИЗМЕРЕНИЕ», расположенной справа в нижней части передней панели; показания сбрасываются нажатием кнопки «СБРОС», расположенной там же. При работе с УЗО кнопку «ИЗМЕРЕНИЕ» нажимают, удерживая кнопки «КОНТРОЛЬ» либо "Sk3 к".
Включение-выключение стенда производится тумблером «ВКЛ-ВЫКЛ», расположенным слева в нижней части передней панели стенда. При включении стенда загораются светодиодные индикаторы наличия фазных напряжений на мнемосхеме передней панели.

Рис. 1. Лабораторный стенд «Электробезопасность трехфазных сетей переменного тока БЖ 06/1М»






