Цель работы: Приобретение практических навыков по измерениям потребляемой реактивной мощности в узлах нагрузки и значений ее перетоков от источника к потребителю. Изучение влияния компенсации реактивной мощности на потери электрической мощности и напряжения,
Объект исследования: район электрической сети системы электроснабжения 0,4 кВ.
5.1 Задание
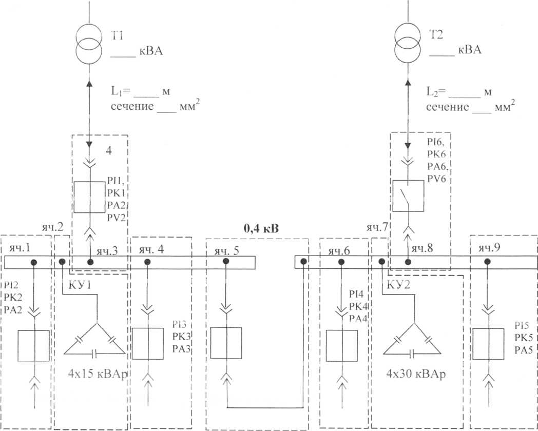
1. За заданный интервал времени Т с заданным интервалом осреднения А1 снять показания счетчиков (РI-активной и РК-реактивной) электрической энергии, амперметра РА и вольтметра РУ на вводе РП 0,4 кВ и занести в таблицу 5.1 (Т и ∆ t задается преподавателем). Нагрузки по отходящим линиям РП 0,4 кВ моделируются с помощью персонального компьютера.
2. Рассчитать нагрузки и построить графики по активной и реактивной мощностям, по полному току на каждом интервале осреднения в заданном узле электрической сети. Схема электрическая района электрической сети 0,4 кВ системы электроснабжения приведена на рисунке 5.1. Коэффициент счетчиков- 2500, показания амперметров необходимо умножать на 250. Напряжение измеряется фазное.
|
|
|
3. Рассчитать мощность конденсаторной установки (КУ) 0,4 кВ (количество ступеней регулирования и их мощности) необходимую для:
а) полной компенсации реактивной мощности узла на протяжении времени Т;
б) поддержания tg φ= 0,33;
в) поддержания tg φ = 0,5;
г) поддержания tg φ = 0,15;
Примечание: задание а-г выдается преподавателем для бригады студентов.
4. Построить график работы КУ за интервал времени Т с интервалом осреднения ∆ t.
5. С помощью четырех батарей конденсаторов по 15 кВАр КУ1 и четырех батарей конденсаторов по 30 кВАр КУ2 сформировать мощность конденсаторной установки (КУ) 0,4 кВ (количество ступеней регулирования и их мощности) необходимую для достижения целей а-г пункта 3 (учесть, что цена потребления и генерации реактивной мощности одинакова).
6. Построить график работы сформированной КУ за интервал времени Т с интервалом осреднения ∆ t.
7. За интервал времени Т с интервалом осреднения ∆ t снять показания счетчиков (РI-активной и РК-реактивной) электрической энергии, амперметра РА и вольтметра РV на вводе РП 0,4 кВ при работе сформированной КУ (при помощи коммутации ключей ступеней КУ1 и КУ2) и занести в таблицу 5.1.
8. Рассчитать и оценить потери электрической мощности, энергии, и напряжения в линиях и трансформаторах (сечение, длина и марка кабельных линий, мощность трансформаторов ТМ указаны в таблице 5.2 в соответствии с персональным вариантом студента) 1- без компенсации реактивной мощности, 2 - с учетом работы рассчитанной,
3 - с учетом работы сформированной КУ. Оценку сделать за интервал Т.
|
|
|
9. Сделать выводы по работе.
Таблица 5.1- Исходные данные
| t, мин | При отключенных КУ | При сформированной КУ | ||||||
| Wp, кВт* час | Wq, кВАр*час | I, A | U, В | Wp, к Вт*час | Wq, кВАр* час | I, A | U, В | |
| 0.00 | ||||||||
|
Рисунок 5.1 — Схема электрическая района электрической сети системы электроснабжения 0,4 кВ
Таблица 5.2 - Параметры линий и трансформаторов
|






