Закон Ома для всей цепи выражает соотношение между электродвижущей силой (ЭДС), сопротивлением и током. Согласно этому закону ток в замкнутой цепи равен ЭДС источника деленной на сопротивление всей цепи:
, (1.19)
где I - ток, протекающий по цепи;
E - ЭДС, генератора, подключенного к электрической цепи;
Rг - сопротивление генератора;
Rц - сопротивление цепи.
Закон Ома для участка цепи. Ток на участке цепи прямо пропорционален напряжению между началом и концом участка и обратно пропорционален сопротивлению участка. Аналитически закон выражается в следующем виде:
, (1.20)
где I - ток, протекающий на участке цепи;
R - сопротивление участка цепи;
U - напряжение на участке цепи.
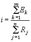
Обобщенный закон Ома. Сила тока в контуре цепи прямо пропорциональна алгебраической сумме ЭДС всех источников цепи и обратно пропорциональна арифметической сумме всех активных сопротивлений цепи.
, (1.21)
где m и n – количество источников и резисторов в контуре цепи.
При алгебраическом суммировании со знаком “плюс” берутся те ЭДС, направление которых совпадает с направлением тока, а со знаком “минус”– те ЭДС, направление которых не совпадает с направлением тока.
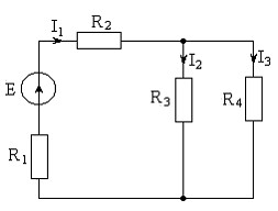
Первый закон Кирхгофа. Электрические цепи подразделяют на неразветвленные и разветвленные. На рис. 1.10 представлена простейшая разветвленная цепь.

Рис. 1.10 Схема разветвленной цепи.
Разветвленной называется такая электрическая цепь, в которой ток от какого-либо источника может идти по различным путям и, в которой, следовательно, имеются точки, где сходятся два и более проводников. Эти точки называютузлами. Токи, текущие к узлу считаются имеющими один знак, а от узла – другой.
Учитывая это правило для схемы, изображенной на рис. 1.11,а можно записать
или
.
Для цепи, имеющей n ветвей, сходящихся в одном узле, имеем:
, (1.22)
т.е. алгебраическая сумма токов ветвей, сходящихся в любом узле, равна
нулю.

Рис. 1.11 Схема поясняющая законы Кирхгофа.
Физически первый закон Кирхгофа означает, что движение зарядов в цепи происходит так, что ни в одном из узлов они не скапливаются.
Второй закон Кирхгофа устанавливает связь между ЭДС, токами и сопротивлениями в любом замкнутом контуре, который можно выделить в рассматриваемой цепи.
В соответствии со вторым законом Кирхгофа алгебраическая сумма ЭДС, действующих в любом контуре разветвленной электрической цепи, равна алгебраической сумме падений напряжений на всех сопротивлениях контура
, (1.23)
Рассмотрим электрическую цепь, изображенную на рис. 1.11,б. Обозначим стрелкой направление обхода контура. При составлении уравнений будем брать со знаком “плюс” те ЭДС и падения напряжений, направления которых совпадают с направлением обхода контура и со знаком “минус” те, которые направлены против обхода. Для цепи, изображенной на рис. 1.11,б второй закон Кирхгофа запишется в следующем виде:

Последовательное соединение – соединение, при котором конец первого проводника соединяют с началом второго, конец второго – с началом третьего и т.д.
Параллельное соединение – соединение, при котором начала всех проводников присоединяются к одной точке цепи, а их концы к другой.

Явление сверхпроводимости,
При температуре – 273,15 градусов Цельсия (0 Кельвина), удельное электрическое сопротивление всех металлов равно нулю. А, некоторые металлы и сплавы снижают свое удельное сопротивление до нуля при более «теплых» температурах. Например, Алюминий 1,14 К, Свинец 7,26 К, сплав Ниобий – Титан 10 К (-263,15 градусов Цельсия). Такие температуры можно создать жидким Гелием 4,2 К, жидким Водородом 20 К, или более дешевым, но более «теплым» жидким Азотом 77 К.
В общем случае, при абсолютном нуле: – 273,15 градусов Цельсия (0 К) прекращается тепловое (хаотическое) движение ионов кристаллической решетки металлов. Поэтому свободные электроны беспрепятственно движутся под действием электрического поля, не испытывая соударения
. 






