Размеры подошвы внецентренно нагруженных фундаментов определяют исходя из условий:

где p среднее давление под подошвой фундамента, определяемое как
;
максимальное краевое давление под подошвой фундамента;
то же, в угловой точке при действии моментов в двух направлениях; R расчетное сопротивление грунта основания.
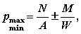
Максимальное и минимальное давления под подошвой внецентренно нагруженного фундамента определяются по формуле

где N суммарная вертикальная нагрузка на основание включая вес фундамента и грунта на его обрезах; А площадь подошвы фундамента; W момент сопротивления площади подошвы фундамента.
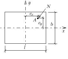
В некоторых случаях вертикальная нагрузка может быть приложена с эксцентриситетами относительно обеих главных осей подошвы фундамента (рис.Ф.10.22). В этом случае краевые давления в угловых точках подошвы определяются из выражения

где
и
моменты сил относительно главных осей; Wx и Wy моменты сопротивления относительно главных осей.
|
|
|
|
| Рис.Ф.10.22. Внецентренное нагружение фундамента |
В формулах для p max
фундамента давление распределяется неравномерно, а вследствие, расчетное сопротивление увеличено соответственно на 20 и 50 %. Это объясняется тем, что под подошвой внецентренно нагруженного большой жесткости фундамента и податливости грунта основания напряжения под более нагруженной частью перераспределяются.






