Тема: Анализ микроструктуры цветных сплавов.
Цель: Изучение микроструктуры цветных сплавов.
Ход работы:
Сплавы меди, латуни. Сплавы меди с цинком и небольшим количеством других элементов называется латунью. Сплавы, состоящие только из меди и цинка, называются простыми латунями.
По структурному признаку латуни могут быть разделены на два типа:
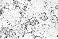
1. однофазные α – латуни, содержащие до 39% Zn. Эти латуни обладают наибольшей пластичностью, хорошо обрабатываются давлением в холодном и горячем состояниях, коррозионно-стойки. К α – латуням относятся медноцинковые латуни марок: Л 96; Л90; Л80; Л68. структура состоит их зерен α – раствора.
2. Двух фазные α+β – латуни, содержащие от 39 до 45% Zn. Двух фазные латуни обладают пониженной пластичностью, хорошо обрабатываются давлением в горячем состоянии, если переведены в однофазное β-состояние. К двухфазным относятся латуни Л62 и Л 59. Структура их при комнатной t состоит и светлых зерен α-раствора и темных включений β-фазы.
Для повышения механических, коррозионных и других свойств в латуни вводят легирующие элементы: кремний, марганец и алюминий, которые не образуют новых фаз, т.к. они находятся в растворе в α и β фазах. Для улучшения обрабатываемости резанием в двухфазные латуни вводят свинец. Однофазные α-латуни, содержащие до 39% Zn, не имеют фазовых превращений, поэтому они не подвергаются термической обработке.
|
|
|
Бронзы. Сплавы меди с оловом, алюминием, марганцем, кремнием, бериллием и другими элементами называется бронзами.
Цинк, фосфор и никель, вводили в оловянную бронзу, улучшают ее свойства и увеличивают количество эвтектоида, но не образует новых фаз, т.к. эти элементы находятся в твердом растворе.
Свинец, вводимый в оловянную бронзу и нерастворимый в меди, улучшает обрабатываемость бронзы резанием. Свинец присутствует в структуре в виде отдельных включений округлой формы. Оловянные бронзы применяются для зубчатых колес, арматуры, работающей в воде или паре.
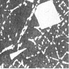
Двухфазные алюминиевые бронзы подвергаются термической обработке, закалке и отпуску. После закалки сплав приобретает структуру типа мартенсита, состоящую из игольчатых кристаллов. После отпуска структура сплава будут состоять из тонкой механической смеси фаз.
Сплавы алюминия. Алюминий с медью, магнием, кремнием, цинком образует ряд технических сплавов, обладающими лучшими свойствами, чем чистый алюминий. В этих системах сплавы разделяются на деформируемые и литейные.
К первым относятся сплавы состоящие в равновесном состоянии из твердого раствора и обладающие повышенной пластичностью.
Сплавы на основе Al-Cu представляют наиболее многочисленную группу и получили самое широкое распространение. В этой системе, в свою очередь различают сплавы деформируемые и литейные. Из деформируемых нашли применение сплавы марок АК2, АК4, АК6, АК8 и дюралевые Д1, Д6, Д16, Д18, Д3П, обладающие высокой прочностью и высокой пластичностью.
|
|
|
В состав дуралюмина входят следующие элементы: медь, магний, марганец и кремний, которые образуют хим. соединения, обладающие растворимостью с алюминием. Дуралюмины подвергают отжигу, закалке и старению.
Алюминиевые сплавы обладают высокой прочностью, теплопроводностью и износостойкостью. Наиболее распространен алюминиево-медный сплав, у которого структура состоит алюминиевой пластичной основе и опорных кристаллов хим. соединения CuAl2.
Белые подшипниковые сплавы состоят из олова, свинца с добавлением сурьмы, меди, мышьяка, кальция из пластичной основы, обеспечивающей хорошую прирабатываемость, и твердых включений, являющихся опорой валу.
Структура оловянистого баббита Б83 состоит из твердого раствора сурьмы и меди в олове и хим. соединений. В травленом шлифе твердый раствор имеет темный фон, хим. соединение CbSn – вид крупных светлых кристаллов и хим. соединение Cu3Sn – вид мелких светлых кристаллов. Б83 является более качественным баббитом и применяется для заливки подшипников валов, работающих при скоростях вращения.
В баббите Б16мягкой основой является раствор сурьмы и олова в свинце, а твердыми включениями – хим. соединения SbSn и CuSn. Б16 является более дешевым баббитом и по качеству уступает баббиту Б83, но с успехом применяется для подшипников тракторных и автомобильных двигателей.

Микроструктура однофазной латуни. Микроструктура двухфазной латуни

Микроструктура литой оловянистой бронзы

Микроструктура сплава Б82 Микроструктура закаленного
дуралюмина






