Электрические машины постоянного тока
Генераторы и двигатели постоянного тока по устройству не отличаются и состоят из следующих основных частей: неподвижные статора, подвижного якоря с коллектором и неподвижных щёток.
Статор служит для создания магнитного поля и представляет собой электромагнит с полюсами. Электромагнит состоит из полюсных сердечников и полюсных катушек. Полюсные катушки состоят из медного изолированного провода, надеваются на полюсные сердечники и являются обмоткой возбужденной машины.
Якорь состоит из сердечника, набранного из листов электротехнической стали, и обмотки, вложенной в пазы сердечника в виде витков. Якорь крепиться на валу, установленном в подшипниках, концы витков обмотки якоря припаиваются к коллектору.
Коллектор состоит из медных пластин, изолированных друг от друга.
В генераторах постоянного тока коллектор служит для преобразования переменного тока в постоянный ток, а в двигателях постоянного тока, постоянного тока в переменный ток.
Неподвижные щетки предназначены для снятия напряжения с якоря и состоят из брусков, изготовленных из медно-графитовых порошков. Щётки имеют скользящий контакт с пластинами коллектора.
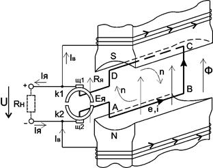
Модель генератора постоянного тока показана на рис.5.1.

Рис.5.1. Модель генератора постоянного тока
В основу действия генератора положен закон электромагнитной индукции. При вращении витка рамки якоря в магнитном поле полюсов NS статора,
индуктируется переменная ЭДС якоря е и появляется мгновенный ток i. Когда проводник АВ рамки проходит около северного полюса N статора, индуктированная переменная ЭДС якоря е направлена по правилу правой руки от зрителя. При прохождении проводника СД рамки около южного полюса S статора, индуктированная переменная ЭДС якоря е направлена к зрителю. Аналогично будет направлен переменный ток i в проводниках рамки якоря.
Во внешней цепи постоянный ток якоря
будет проходить от щетки Щ1 к щётке Щ2. Следовательно, при вращении рамки через нагрузку
проходит постоянный по направлению, но меняющийся во времени ток.
На рис.5.2 приведён график тока якоря для двух рамок якоря, расположенных под прямым углом. Для сглаживания пульсаций тока якоря в генераторах постоянного тока якорь имеет обмотку, состоящую из ряда одинаковых рамок, а коллектор состоит из большого числа пластинок.
Электродвижущая сила якоря генератора постоянного тока определяется из выражения
где с - конструктивная постоянная машины; n - частота вращения якоря в об/с; Ф – величина магнитного потока, измеряемая в веберах.

Рис.5.2. График временной зависимости тока якоря для двух рамок якоря, расположенных под прямым угло
По второму закону Кирхгофа для цепи с нагрузкой
, (5.1)
откуда
. (5.2)
Умножив обе части уравнения (5.2) на
, получим:
или
,
(5.3)
где
- полезная мощность;
- электромагнитная мощность;
- мощность потерь генератора.






