Четырёхслой
кремниевый вентиль с двумя электродами анод (А) и катод (К) называется динистором. На рис.7.23 изображены условное обозначение и схема включения динистора через нагрузочное сопротивление на источник питания.

Рис.7.23. Условное обозначение и схема включения динистора через нагрузочное сопротивление на источник питания
Если между анодом (А) и катодом (К) приложить небольшое постоянное напряжение, в прямом направлении, то при этом p-n -переходы П1 и П3 будут открытыми и их сопротивления малы. Переход П2 будет закрыт, так как он включен в обратном направлении и его сопротивление велико. Вентиль будет закрыт.
На рис.7.24 изображена вольтамперная характеристика динистора, которая подобна ветви обратной характеристики диода. При увеличении прямого напряжения питания до напряжения включения
(точка а) уменьшается сопротивление перехода П2 и динистор открывается (участок а-б-в), совпадая с характеристикой диода в прямом направлении, происходит образование свободных носителей зарядов (электронов и дырок).

Рис.7.24. Вольтамперная характеристика динистора
Напряжение открытого динистора составляет примерно 1вольт (участок б-в). При напряжении питания
динистор закроется.
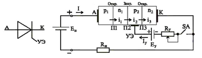
На рис.7.25 изображены условное обозначение и схема подключения к источникам питания и управления тиристора.

Рис.7.25. Условное обозначение и схема подключения к источникам питания и управления тиристора
Тиристор имеет три электрода анод (А), катод (К) и управляющий электрод (УЭ), который соединён со средней областью
. Если на управляющий электрод (УЭ) подать положительный потенциал от источника управления, то тиристор откроется при меньшем напряжении включения
. Чем больше ток управления
, тем меньше напряжение
тиристора. При токе управления 
(спрямления) тиристор будет работать как диод. На рис.7.26 изображена вольтамперная характеристика тиристора.

Рис.7.26. Вольтамперная характеристика тиристора
При напряжении
тиристор закроется. При подаче на зажимы анод (А) и катод (К) обратного напряжения
, тиристор будет заперт обратно включенными переходами П1 и П3. Тиристоры имеют два устойчивых состояния: закрыт и открыт. При закрытом тиристоре его сопротивление равно бесконечности, при открытом тиристоре сопротивление равно нулю. Поэтому тиристоры применяются в бесконтактных переключателях, инверторах, выпрямителях, схемах защиты.






