Лекция 15
Двухполупериодные выпрямители подразделяются на выпрямители с нулевым выводом трансформатора (рис.8.3) и на мостовые выпрямители (рис.8.4). На рис.8.5 показаны временные зависимости мгновенных напряжений
(для схемы рис.8.3) и мгновенного напряжения
(для схемы рис.8.4) на входе выпрямителей, а также мгновенных значений напряжения
и тока
на выходе обоих выпрямителей.

Рис.8.3. Двухполупериодный выпрямитель с нулевым выводом трансформатора

Рис.8.4. Двухполупериодный мостовой выпрямитель
Схемы представленных выпрямителей работают только при положительных потенциалах напряжений в точках а и б. Если в течение первого полупериода в точках а, будут положительные потенциалы, то в точках б – отрицательные. В этом случае токи нагрузок от точек с положительными потенциалами будут проходить в направлениях к точкам с отрицательными потенциалами через диоды VD1 (рис.8.3) и VD1,VD3 (рис.8.4). Во второй полупериод в точках а будут отрицательные потенциалы, а в точках б – положительные. Тогда токи нагрузок пойдут через диоды VD2 (рис.8.3) и VD2,VD4 (рис.8.4). Следовательно, в первый и во второй полупериоды переменного тока через нагрузочные сопротивления схем проходят пульсирующие токи в одном положительном направлении.
При двухполупериодном выпрямлении цикл выпрямления m=2. Электромагнитные вольтметры, подключенные к вторичным обмоткам трансформаторов, покажут действующие значения напряжений
.
Для измерений выпрямленных значений напряжений и токов применяют приборы магнитоэлектрческой системы, которые показывают средние значения пульсирующих напряжений и токов:
(8.7)

Рис.8.5. Временные зависимости мгновенных напряжений и тока двухполупериодных выпрямителей
Недостатком схемы выпрямителя с нулевым выводом трансформатора является величина обратного напряжения, действующего на диод:
тогда как для схемы мостового выпрямителя величина обратного напряжения, действующего на каждый диод, равна амплитудному значению напряжения вторичной обмотки: 
Для определения коффициента пульсации при двухполупериодном выпрямлении пользуются формулой:
тогда переменная составляющая определяется как 
Частота пульсаций
= 100 герц.
8.3. Трёхфазные выпрямители. Электрические сглаживающие фильтры
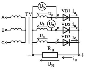
На практике широко применяются выпрямители трёхфазного переменного тока. Рассмотрим однотактную схему выпрямления, приведённую на рис.8.6, в которой вторичные обмотки трансформатора соединены звездой. На схеме показано включение вольтметров для измерения фазного и линейного напряжений вторичных обмоток трансформатора.
Трёхфазный выпрямитель собран как сочетание трёх однофазных схем выпрямления. В каждый момент времени ток через нагрузку создаётся только одной фазой вторичной обмотки трансформатора, имеющей наибольший
положительный потенциал относительно нулевой точки. За период каждая фаза вторичной обмотки трансформатора создаёт один импульс тока через нагрузку. График напряжения на нагрузке представлен на рис.8.7. Аналогичный вид имеет и график тока через нагрузку.

Рис.8.6. Схема трёхфазного выпрямителя с нулевым выводом трёхфазного трансформатора

Рис.8.7. Временные зависимости мгновенных напряжений фаз на нагрузке трёхфазного выпрямителя с нулевым выводом трёхфазного трансформатора
Для определения среднего значения напряжения (постоянной составляющей) выделем на графике участок, по времени равный (1/6)Т и вычислим для него среднее значение напряжения:
. (8.8)
Аналогично 
Амплитудное значение выпрямленного напряжения
.
Обратное напряжение, действующее на каждый диод, равно амплитуде линейного напряжения вторичных обмоток трансформатора:
. (8.9)
Коэффициент пульсаций определяется по формуле
= 0,25, где цикл пульсаций m=3. Тогда переменная составляющая
, а частота пульсаций
= 150 герц.
Выпрямленное напряжение, кроме постоянной составляющей
содержит переменную составляющую
(пульсацию). Пульсация увеличивает потери мощности. Для сглаживания пульсаций выпрямленного напряжения применяются сглаживающие фильтры, в качестве которых может быть использован конденсатор, подключенный параллельно к зажимам нагрузки выпрямителя; либо дроссель, подключенный последовательно нагрузочному сопротивлению выпрямителя. На рис.8.8 изображены схемы сглаживающих фильтров:
а) С-фильтр, б) RC-фильтр, в) L-фильтр, г) LC-фильтр.

Рис.8.8. Схемы сглаживающих фильтров
Коэффициенты сглаживания пульсаций фильтров определяются отношением переменных составляющих на входе и выходе каждого фильтра:
.
Коэффициент сглаживания пульсаций C-фильтра определяется по формуле:
, где m – число циклов выпрямления;
, где
- частота сети;
- ёмкость конденсатора,
- сопротивление нагрузки.
Коэффициент сглаживания пульсаций RC-фильтра определяется по формуле:
, где
,
- сопротивление фильтра.
Коэффициент сглаживания пульсаций L-фильтра определяется по формуле:
, где
- индуктивность дросселя.
Коэффициент сглаживания пульсаций LС-фильтра определяется по формуле:
, где
- коэффициент сглаживания пульсаций L-фильтра;
- коэффициент сглаживания пульсаций C-фильтра.
На рис.8.9 изображены графики, поясняющие принцип работы С – фильтра.

Рис.8.9. Временные диаграммы напряжений на нагрузке после двухполупериодного выпрямления и сглаживания С-фильтром
Для сглаживания пульсаций выпрямленного напряжения использован конденсатор, подключенный параллельно к зажимам нагрузки выпрямителя. Пульсирующие напряжение (ток) выпрямителя имеют постоянную и переменную составляющие. В конденсаторе сопротивление переменной составляющей меньше сопротивления нагрузки. Переменная составляющая пульсирующего напряжения замыкается через конденсатор, а постоянная составляющая заряжает конденсатор до определённого напряжения. При уменьшении напряжения импульса, напряжение конденсатора препятствует снижению напряжения на нагрузке, что сглаживает пульсации напряжения на нагрузке. Конденсатор разряжается на сопротивление нагрузки.