Способы регулирования выходного напряжения
Для обеспечения требуемого режима работы потребителей часто приходится решать задачу управления средним значением выпрямленного тока. Выпрямленное напряжение можно регулировать несколькими способами:
1. Регулирование на стороне переменного тока. При использовании неуправляемых вентилей среднее значение выпрямленного напряжения пропорционально напряжению питания U2ф. Следовательно, регулирование напряжения в этом случае возможно только за счет изменения входного напряжения. Такое регулирование осуществляется:
а) переключением отпаек трансформатора или применением автотрансформатора. В этом случае необходима специальная контактная аппаратура, позволяющая осуществлять переключение электрической цепи под нагрузкой. При этом снижается надежность и быстродействие выпрямителя;
б) использованием магнитных усилителей (дросселей насыщения, подмагничиваемых постоянным током), которые могут устанавливаться в цепи первичной или вторичной обмотки трансформатора. Для этого требуется дополнительная силовая аппаратура;
|
|
|
2. Регулирование по стороне постоянного тока можно осуществить с помощью регулируемых реакторов, включенных последовательно с неуправляемым вентилем или потенциометром. Но, из-за значительной установленной мощности дополнительных устройств неизбежна потеря мощности и снижение КПД выпрямителя. Поэтому такое регулирование можно использовать только в маломощных схемах выпрямления.
3. Отдельную область представляет регулирование выпрямленного напряжения с помощью управляемых вентилей. Наибольшее применение получил фазовый способ, основанный на управлении во времени моментом отпирания вентилей выпрямителя. В этом случае используются управляемые вентили – тиристоры, а выпрямитель называют управляемым.
3.2. Управляемый выпрямитель по схеме с нулевым выводом вторичной обмотки трансформатора
Рассмотрим принцип действия однофазного управляемого выпрямителя средней (и большой) мощности, который находит применение для питания постоянным током различных промышленных объектов и установок.
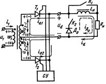
Общий вид однофазной двухполупериодной схемы с нулевым выводом и управляемыми вентилями представлен на рис. 3.1.

Рис. 3.1 – Схема однофазного управляемого выпрямителя с выводом нулевой точки трансформатора
Первоначально рассмотрим работу схемы при использовании идеальных вентилей и идеального трансформатора. В качестве вентилей применяются однооперационные тиристоры. Система управления обеспечивает подачу управляющих импульсов на силовые тиристоры с задержкой на угол α относительно моментов естественного отпирания вентилей.
|
|
|
Анализ схемы выполним для двух видов нагрузки: чисто активной и активно - индуктивной.
3.2.1. Работа однофазного управляемого выпрямителя на активную нагрузку
При работе выпрямителя на активную нагрузку ключ К1 в схеме на рис 3.1 включен, ключ К2 выключен. Временные диаграммы, характеризующие этот режим работы, приведены на рис. 3.2. Из временных диаграмм следует, что, например, при положительной полярности напряжения u1 к аноду тиристора Т1 прикладывается напряжение u2-1 положительной полярности, а к Т2 – напряжение u 2-2 отрицательной полярности. На интервале 0 – υ1 тиристры Т1 и Т2 закрыты. Следовательно, на этом интервале напряжение на выходе выпрямителя ud = 0 (рис 3.2, в).
В момент времени υ1, определяемый углом α, от системы управления (СУ) выпрямителя подается импульс на управляющий электрод тиристора Т1 и он отпирается (рис. 3.2, а, б). Угол задержки α, отсчитываемый от точки естественного отпирания тиристоров и выраженный в электрических градусах, называют углом управления выпрямителя.


Рис. 3.2 – Временные диаграммы, характеризующие работу схемы при активной нагрузке
При отпирании тиристора Т1 нагрузка Rн подключается на напряжение вторичной обмотки трансформатора u2-1 = u2. На нагрузке на интервале υ1 – π появляется напряжение ud, которое представляет собой участок кривой напряжения u2-1 = u2. Через нагрузку протекает ток, равный ιd = ιa1 = ud /Rн. При переходе напряжения u1 через нуль (υ =π) ток тиристора Т1 становится равным нулю и он закрывается.
На следующем интервале (π - 2π) полярность напряжения питания изменяется на противоположную. Схема работает аналогично, но с тиристором Т2, обеспечивая протекание тока через нагрузку ιd = ιa2 = ud /Rн .
При работе схемы на чисто активную нагрузку напряжение ud на нагрузке и ток нагрузки ιd имеют прерывистый характер.
Токи вторичных обмоток трансформатора определяются токами тиристоров Т1 и Т2, следовательно имеют нулевые паузы. Первичный ток ι1 связан с током вторичной обмотки коэффициентом трансформации и также имеет паузы на интервалах α.
При отпирании тиристора Т2 на тиристоре Т1 действует обратное напряжение (и наоборот), равное 2 u2. Максимальное обратное напряжение на тиристоре, как и в схеме неуправляемого выпрямителя, определяется соотношением Ubm = 2
(рис.3.2, в).
Неуправляемый выпрямитель можно рассматривать как частный случай управляемого выпрямителя, работающего с углом управления α = 0, поэтому основные соотношения, характеризующие работу неуправляемого выпрямителя, справедливы и для управляемой схемы. Расчетные мощности обмоток и типовую мощность трансформатора определяют исходя из неуправляемого режима.
Важнейшей особенностью управляемого выпрямителя является его способность регулировать среднее значение выпрямленного напряжения Ud при изменении угла управления α. Очевидно, если угол α = 0, кривая выходного напряжения ud соответствует случаю неуправляемого выпрямителя и среднее значение выпрямленного напряжения максимально Ud =
= 0,9 U2. При α = π значение напряжений на выходе схемы равны: ud = 0 и Ud = 0. Таким образом, изменяя угол управления в пределах от 00 до 1800 можно регулировать напряжение Ud от максимального значения до 0. Кривые напряжения ud = f (α) при различных углах управления α показаны на рис. 3.3.


Рис 3.3 – Кривые выходного напряжения выпрямителя при активной нагрузке и различных углах управления
Определим среднее значение выпрямленного напряжения для произвольного значения угла управления
Ud =
, (3.1)
где Ud0 = 0,9 U2 – среднее значение выпрямленного напряжения при угле управления α = 0.
Зависимость Ud = f (α) называется регулировочной характеристикой управляемого выпрямителя, а выражение (3.1) представляет собой уравнение регулировочной характеристики. На рис. 3.4 построены регулировочные характеристики однофазного управляемого двухполупериодного выпрямителя, работающего на активную нагрузку (Lн = 0) и на активно-индуктивную нагрузку (Lн → ∞).
|
|
|

Рис. 3.4 – Регулировочные характеристики однофазного управляемого выпрямителя при различном характере нагрузки
3.2.2. Работа однофазного управляемого выпрямителя на активно – индуктивную нагрузку
Процессы в управляемом выпрямителе при его работе на активно – индуктивную нагрузку (ключи К1 и К2 в схеме на рис. 3.1 разомкнуты) существенно отличаются от процессов при работе схемы на активную нагрузку.
Временные диаграммы, характеризующие влияние на процессы в схеме индуктивности в цепи нагрузки выпрямителя показаны на рис. 3.5.
После отпирания очередного тиристора ток ιd нарастает плавно, что соответствует запасанию энергии в индуктивности Lн. (рис 3.5, б). При спадании тока запасенная энергия отдается обратно, поэтому ток продолжает протекать через нагрузку после перехода напряжения u1 через нуль (т.е. ток в нагрузке поддерживается запасом энергии, накопленной в индуктивности). В результате этого длительность интервала проводимости тиристоров Т1 и Т2 увеличивается, и тиристоры остаются открытыми в течение некоторого интервала после изменения полярности напряжений u1 и u2.

Рис.3.5 – Осциллограммы напряжения и тока нагрузки однофазного управляемого выпрямителя в зависимости от величины Lн
Поэтому в кривой выпрямленного напряжения ud появляются участки напряжения u2 отрицательной полярности (рис 3.5, а,б).
Длительность этих участков τ зависит от соотношения активного сопротивления Rн и индуктивного Lн: τ = Lн / Rн. Если Lн увеличивается, а Rн = const участки τ также увеличиваются. При Lн → ∞ участки отрицательной полярности полностью занимают интервалы α, а выпрямленный ток ιd идеально сглажен (на рис. 3.5. этот режим не показан).
Наличие участков отрицательной полярности приводит к уменьшению среднего значения напряжения на нагрузке Ud. В этом проявляется влияние параметров нагрузки на форму кривой ud и величину Ud.Наиболее характерным режимом работы мощного управляемого выпрямителя является работа при Lн → ∞. В этом случае участки отрицательной полярности в кривой ud целиком занимают интервалы α, а кривая тока ιd идеально сглажена (рис. 3. 6, б-в).
|
|
|


Рис. 3.6 – Временные диаграммы напряжений и токов при наличии в схеме нулевого диода
Токи тиристоров ιа1 и ιа2 имеют вид импульсов прямоугольной формы (рис. 3.6, г-д). Среднее значение тока тиристора равно
Ia = Id / 2.
Ток питающей сети (входной ток) ι1 является переменным и имеет прямоугольную форму с амплитудой форму I1m = Id / n. Первая гармоника тока ι1(1) сдвинута в сторону отставания на угол φ = α относительно напряжения u1.
Наличие индуктивности Lн → ∞ приводит к тому, что при угле α = 900 напряжение ud становится равным нулю из-за равенства площадей положительной и отрицательной полярности. При этом изменится вид регулировочной характеристики (рис.3.4), определяемой по формуле
Ud =
= Ud0 cos α. (3.2)
Отставание первой гармоники тока ι1 от напряжения u1 приводит к потреблению выпрямителем от сети реактивной мощности, что ухудшает энергетические показатели преобразовательной установки.
Рассмотрим, каким образом можно уменьшить указанное явление без установки специальных компенсирующих устройств. Одним из способов является подключение к выходной цепи управляемого выпрямителя нулевого диода Д0.
3.2.3. Работа однофазного управляемого выпрямителя с RL – нагрузкой и нулевым диодом
Рассмотрим особенности работы выпрямителя при наличии в схеме нулевого диода. Для создания этого режима необходимо чтобы в схеме рис. 3.1 ключ К1 был выключен, а ключ К2 – включен. Временные диаграммы для рассматриваемого режима приведены на рис.3.7


Рис. 3.7 – Осциллограммы напряжений и токов в схеме однофазного управляемого выпрямителя с RL – нагрузкой и нулевым диодом Д0
Из диаграмм видно, что отличие в работе схемы проявляется на интервалах α, на которых ток нагрузки поддерживается энергией, накопленной в индуктивности. Нулевой диод исключает цепь протекания тока ιd через работающий тиристор при изменении полярности напряжения, так как через диод Д0 напряжение вторичной обмотки трансформатора подается на проводящий тиристор в обратном направлении (например напряжение u2-1 на тиристор Т1). Обратное напряжение вызывает запирание тиристора, вследствие чего ток нагрузки после изменения полярности вторичного напряжения переводится в цепь нулевого диода Д0, минуя тиристоры и обмотки трансформатора.
Шунтирование диодом Д0 выходной цепи выпрямителя приводит к появлению нулевых пауз в кривой выпрямленного напряжения ud и сокращению интервала проводимости тиристоров до значения π- α. В сетевом токе ι1 также создаются нулевые паузы длительностью α. При этом первая гармоника тока ι1(1) сдвинута относительно напряжения u1 теперь уже на угол φ =
.
Регулировочная характеристика выпрямителя при наличии нулевого диода описывается уравнением (3.1), как и для выпрямителя с R – нагрузкой.
Режим работы и регулировочные характеристики мостового выпрямителя с полным числом управляемых вентилей такие же как и однофазного нулевого двухполупериодного выпрямителя.
Основное отличие, как и в неуправляемых выпрямителях, состоит в меньшей величине обратного напряжения. прикладываемого к тиристору в закрытом состоянии Ubm
.
В мостовом выпрямителе с неполным числом управляемых вентилей (2 диода и 2 тиристора – несимметричная схема) диоды имеют то же назначение, что и Д0 в нулевом двухполупериодном выпрямителе.
3.3. Коммутация тока. Внешние характеристики мощных однофазных выпрямителей
В выпрямителях средней и большой мощности возрастает влияние электродвижущих сил (ЭДС), которые создаются в первичной и вторичной обмотках трансформатора. ЭДС создаются магнитными потоками рассеяния обмоток. Это обусловлено следующими причинами:
- в мощных выпрямителях токи достаточно велики. Обмотки трансформатора и монтаж выполняются проводами большего сечения, что приводит к значительному уменьшению активных сопротивлений в схеме;
- увеличиваются индуктивности рассеяния трансформатора из-за ухудшения магнитной связи между обмотками при выполнении трансформатора на бо?льшую мощность.
Влияние индуктивности рассеяния обмоток трансформатора Ls1 и Ls2, также индуктивности питающей сети Lс, учитывается суммарной индуктивностью Lа, приведенной ко вторичной (вентильной) обмотке трансформатора La = Ls2 + (Ls1 + Lc) (ω1 / ω2)2, или суммарным индуктивным сопротивлением ха = 2πfLa. Ориентировочно (без учета индуктивности рассеяния сети, Lc) оценить величину индуктивности ха можно по формуле
ха =
. (3.3)
В маломощных выпрямителях переход тока с вентиля на вентиль (процесс коммутации) происходит практически мгновенно, ввиду незначительной величины индуктивности рассеяния. Увеличение индуктивности рассеяния в выпрямителях средней и большой мощности сказывается на процессе перехода тока нагрузки с одного вентиля на другой. Время, в течение которого происходит этот переход, обычно измеряется в угловой мере и называется углом коммутации γ.
В выпрямителях средней и большой мощности коммутационные процессы оказывают существенное влияние на работу, показатели и характеристики выпрямителя.
Процесс коммутации и его влияние на работу выпрямителя, рассмотрим на примере однофазной нулевой двухполупериодной схемы, показанной на рис. 3.8. Временные диаграммы, учитывающие влияние коммутации тока тиристоров приведены на рис.3.9, а – г. Анализ проводим для управляемого выпрямителя. При значении угла управления α = 0 все полученные ниже соотношения будут действительны для неуправляемой схемы. Нагрузка выпрямителя принимается активно – индуктивной, с величиной индуктивности Lн → ∞, (при таком допущении ток в цепи нагрузки хорошо сглажен).

Рис. 3.8 – Схема однофазного управляемого нулевого двухполупериодного выпрямителя с учетом индуктивностей рассеяния
Индуктивности рассеяния обмоток трансформатора учтены в схеме рис. 3.7 суммарными индуктивными сопротивлениями (анодные индуктивности) ха1 и ха2. Сопротивление ха часто называют паразитным.

Рис. 3.9 – Временные диаграммы, поясняющие влияние коммутационных процессов в схеме выпрямителя
Влияние коммутационных процессов проявляется в следующем. При подаче отпирающего импульса на очередной тиристор выпрямителя, например на Т2, тиристор включается, и начинается коммутация тока с тиристора Т1 на тиристор Т2. Ток в цепи с анодной индуктивностью не может измениться мгновенно, т.е. требуется некоторое время, чтобы ток одного вентиля (например Т1) уменьшился от Id до нуля, а ток другого вентиля (Т2) увеличился от нуля до Id. По указанной причине на интервале коммутации γ в проводящем состояниинаходятся оба тиристора. Возникает короткозамкнутый контур, образуемый последовательно соединенными вторичными обмотками трансформатора с суммарным напряжением 2 u2 и сопротивлением ха1 + ха2. Если принять ха1 = ха2, то к каждому из анодных сопротивлений ха прикладывается напряжение u2.
Мгновенное значение напряжения на нагрузке на интервале коммутации определяется полусуммой фазных напряжений, участвующих в коммутации
ud =
. (3.4)
Так как u 2-1 = - u 2-2, относительно нулевого вывода вторичной обмотки трансформатора, то ud = 0. Поскольку на интервале коммутации мгновенное значение выходного напряжения уменьшается, его среднее значение Ud также будет меньше
Ud = Ud0 -?Udγ, (3.5)
где Ud0 = 0,9 U2 – среднее значение напряжения на нагрузке при α = 0 без учета процесса коммутации (т.е. в режиме холостого хода выпрямителя);?Udγ – усредненное за период коммутационное снижение напряжения.
При определении величины?Udγ перейдем к новым пределам интегрирования
?Udγ =
=
. (3.6)
Входящую в формулу (3.6) тригонометрическую функцию
, определяют из более детального рассмотрения коммутационного процесса. При этом находят ток коммутации, представив его в виде принужденной и свободной составляющих ιк = ι к.пр + ι к.св . Затем найденное значения тока ιк выражают через известные параметра Id, Ud и ха. Опустив промежуточные преобразования, получим
=
. (3.7)
После подстановки полученного значения в формулу (3.6), найдем
?Udγ =
, (3.8)
Уравнение внешней характеристики управляемого двухполупериодного нулевого выпрямителя будет иметь вид
Ud = Ud0 cos α -
. (3.9)
Вид внешних характеристик для различных углов управления показан на рис. 3.10.

Рис. 3.10 – Внешние характеристики однофазного управляемого выпрямителя
При α = 0 внешняя характеристика будет представлена верхней линией. Эта характеристика соответствует мощному неуправляемому выпрямителю и описывается уравнением вида
Ud = Ud0 -
. (3.10)
Следует отметить, что коммутационные явления в схеме выпрямителя приводят к возрастанию фазового сдвига потребляемого (сетевого) тока относительно питающего напряжения. Фазовый сдвиг первой гармоники тока ι 1(1) приблизительно увеличивается на угол γ / 2 и составляет
φ = α +
. (3.11)
Коммутационные процессы в мостовом управляемом однофазном выпрямителе подобны процессам в нулевой схеме. Отличие заключается в том, что в мостовой схеме на этапе коммутации одновременно открыты четыре тиристора. При этом значение величины тригонометрической функции для нулевой схемы (формула 3.7) в мостовой схеме увеличивается в два раза, а именно
=
. (3.12)
Уравнение внешней характеристики мостового управляемого однофазного выпрямителя имеет вид
Ud = Ud0 cos α -
. (3.13)
Увеличение в два раза значения тригонометрической функции в мостовой схеме компенсируется уменьшением тоже приблизительно в два раза величины ха за счет лучшей магнитной связи вторичной и первичной обмоток трансформатора (т.е. за счет уменьшения их индуктивности рассеяния). Поэтому внешние характеристики мостового управляемого выпрямителя и нулевого будут примерно одинаковыми при одинаковой мощности выпрямителей. Аналогично, угловой сдвиг в схеме между первой гармоникой тока ι 1(1) и напряжением u1 определяется соотношением (3.11).
4. ВЫПРЯМИТЕЛИ ТРЕХФАЗНОГО ТОКА
Выпрямители трехфазного тока находят широкое применение в различных производственных схемах, так как питание постоянным током потребителей средней и большой мощности производится, в основном, от трехфазных (или эквивалентных многофазных) схем выпрямления.
Применение трехфазных схем выпрямления позволяет:
1. Создать равномерную нагрузку на все три фазы сети;
2. Уменьшить пульсации выпрямленного напряжения;
3. Уменьшить расчетную мощность вентильного трансформатора
4. Повысить коэффициент мощности.
Трехфазная нулевая схема применяется довольно редко, поскольку в ней хуже используется трансформатор, а вентили должны выбираться на относительно высокое обратное напряжение. Но так как важнейшая преобразовательная схема – трехфазная мостовая (схема Ларионова) – состоит из двух нулевых схем, первоначально рассмотрим принцип действия выпрямления трехфазного тока на примере этой схемы.
4.1. Неуправляемый выпрямитель трехфазного тока с нулевым выводом
На рис. 4.1 приведена трехфазная нулевая неуправляемая схема выпрямления. При замене в схеме диодов на тиристоры получается управляемый выпрямитель.
В схему входит трансформатор со вторичными обмотками, соединенными звездой. Выводы вторичных обмоток соединены с анодами 3-х вентилей. Нагрузка включается между общей точкой соединения катодов вентилей и нулевым выводом вторичных обмоток трансформатора.
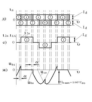
На рис. 4.1,б показана трехфазная система вторичных напряжений трансформатора относительно нулевой точки (система фазных напряжений uа, ub, и uc). Из-за способа подключения нагрузки вентили могут проводить ток только при положительной полярности вторичных напряжений.


Рис. 4.1. Схема трехфазного нулевого выпрямителя (а) и временные диаграммы, характеризующие работу схемы при активной нагрузке (б – ж)
Но в открытом состоянии может находиться только один из вентилей, тот вентиль, для которого фазное напряжение выше, чем у двух других. На интервале υ1 – υ2 в открыт вентиль В1, на интервале υ2 – υ3 открыт вентиль В2, на интервалеυ3 – υ4 – В3, затем вновь вентиль В1 и т.д. Следовательно, интервал проводимости каждого вентиля составляет ψ =
(рис.4.1, б). Моменты υ1, υ2, υ3, соответствующие точкам пересечения двух синусоид вторичных напряжений, являются точками (моментами) естественного отпирания очередного вентиля.
В открытом состоянии вентиль подключает напряжение соответствующей фазы к нагрузке и на ней действует однополярное пульсирующее напряжениеu ud, состоящее из участков фазных напряжений ua, ub, uc (рис.4.1,в).
При работе выпрямителя на чисто активную нагрузку, кривая тока ιd = ud/3 имеет ту же форму, что и напряжение ud (рис. 4.1, в). Кривые анодных токов соответствуют указанной очередности отпирания вентилей (рис. 4.1, г-е).
Исходными данными для расчета схемы, как и при расчете однофазных выпрямителей, являются значения Ud, Id (Rн), U1.
Среднее значение выпрямленного напряжения Ud определяют по заштрихованной площадке (рис. 4.1,в)
Ud =
, (4.1)
где U2 – действующее значение фазного напряжения на вторичной обмотке трансформатора.
Отсюда
U2 =
= 0,85Ud. (4.2)
Данная схема имеет лучшие показатели по соотношению величин Ud и U2 по сравнению с однофазной схемой. Лучшие показатели имеет трехфазная схема и в отношении коэффициента пульсации и частоты пульсаций выпрямленного напряжения:
, f(п)1 = mfс = 150 Гц.
Средний ток вентиля Ia и максимальный ток Iamax, соответственно равен
Ia =
, Iamax = Id, (4.3)
где Id = Ud / Rн – среднее значение тока нагрузки.
Напряжение на вентиле зависит от разности потенциалов между анодом и катодом. Рассмотрим кривую обратного напряжения на вентиле В1 (рис. 4.1, ж). Изменение потенциала анода В1 определяется фазным напряжением uа, а катода – изменением фазного напряжения ub (при проводящем вентиле В2) или изменением фазного напряжения uc (при проводящем вентиле В3). Следовательно, обратное напряжение ub1 состоит из участков кривых линейных напряжений uba и uca, поэтому максимальное обратное напряжение равно амплитуде линейного вторичного напряжения трансформатора
Ubmax =
2,09Ud. (4.4)
Токи вторичных обмоток вентильного трансформатора ι2а, ι2b, ι2с определяются соответствующими токами вентилей, т.е. ι2 = ιа. Кривые анодных токов вентилей содержат постоянную составляющую, равную Id / 3. Протекая через вторичные обмотки трансформатора, постоянная составляющая создает в каждом из трех стержней магнитопровода однонаправленный поток вынужденного подмагничивания трансформатора, из-за чего увеличивается намагничивающий ток трансформатора.
Постоянная составляющая тока не трансформируется в первичную обмотку, поэтому мгновенные значения фазных токов первичной обмотки трансформатора, соединенной в треугольник, определяются соотношениями:
ι1А = (ι2а -
)
; ι1B = (ι2b -
)
; ι1C = (ι2c -
)
;
или
ι1 = (ι2 -
)
. (4.5)
Определим действующие значения токов I1 и I2 при активно-индуктивной нагрузке выпрямителя (L → ∞), характерной для выпрямителей средней и большой мощности
I2 =
(4.6)
I1 =
, (4.7)
где ι1 – соответствует (4.5).
Расчетные мощности первичных и вторичных обмоток трансформатора и типовая мощность всего трансформатора равны:
S1 = 3U1I1 =
= 1,21Pd, (4.8)
S2 = 3U2I2 =
=1,48Pd, (4.9)
Sт =
=1,345Pd. (4.10)
Наличие постоянной составляющей является одним из существенных недостатков трехфазной схемы с нулевым выводом, поскольку может привести к насыщению магнитопровода. Во избежание насыщения, приходится или увеличивать сечение магнитопровода (а, следовательно, и габариты трансформатора) или использовать более сложную конструкцию трансформатора. Например, на каждом стержне магнитопровода располагают две вторичные обмотки, включенные таким образом, что при протекании тока через них возникает разнонаправленный магнитный поток. При этом постоянная составляющая потока в каждом стержне магнитопровода трансформатора (поток вынужденного подмагничивания) будет отсутствовать.Все это ограничивает применение данной схемы в установках большой мощности.
Лучшие результаты дает применение трехфазной мостовой схемы, в которой, как составная часть используется трехфазная нулевая схема.
4.2. Схема трехфазного мостового неуправляемого выпрямителя
Схема трехфазного мостового выпрямителя (схема Ларионова) и временные диаграммы, характеризующие ее работу, показаны на рис. 4.2. В этой схеме последовательно соединены две трехфазные выпрямительные группы, каждая из которых повторяет работы трехфазного нулевого выпрямителя.


Рис. 4.2. Схема трехфазного мостового неуправляемого выпрямителя (а) и временные диаграммы выпрямителя при L → ∞, (б – и)
Вентили схемы образуют две группы: катодную, с общей точкой соединения катодов (вентили 1,3,5) и анодную, с общей точкой соединения анодов (вентили 2,4,6). Нагрузка подключена между точками соединения катодов и анодов вентилей.
Анализ работы схемы проводится при RL-нагрузке, наиболее распространенной на практике. Приняв потенциал общей точки звезды вторичной обмотки трансформатора за нуль, можно считать, что напряжение на нагрузке есть сумма двух 3-х фазных нулевых схем выпрямления, собранных на вентилях катодной и анодной групп
ud = φd(+) – φd(-), (4.11)
где φd(+) – потенциал катодов вентилей катодной группы;
φd(-) – потенциал анодов анодной группы вентилей.
Из сказанного следует, что в отличие от нулевой схемы, где ток нагрузки создается под действием фазного напряжения, в мостовой схеме ток создается под действием линейного напряжения.
Обратимся к схеме. Ток нагрузки протекает через два вентиля, один из которых расположен в катодной группе, а другой – в анодной группе. Контур тока нагрузки при открытых вентилях 1 и 6 показан на рис 4.2, а. В катодной группе открыт тот вентиль, напряжение анода которого при положительной полярности относительно нулевой точки (т.е. фазное напряжение) будет наибольшим. В анодной группе открыт вентиль, фазное напряжение которого при отрицательной полярности наибольшее. Таким образом, в проводящем состоянии находятся те два накрест лежащих вентиля, между которыми действует в проводящем направлении наибольшее линейное напряжение. Например, на интервале υ1 – υ2 открыты вентили 6 и 1; на интервале υ2 – υ3 – 1 и 2; на интервале υ3 – υ4 – 2 и 4 и т.д. Интервал проводимости каждого вентиля (в катодной и анодной группе) равен Ψ = 2π /3, а интервал совместной работы двух вентилей составляет Ψ1 = π /3. Таким образом, за период напряжения питающей сети происходит шесть переключений вентилей, в связи с чем схему называют шестипульсной.
Определим основные соотношения для данной схемы. Разность потенциалов φd(+) и φd(-) определяет напряжение на нагрузке. Кривая φd(+) формируется из участков фазных напряжений положительной полярности катодной группы вентилей, а кривая φd(-) – из участков фазных напряжений отрицательной полярности анодной группы вентилей (рис. 4.2,б). Кривая ud состоит из участков линейных напряжений вторичных обмоток трансформатора. Среднее значение выпрямленного напряжения Ud определяют по среднему напряжению ud за период его повторяемости, равный π /3
Ud =
. (4.12)
Напряжение Ud в мостовой схеме в два раза больше чем в нулевой схеме, поскольку на нагрузке суммируются напряжения двух нулевых выпрямителей. Очевидно, в этом случае требуется вдвое меньшее напряжение U2, равное
U2 =
. (4.13)
В мостовой схеме значительно снижается коэффициент пульсаций выпрямленного напряжения по первой гармонике и увеличивается частота пульсаций. При m = 6 получим:
q1 =
0,057; f(п)1 = mfс = 6×50 = 300 Гц.
Среднее и максимальное значение анодного тока в вентиле определяется равенством (4.3).
При проводящем состоянии двух вентилей схемы, другие четыре вентиля находятся в закрытом состоянии. Кривая обратного напряжения строится также как и для трехфазной нулевой схемы и состоит из участков линейных напряжений вторичных обмоток трансформатора (рис. 4.2, и). Максимальное (амплитудное) значение обратного напряжения, как и в нулевой схеме, равно Ubmax =
. Однако соотношения между Ubmax и Ud в мостовой схеме другие, поэтому максимальное обратное напряжение, прикладываемое к вентилю в закрытом состоянии, в мостовой схеме меньшее
Ubmax =
1,045Ud. (4.14)
В соответствии с (4.14) вентили в трехфазном мостовом выпрямителе выбирают на напряжение приблизительно равное Ud.
Для расчета трансформатора определяют действующие значения вторичного тока I2 и первичного – I1 (рис.4.2, з). Ток вторичной обмотки трансформатора, определяется токами двух вентилей, подключенных к каждой фазе. Например, ток ι2а состоит из токов вентилей 1 и 4. Вторичный ток является переменным, имеет форму прямоугольных импульсов с амплитудой Id и паузой между импульсами, равной π / 3. Постоянная составляющая в токе ι2 отсутствует, поэтому вынужденное подмагничивание магнитопровода трансформатора в мостовой схеме также отсутствует. Токи I1 и I2 определяют из следующих соотношений
I2 =
, (4.15)
I1 =
. (4.16)
В мостовой схеме расчетные мощности первичных и вторичных обмоток и типовая мощность трансформатора равны:
S1 = S2 = Sт = 3
(4.17)
Из (4.17) следует, что трансформатор для трехфазного мостового выпрямителя выбирают на мощность близкую к мощности нагрузки, что также является преимуществом этой схемы.
При сравнении рассматриваемой схемы с трехфазной нулевой схемой, очевидны преимущества мостового трехфазного выпрямителя:
- большее среднее значение выпрямленного напряжения по отношению к фазному напряжению вторичной обмотки трансформатора;
- высокий показатель использования диодов по обратному напряжению (
- мостовая схема,
- нулевая схема);
- меньшее значение коэффициента пульсаций мгновенного значения выпрямленного напряжения (q1 = 5,7% - мостовая схема; q1 = 25% - нулевая схема);
- лучшее использование трансформатора, т.е. типовая мощность меньше чем в нулевой схеме;
- отсутствие потока вынужденного подмагничивания.
4.3. Коммутация вентилей в трехфазном неуправляемом выпрямителе. Внешние характеристики
Все соотношения для трехфазных схем (нулевой и мостовой) получены без учета коммутации вентилей. Поэтому для реальных выпрямителей эти соотношения можно считать приближенными, а значения Ud = 2,34 U2 (мостовая схема) и Ud = 1,17 U2 (нулевая схема) равны напряжению холостого хода выпрямителя Ud0.
Влияние коммутационных процессов на работу выпрямителя рассмотрен на примере трехфазного мостового неуправляемого выпрямителя (рис.4.3). Разобран случай коммутации токов в нормальных режимах работы выпрямителя (не аварийных) при идеально сглаженном выпрямленном токе. Для нулевой трехфазной схемы укажем отличительные особенности.
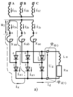
Ввиду наличия индуктивностей рассеяния, которые учтены приведенными ко вторичной обмотке трансформатора “анодными реактивностями” хаа, хab, xac (рис. 4.3,а), переход тока с одного вентиля на другой в пределах анодной или катодной групп происходит в течение интервала коммутации γ.



Рис.4.3. Схема трехфазного мостового выпрямителя с “анодными реактивностями” (а) и временные диаграммы, учитывающие явление коммутации (б – е)
Коммутация начинается в моменты времени υ1, υ2, υ3 и т.д., т.е. в точках естественного отпирания очередных вентилей, когда достигается равенство фазных напряжений вторичных обмоток трансформатора. В трехфазной мостовой схеме на этапе коммутации открыты одновременно три вентиля, два из которых в анодной или катодной группе участвуют в коммутации. За интервал коммутации ток вентиля, заканчивающего работу, например В1, спадает до нуля, а вступающего в работу (В3) нарастает до ιd = Id (рис. 4.3, г).
При коммутации вентилей 1 и 3 потенциал шины нагрузки φd(-) определяется фазным напряжением uc за счет проводимости вентиля 2. Потенциал шины φd(+) формируется с участием фазных напряжений ua и ub в короткозамкнутом контуре с вентилями 1 и 3:
φd(+) =
. (4.18)
Из формулы (4.18) следует, что в процессе коммутации двух вентилей, потенциал соответствующей шины нагрузки изменяется как полусумма напряжений двух фаз, участвующих в коммутации. Это вызывает уменьшение выпрямленного напряжения ud на этапе коммутации γ (рис 4.3,б, в). Среднее значение выходного напряжения за счет коммутационных процессов снижается:
Ud = Ud0 –?Udγ, (4.19)
где?Udγ – среднее за период коммутационное снижение напряжения.
Для оценки величины?Udγ используют тот же подход, что и при расчете коммутационных потерь напряжения в однофазных выпрямителях (§3.3). Опустив промежуточные выкладки, получим
?Udγ =
. (4.20)
Уравнение внешней характеристики трехфазного мостового неуправляемого выпрямителя получают при подстановке (4.20) в (4.19):
Ud = Ud0 -
. (4.21)
Для трехфазного нулевого выпрямителя уравнение внешней характеристики имеет вид:
Ud = Ud0 -
. (4.22)
Внешняя характеристика Ud = f (Id) трехфазного выпрямителя имеет такой же вид, как и внешняя характеристика мощного однофазного выпрямителя (рис. 3.10, верхняя кривая). Отличия заключаются только в значении (величине) напряжения холостого хода Ud0 и в наклоне кривой, который зависит от величины тока Id и “анодных реактивностей”.
Влияние процессов коммутации на форму кривых анодных токов (рис.4.3, г) сказывается также на форме кривых первичного и вторичного токов трансформатора (рис. 4.3, д) – первая гармоника сетевого тока отстает от напряжения сети на угол φ ≈ γ /2.
4.4. Мостовой управляемый выпрямитель трехфазного тока
Схема трехфазного мостового управляемого выпрямителя и временные диаграммы, характеризующие работу схемы, показаны на рис. 4.4. Анализ схемы проведем без учета коммутационных процессов. Позже укажем их влияние. Все сказанное выше, включая и расчетные соотношения, справедливо для управляемой мостовой схемы выпрямления.

3
Рис. 4.4. Схема трехфазного мостового управляемого выпрямителя (а) и временные диаграммы, характеризующие работу схемы (б –ж)
Особенность работы управляемого выпрямителя состоит в задержке на угол α момента отпирания тиристоров в точках их естественного отпирания υ1, υ2, υ3 и т.д. (рис. 4.4, б). При этом кривые потенциалов φd(+) и φd(-) и напряжение ud приобретают вид, показанный на рис. 4.4,в,г. Среднее значение напряжения Ud уменьшается. Следовательно, при изменении угла α осуществляется регулирование величины Ud. Влияние изменения угла управления α на кривую мгновенного значения напряжения ud и величину среднего выпрямленного напряжения Ud показано на рис. 4.5.

Рис. 4.5. Кривые выходного напряжения трехфазного мостового управляемого выпрямителя при различных углах управления α
Как видно из рисунка 4.5, а,б, при изменении угла α от 0 до 60° переход ud c одного линейного напряжения на другое происходит в пределах положительной полярности участков линейных напряжений. Поэтому форма кривой ud и среднее значение напряжения Ud одинаковы как при R-нагрузке, так и при RL- нагрузке.
При угле α > 60° вид кривой ud зависит от характера нагрузки (рис.4.5, в,г). При наличии RL- нагрузки ток ιd продолжает протекать через тиристоры и вторичные обмотки трансформатора после изменения полярности их линейного напряжения. Поэтому в кривой напряжения ud появляются участки линейных напряжений отрицательной полярности. При Lн → ∞ отрицательные и положительные площадки равны друг другу при α = 90° (рис. 4.5, г). Значение этого угла характеризует нижний предел регулирования напряжения при Lн → ∞. При активной нагрузке (Lн = 0) участков отрицательной полярности не будет, и в кривой ud при α > 60° появляются нулевые паузы (рис. 4.5, в,г). В этом случае напряжение Ud = 0 при α = 120°.
Регулировочную характеристику выпрямителя при Lн → ∞ (зависимость Ud = f(α)) определяют усреднением кривой напряжения ud на интервале π /3 (рис. 4.5, г).
Ud =
= Ud0 cosα. (4.23)
Из сравнения выражений (4.23) и (3.2) следует, что при Lн → ∞ уравнение регулировочной характеристики для трехфазного выпрямителя и для однофазного определяется одинаковым соотношением. Различной является величина Ud0.
При чисто активной характеристике, участок регулировочной характеристики при 120 ≥ α ≥ 60°,определяют по формуле
Ud =
= Ud0 [1 + cos (60° +α)]. (4.24)
Регулировочные характеристики трехфазного мостового управляемого выпрямителя при активно-индуктивной нагрузке (L→ ∞) и активной нагрузке (L = 0) показаны на рис.4.6.
Кривые анодных токов и токов трансформатора отличаются от соответствующих кривых неуправляемого выпрямителя (рис. 4.4, д,ж) наличием отстающего фазового сдвига, равного φ = α.

Рис. 4.6. Регулировочные характеристики трехфазного мостового управляемого выпрямителя
Амплитуда обратного напряжения, как и в неуправляемом выпрямителе, равна Ub max = 1,045 Ud. Однако этой величиной определяется теперь не только обратное напряжение, но и возможное значение амплитуды прямого напряжения на тиристоре при регулировании угла управления α. При углах α > 90° тиристор, до введения управляющего импульса остается закрытым и должен выдерживать без предварительного отпирания максимальное значение прямого напряжения равного Ub max.
Рассмотрим влияние коммутационных процессов на работу трехфазного мостового управляемого выпрямителя. На рис. 4.7 приведены временные диаграммы напряжений и токов выпрямителя с учетом коммутационных процессов.

Рис. 4.7. Временные диаграммы, характеризующие работу трехфазного мостового управляемого выпрямителя с учетом коммутационных процессов
Коммутационные процессы в схеме выпрямителя, обусловлены наличием индуктивных сопротивлений (анодных реактивностей) xaa, xab, xac. Коммутационный процесс (в анодной или катодной группе вентилей) начинается в момент подачи отпирающего импульса на очередной тиристор, который должен вступить в работу. Коммутация токов продолжается в течение интервала γ и протекает так же, как и в схеме неуправляемого выпрямителя. Потенциалы выводов нагрузки φd(+) и φd(-) на интервалах коммутации снижаются за счет падений напряжений на анодных реактивностях. Так же, как и в неуправляемых выпрямителях, на интервалах γ потенциалы выводов нагрузки определяются полусуммой напряжений двух фаз, с коммутирующими вентилями. Коммутационные процессы сказываются на форме кривой выпрямленного напряжения ud и приводят к к уменьшению его среднего значения Ud.
Ud = Ud0 cosα –?Udγ (4.25)
В формуле (4.25) величина?Udγ представляет собой среднее значение коммутационного снижения напряжения и определяется, как и для неуправляемого мостового трехфазного выпрямителя, соотношением (4.20), т.е.
Ud = Ud0 cosα –
. (4.25)
4.5. Составные многофазные схемы выпрямления
В электротехнике и энергетике требуются выпрямители (и ведомые сетью инверторы, тема 6), мощность которых весьма значительна. Например, в качестве мощного источника энергии постоянного тока для электролиза цветных металлов, хлора и др. применяют полупроводниковые выпрямители с номинальным выпрямленным током от 6,25 кА до 150 кА и с номинальным выпрямленным напряжением от 75В до 850В. Мощные преобразователи находят широкое применение в электроприводе постоянного тока, для линий передач постоянного тока и в других отраслях.
В области больших мощностей широко применяют параллельное и последовательное подключение к нагрузке нескольких однотипных вентильных комплектов, чаще всего трехфазных мостовых схем. Это позволяет не только получить требуемые значения напряжения и тока (Ud, Id), но и добиться ряда преимуществ: уменьшения коэффициента пульсаций схемы по выходному напряжению и повышения коэффициента мощности.
Рассмотрим основные варианты составных многофазных схем выпрямления на примере неуправляемых выпрямителей (α = 0), при их работе на активно-индуктивную нагрузку (L → ∞). Анализ управляемых выпрямителей повторяет результаты, полученные ранее.
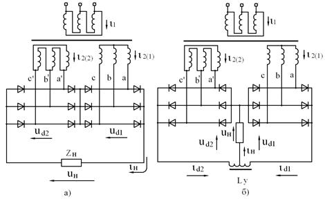
4.5.1. Двойной трехфазный выпрямитель с уравнительным реактором
Схема двойного трехфазного выпрямителя с уравнительным реактором показана на рис. 4.8. Выпрямитель состоит из двух трехфазных нулевых выпрямителей, работающих на общую нагрузку. Нулевые точки звезд связаны между собой однофазным реактором со средней точкой О, которая является отрицательным полюсом для нагрузочной цепи.


Рис. 4.8. Схема двойного трехфазного выпрямителя с уравнительным реактором (а) и временные диаграммы, характеризующие работу схемы (б)
Вторичные обмотки анодного трансформатора подключены по схеме двойной звезды, что обеспечивает фазовый сдвиг напряжений u2(1) первого нулевого выпрямителя (вентили 1,2,3) относительно напряжения u2(2) второго нулевого выпрямителя (вентили 4,5,6) на угол 60°. При работе первого нулевого выпрямителя формируется выходное напряжение ud1 и ток ιd1 (рис. 4.8, б). Форма выходного напряжения ud2 и тока ιd2, характеризующие работу второго нулевого выпрямителя, приведена на рис 4.8,в. Токи обоих выпрямителей равны:
ιd1 = ιd2. Среднее значение выпрямленного тока, протекающего через нагрузку равно
Id = Id1 + Id2 = 6Ia (4.26)
Форма напряжений ud1 и ud2 также одинаковы, но поскольку эти напряжения сдвинуты относительно друг друга на 60° (рис. 4.8, б, в), их мгновенные значения напряжений различны.
Действие реактора как уравнителя напряжений поясняет упрощенная диаграмма на рис 4.8, д. Разницу мгновенных значений uу = ud1 – ud2 принимает на себя реактор Lу. В каждой из половин обмотки уравнительного реактора наводится ток при этом одинаковые по величине, но разные по знакам (по отношению к среднему выводу реактора) напряжения. В результате анодные напряжения в пределах одной звезды уменьшаются, в пределах другой звезды они возрастают на такую же величину. Это и приводит к выравниванию напряжений в смежных фазах и к параллельной работе вентилей (анодов), связанных с ними. Поэтому в любой момент времени через две вторичные обмотки разных звезд токи проходят одновременно (рис.4.8, а), что соответствует превращению шестифазной системы в двойную трехфазную систему.
Длительность анодных токов равна 2π / 3,, амплитуда анодных токов равна Id max = Id / 2. Уменьшение амплитуды анодного тока является благоприятным фактором, позволяющим существенно повысить нагрузочную способность вентилей и вторичных обмоток трансформатора выпрямителя. Этим объясняется применение данной схемы в выпрямителях на большие токи при сравнительно невысоких напряжениях.
Мгновенное значение напряжения на нагрузке равно
uн = ud =
,
а его среднее значение составляет
Uн = Ud1 = Ud2 = Ud = 1,17U2. (4.27)
Форма кривой напряжения на нагрузке показана на рис. 4.8,г. Частота пульсаций этого напряжения соответствует шестикратной периодичности., а коэффициент пульсации по основной частоте q1 при m = 6, соответственно равен 0,057, т.е. такой же. как и мостовом трехфазном выпрямителе.
В первичной обмотке анодного трансформатора происходит сложение токов, индуцированных из вторичных обмоток. В результате ток ι1 симметричен относительно оси υ (рис.4.8, ж) и в схеме отсутствует постоянное подмагничивание трансформатора.
4.5.2. Составные двенадцатипульсные выпрямители
Составные 12-пульсные схемы получают при параллельном или последовательном соединении двух мостовых трехфазных выпрямителей. На рис. 4.9. в виде примера приведены варианты последовательного и параллельного соединения трехфазных мостовых схем, а на рис 4.10 – временные диаграммы, характеризующие работу 12-пульсных выпрямителей.

Рис.4.9. Двенадцатипульсные составные выпрямители:
а) с последовательным включением мостов; б) с параллельным включением мостов
Принцип действия схем, рассмотрен на примере выпрямителей с неуправляемыми вентилями в режиме их работы с идеально сглаженным выпрямленным током (Lн → ∞). Полученные выводы остаются справедливыми и для управляемых выпрямителей. Следует отметить, что процессы в каждом из выпрямителей, из которых составляется комбинированная (составная) схема, протекают независимо, поэтому можно использовать основные соотношения, полученные для этих схем ранее.
В выпрямителе (рис. 4.9, а) вентильные комплекты подключены к нагрузке последовательно, поэтому напряжение на нагрузке равно сумме напряжений двух мостов
Uн =Ud1 + Ud2. (4.28)
Выходной ток первого моста протекает через нагрузку, а затем замыкается через второй выпрямительный мост. Поэтому мгновенные значения выпрямленных токов в схеме равны ιн = ιd1 + ιd2. Также равны средние значения выпрямленных токов
Iн = Id1 = Id2 = 3Iа. (4.29)
В составных 12-пульсных схемах применяют схемы подключения выпрямительных комплектов через трансформатор с двумя вторичными обмотками, одна из которых соединена в треугольник, а другая в звезду (рис. 4.9). Равенство средних значений выходных напряжений Ud1 = Ud2 обеспечивается выбором числа витков обмоток, соединенных в звезду (Y) и треугольник (?) по соотношению W2? =W2Y =
. При использовании различных групп соединения вторичных обмоток трансформатора достигается сдвиг линейных напряжений вторичных обмоток трансформатора на 30° (т.е. система вторичных напряжений а,в,с сдвинута относительно системы вторичных напряжений а′, в′, с′). Период пульсаций в трехфазной мостовой схеме составляет 1/6 периода (6 пульсаций за период). Сложение двух выпрямленных напряжений, имеющих шестикратную пульсацию и смещенных друг относительно друга на 30°, дает в результате кривую напряжения с периодичностью пульсаций 1/12 периода (12 пульсаций за период). Таким образом, выпрямленное напряжение двухмостовой последовательной схемы по своей кратности пульсаций соответствует 12-фазной схеме. На рис. 4.10, а-в это наглядно показано графически. Коэффициент пульсации выпрямленного напряжения по первой гармонике и частота пульсации при m =12 соответственно равны:
q1 =
0,014; f(п)1 = mfс = 12×50 = 600 Гц.
Следовательно, качество выходного напряжения лучше, чем у мостовой схемы.
Обратное напряжение на вентилях равно амплитуде линейного напряжения на вторичных обмотках трансформатора
Ub max = 1,045 Ud1,2 = 0,525 Uн. (4.30)
Данная схема широко применяется в выпрямителях с высокими значениями выходного напряжения.


Рис. 4.10. Временные диаграммы напряжений и токов в схемах 12-пульсных выпрямителей.
При необходимости получения больших значений выходного тока применяется схема, в которой вентильные мосты подключаются к нагрузке параллельно ч