Шифратор осуществляет преобразование десятичных чисел в двоичную систему счисления. На рис.9.9 приведено символическое изображение шифратора, преобразующего десятичные числа 0, 1, 2, …, 9 в выходной код 8421 и его таблица истинности. Символ CD образован из букв английского слова Coder. Слева показаны 10 входов шифратора, справа – выходы шифратора; цифрами 1,2,4,8 обозначены весовые коэффициенты двоичных четырёх разрядов шифратора.
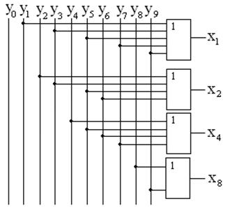
Из таблицы истинности видно, что выходу x1 будет соответствовать лог. 1, если одна из входных переменных y1, y3, y5, y7, y9 будет также иметь лог. 1. Следовательно, можно составить логическую операцию x1=y1
y3
y5
y7
y9. Для остальных выходов можно составить логические операции: x2=y2
y3
y6
y7, x4=y4
y5
y6
y7, x8=y8
y9.

Рис.9.9. Символическое изображение шифратораи его таблица истинности
Используя полученные логические операции, можно реализовать логическую схему шифратора, построенную на логических элементах ИЛИ, приведённую на рис.9.10. Шифраторы используются в устройствах ввода информации в цифровые системы с клавиатуры.
|
|
|

Рис.9.10. Логическая схема шифратора






