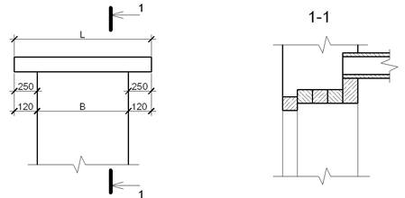
Дано: а=660мм (толщина стены); В=1800мм (ширина проема)
Разложить перемычки и определить их длину l.
1. Определяем количество ж/б брусков для перемычки: толщину стены делим на ширину бруска, принимая ее за 120 мм.
| 5(шт) | |
| 60 (швы) |

2. Определим длину брусков:
=В+250+250=1800+500=2300мм
=В+120+120=1800+240=2040мм
3.Подбираем марку перемычки по каталогу по длине, округляя в большую сторону.
Стены наружные ненесущие.
Дано: а=710мм (толщина стены); В=1500мм (ширина проема)
Разложить перемычки, определить их длину l.
1. Определяем количество ж/б брусков для перемычки: толщину стены делим на ширину бруска, принимая ее за 120мм.
| 5(шт) | |
| 110 (швы) |

2. Определим длину брусков:
=В+120+120=1500+240=1740мм.
3. Подбираем марку перемычки по каталогу по длине, округляя в большую сторону.
Стены внутренние несущие.
Дано: а=380мм (толщина стены); В=1000мм (ширина проема)
Разложить перемычки, определить их длину l.
1. Определяем количество ж/б брусков для перемычки: толщину стены делим на ширину бруска, принимая ее за 120мм.
| 3(шт) | |
| 20 (швы) |

|
|
|
2. Определим длину брусков:
=В+250+250=1000+500=1500мм
=В+120+120=1000+240=1240мм
3. Подбираем марку перемычки по каталогу по длине, округляя в большую сторону.
Стены внутренние ненесущие.
Дано: а=380мм (толщина стены); В=1200мм (ширина проема)
Разложить перемычки, определить их длину l.
1. Определяем количество ж/б брусков для перемычки: толщину стены делим на ширину бруска, принимая ее за 120мм.
| 3(шт) | |
| 20 (швы) |

2. Определим длину брусков:
=В+120+120=1200+240=1440мм.
3. Подбираем марку перемычки по каталогу по длине, округляя в большую сторону.
Простенок – часть стены, расположенная между проемами. В простенках, как правило, оставляют четверти (выступы). Четверти предохраняют оконную или дверную коробку от атмосферных воздействий, улучшают условия крепления этих коробок. Боковые плоскости простенков называют откосами.

А – ширина оконного блока
В – ширина оконного проема
В=А+2(15…20) – 2·65
Карнизы – конструктивные элементы, защищающие стены здания от дождя и талой воды, является архитектурным завершением здания. При выносе карниза до 300 мм его выполняют из кирпича, а при выносе более 300 мм из ж/б плит.