ГЕОДЕЗИЧЕСКИЕ РАБОТЫ ПРИ ВОЗВЕДЕНИИ ПОДЗЕМНОЙ
Перед разработкой котлована производят следующие работы:
1) нивелирование поверхности участка строительства по квадратам или тахеометрическую съемку с целью последующего уточнения и корректировки объемов земляных работ;
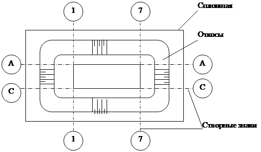
2) вынос в натуру основных осей, их детальная разбивка на обноске и закрепление створными, грунтовыми знаками и цветной откраской на соседних зданиях (рис 65); 3) разбивка контура котлована.
Перед разработкой котлована колышками закрепляют границы его откосов. Проектные отметки дна контролируют несколько раз во избежании перебора грунта геометрическим нивелированием вершин сетки, стороны которой параллельны основным осям. Вершины сетки закрепляют кольями-маяками, по которым видны глубины необходимых срезок грунта. Работы по устройству котлована завершаются исполнительной съемкой и составлением схемы, на которой указывают фактические и проектные отметки дна котлована.

Рис. 65 Схема разбивки и закрепления основных осей здания
Перенесение основных осей на обноску и на дно котлована выполняют теодолитом при двух положениях вертикального круга (КЛ и КП) от створных знаков.
Плановое и высотное положение фундаментов, стен подвала, цокаля и перекрытия над подвалом обеспечивается геодезическими наблюдениями и фиксируется на исполнительных чертежах.






