Схема включения с общим коллектором.
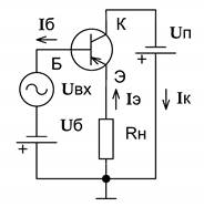
Схема включения с общим эмиттером.
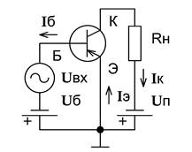
Схема включения с общей базой
Схемы включения биполярных транзисторов
Схемы включения транзисторов получили свое название в зависимости от того, какой из выводов транзисторов будет являться общим для входной и выходной цепи.
Из трех выводов транзистора на эмитер подается входной сигнал, с коллектора - снимается выходной сигнал, а третий вывод - база является общим для входной и выходной цепи. Выходной сигнал - переменное напряжение на резисторе нагрузки Rн. Таким образом, рассмотренная выше схема получила название схемы с общей базой.
Любая схема включения транзистора характеризуется двумя основными показателями:
- коэффициент усиления по току Iвых/Iвх (для схемы с общей базой Iвых/Iвх=Iк/Iэ=α [α<1])

Входное сопротивление для схемы с общей базой мало и составляет десятки Ом, так как входная цепь транзистора при этом представляет собой открытый эмиттерный переход транзистора. Недостатки схемы с общей базой:
|
|
|
• Схема не усиливает ток - коэффициент усиления менее 1
• Малое входное сопротивление
• Два разных источника напряжения для питания.
Достоинства - хорошие температурные и частотные свойства.
В этой схеме общим цепи базы и цепи коллектора является эмитер – отсода и название этой схемы.
Схема, изображенная на рисунке ниже, является наиболее распространенной, так как она дает наибольшее усиление по мощности.

Коэффициент усиления по току такого каскада представляет собой отношение амплитуд выходного и входного переменного тока, то есть переменных составляющих токов коллектора и базы. Поскольку ток коллектора в десятки раз больше тока базы, то коэффициент усиления по току составляет десятки единиц.
Коэффициент усиления каскада по напряжению равен отношению амплитудных значений выходного и входного переменного напряжения. Входным является переменное напряжение база - эмиттер Uбэ, а выходным - переменное напряжение на резисторе нагрузки Rн или, что то же самое, между коллектором и эмиттером - Uкэ:
Напряжение база - эмиттер не превышает десятых долей вольта, а выходное напряжение при достаточном сопротивлении резистора нагрузки и напряжении источника Ек достигает единиц, а в некоторых случаях и десятков вольт. Поэтому коэффициент усиления каскада по напряжению имеет значение от десятков до сотен. Отсюда следует, что коэффициент усиления каскада по мощности получается равным сотням, или даже десяткам тысяч. Входное сопротивление схемы с общим эмиттером мало (от 100 до 1000 Ом). Каскад по схеме ОЭ при усилении переворачивает фазу напряжения, т. е. между выходным и входным напряжением имеется фазовый сдвиг 180°.
|
|
|
Достоинства схемы с общим эмиттером:
- Большой коэффициент усиления по току,
- Большее, чем у схемы с общей базой, входное сопротивление,
- Для питания схемы требуются два однополярных источника, что позволяет на практике обходиться одним источником питания.
Недостатки: худшие, чем у схемы с общей базой, температурные и частотные свойства. Однако за счет преимуществ схема с ОЭ применяется наиболее часто.

В схеме с ОК коллектор является общей точкой входа и выхода, поскольку источники питания Еб и Ек всегда шунтированы конденсаторами большой емкости и для переменного тока могут считаться короткозамкнутыми. Особенность этой схемы в том, что входное напряжение полностью передается обратно на вход, т. с. очень сильна отрицательная обратная связь. Входное напряжение равно сумме переменного напряжения база - эмиттер Uбэ и выходного напряжения. Коэффициент усиления по току каскада с общим коллектором почти такой же, как и в схеме с ОЭ, т. е. равен нескольким десяткам. Однако, в отличие от каскада с ОЭ, коэффициент усиления по напряжению схемы с ОК близок к единице, причем всегда меньше ее. Переменное напряжение, поданное на вход транзистора, усиливается в десятки раз (так же, как и в схеме ОЭ), но весь каскад не дает усиления. Коэффициент усиления по мощности равен примерно нескольким десяткам.
В этой схеме фазового сдвига между Uвых и U вх нет. Поэтому данный каскад обычно называют эмиттерным повторителем.
Эмиттерным - потому, что резистор нагрузки Rн включен в провод вывода эмиттера и выходное напряжение снимается с эмиттера (относительно корпуса). Так как входная цепь представляет собой закрытый коллекторный переход, входное сопротивление каскада по схеме ОК составляет десятки килоом, что является важным достоинством схемы. Выходное сопротивление схемы с ОК, наоборот, получается сравнительно небольшим, обычно единицы кОм или сотни Ом. Эти достоинства схемы с ОК позволяют использовать ее для согласования различных устройств по входному сопротивлению.
Недостатком схемы является то, что она не усиливает напряжение - коэффициент усиления чуть меньше 1.
В каскадах с транзисторами применяют обычно питание от одного источника. Для нормального режима работы транзистора необходимо, чтобы
между эмитером и базой было постоянное небольшое напряжение – для этого необходимо подать некоторое напряжение смещения от источника питания коллекторной цепи.
В каскаде с ОЭ (Рис.а) постоянный ток базы проходит через резистор R1, на
Котором гасится почти все напряжение Еп. Небольшая часть напряжения падает на участке база-эмиттер и является напряжением смещения базы. Недостаток данной схемы: не может работать в широком диапазоне температур, т. к. сопротивление эмиттерного перехода очень сильно зависит от температуры. На (Рис.б) показана наиболее распространенная схема стабилизации режима каскада ОЭ который наиболее подвержен влиянию температуры. Это так называемая схема коллекторной стабилизации. Резистор R1 служит для установки необходимого смещения на базе поделючен не к источнику Еп, как в схеме (Рис.а), а к коллектору. Если от нагрева или смены транзистора возрастает коллекторный ток, то увеличится падение напряжения на Rк, а напряжение Uкэ соответственно уменьшится. Это приведет к уменьшению напряжения Uбэ и следовательно к уменьшению коллекторного тока. Более сложная схема эмитерной стабилизации показана на (Рис.в). Здесь резисторы R1 и R2 образуют делитель для получения напряжения смещения на базе, а резистор Rэ является стабилизирующим. Для того чтобы резистор Rэ не создавал отрицательной обратной связи по переменному току, он шунтируется конденсатором Сбл.
|
|
|
а)
б)
в)
Диапазон рабочих температур транзистора определяется температурными свойствами р-n перехода. При его нагревании от комнатной температуры (25 °С) до 65 °С сопротивление базы и закрытого коллекторного перехода уменьшается на 15-20 %. Особенно сильно нагревание влияет на обратный ток коллектора. Он увеличивается в два раза при увеличении на каждые 10°С. Всe это влияет на характеристики транзистора. Поэтому схемы включения транзисторов требуют также и температурной стабилизации.