Лекция №10. Схемы распределительных устройств
Содержание лекции: схемы распределительных устройств.
Цель лекции: изучение кольцевых схем РУ, схем с обходной системой сборных шин и дробных схем.
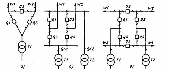
В кольцевых схемах (схемах многоугольников) выключатели соединяются между собой, образуя кольцо. Каждый элемент – линия, трансформатор – присоединяется между двумя соседними выключателями, как это показано на рисунке 10.1.
В кольцевых схемах надежность работы выключателей выше, чем в других, так как имеется возможность опробования любого выключателя в период нормальной работы схемы. Опробование выключателя путем его отключения не нарушает работу присоединенных элементов и не требует никаких переключений в схеме.
Самой простой кольцевой схемой является схема треугольника.
Схема четырехугольника (квадрата) экономична (четыре выключателя на четыре присоединения), позволяет производить опробование и ревизию любого выключателя без нарушения работы ее элементов.
Достоинством всех кольцевых схем является использование разъединителей только для ремонтных работ. Количество операций разъединителями в таких схемах невелико.
Широкое применение получила схема шестиугольника, обладающая всеми особенностями разобранных выше схем

а) треугольник; б) четырехугольник; в) шестиугольник
Рисунок 10.1 – Кольцевые схемы