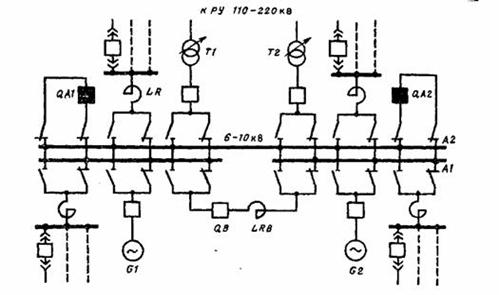
Схема с двумя системами сборных шин
Каждый элемент присоединяется через развилку двух шинных разъединителей, что позволяет осуществлять работу как на одной, так и на другой системе шин, как это показано на рисунке 9.3.

Рисунок 9.3 – Схема с двумя системами сборных шин
Рабочая система шин секционирована выключателем QB. Вторая система шин А2 является резервной, напряжение на ней нормально отсутствует. Обе системы шин могут быть соединены между собой шиносоединительными выключателями QA1 и QA2, которые в нормальном режиме отключены.
Возможен и другой режим работы этой схемы, когда обе системы шин находятся под напряжением, и все присоединения распределяются между ними равномерно. Такой режим называется работой с фиксированным присоединением цепей.
Схема с двумя системами шин позволяет производить ремонт одной системы шин, сохраняя в работе все присоединения.
Рассматриваемая схема является гибкой и достаточно надежной. Недостатки - большое количество разъединителей, изоляторов, токоведущих материалов и выключателей, более сложная конструкция РУ. Недостатком является и использование разъединителей в качестве оперативных аппаратов, что может привести к возможности ошибочного отключения тока нагрузки.
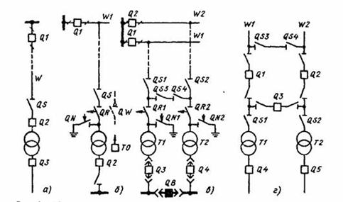
Упрощенные схемы с наименьшим количеством выключателей или вообще без них получили наибольшее распространение на подстанциях. Прежде всего это блочные схемы в которых элементы электроустановки соединяются последовательно без поперечных связей с другими блоками.
В блоках трансформатор – линия на подстанциях со стороны высокого напряжения можно использовать как выключатели, так и отделители QR и короткозамыкатели QN, как это показано на рисунке 9.4 а, б. Основным достоинством схемы является экономичность, что привело к широкому применению таких схем для однотрансформаторных подстанций, включаемых глухой отпайкой к транзитной линии.

а) блок трансформатор-линия с выключателем; б) блок трансформатор – линия с отделителем; в) два блока с отделителями и неавтоматической перемычкой; г) мостик с выключателями.
Рисунок 9.4 – Упрощенные схемы РУ со стороны ВН
На двухтрансформаторных подстанциях 35–220 кВ применяется схема двух блоков трансформатор – линия, приведенная на рисунке 9.4 в, которые для большей гибкости соединены неавтоматической перемычкой из двух разъединителей QS3, QS4. На стороне ВН возможно применение схемы мостика, приведенной на рисунке 9.4 г.