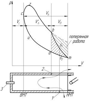
Индикаторная диаграмма двухтактного ДВС.
Осуществление двухтактного цикла.


;
;
; 

– доля потерянного хода поршня при переходе на двухтактный цикл.


1 – впускное (продувочное) окно;
2 – выпускное окно;
3 – свеча зажигания (форсунка).
В двухтактном ДВС клапана, как правило отсутствуют. Газообмен осуществляется через окна в стенке цилиндра. Регулирование газообмена производится самим поршнем.
– сжатие;
– точка зажигания (впрыска);
– сгорание;
– процесс расширения (рабочий вход);
– начало выпуска;
до НМТ
– выхлоп продуктов сгорания в выпускное окно, в результате избыточного давления в цилиндре
;
– продувка цилиндра свежей ТВС (воздухом).
Процессы выталкивания и наполнения происходят одновременно. Очистка цилиндра от продуктов сгорания путем выталкивания происходит не поршнем, а свежей смесью (воздухом). Сжатие ТВС (воздуха) происходит в специальном продувочном насосе (компрессоре). В небольших двигателях в качестве насоса используют внутреннюю полость картера и поршень.

– геометрический рабочий объем;
– объем камеры сгорания;
– ход поршня по высоте выпускных окон – потерянный рабочий объем (мертвый объем).

– действительный рабочий объем цилиндра;
– потерянный ход поршня;
– кажущая степень сжатия (геометрическая);
– действительная степень сжатия;
– доля потерянного объема цилиндра







