Относительная чувствительность
s=
. (3)
T→ 0 α = dR / dT ®0.
Расчетное уравнение Т = f2 (RT)получают, например, путем численного решения в заданных точках (RТi) уравнения
f (T) = RТ, (4)
где- f (T)функция преобразования, заданная в аналитическом виде.
Электрическая схема

Рис. 6. Потенциометрическая схема измерения сопротивления RT.
RT – термометр сопротивления, RК – катушка сопротивления, П– переключатель, U – потенциометр, b, c – токовые контакты,
a, d – потенциометрические контакты.
Напряжение на участках цепи определяются следующими уравнениями:
а) положение переключателя П– I
U К = I R К; (5)
б) положение П – II
U T = I R T. (6)
Значение RT определяют по отношению
R T = (R К U T)/ U К.
Потенциометрический метод измерения температуры с помощью терморезистора предусматривает следующие действия:
1) αr 1 – создают тепловой контакт терморезистора и рабочего вещества,
2) αr 2 – поддерживают постоянным ток I в контуре,
3) αm 1 – измеряют β 1 = UK,
4) αm 2 – измеряют β 2 = UT.
Обработка первичных данных (β 1, β 2) включает:
а) вычисление RT = f (β 1, β 2) = (RК UT) / UК при известном значении RК и б) определение температуры Т по градуировочной зависимости T = f (RT).
Резистор RT представляет собой СИ в виде «измерительного преобразователя».
Тип СИ
Компоновка, показанная на Рис. 2 и содержащая терморезистор, представляет собой измерительную систему, так как в нее включены несколько самостоятельных приборов – СИ. В лаборатории (Лабораторная работа № 2) студенты используют платиновый термометр сопротивления.

Рис. 7. Схема измерительная системы
Измерительная система состоит из двух СИ: СИ1 и СИ2. Численное значение х определяется по расчетному уравнению
x = f (y 11, y 22) = (R К U T)/ U К,
где y 11, y 22 – первичные данные.
Конструкция

Рис. 3. Конструктивная схема платинового термометра сопротивления
На Рис. 3 показана конструкция платинового термометра сопротивления Стрелкова П.Г. На кварцевом каркасе, имеющем форму геликоида 1, навита спираль 2 из платиновой проволоки. Диаметр платиновой проволоки 0,05 мм. Каркас со спиралью образуют чувствительный элемент термометра сопротивления диаметром 3 - 4 мм и длиной 50 мм. В нижней части каркаса размещена петля спирали, в верхней - приваренные к спирали две пары выводящих проводников 3 из платиновой проволоки диаметром 0,3 мм. Чувствительный элемент помещен в герметичный чехол, который изготовлен из плавленого кварца и заполнен газообразным гелием.
Расчетное уравнение Т (R T)
Температура определяется расчетным уравнением в форме
T = t ‘+0,015
)
, (7)
где t’ - «платиновая» температура, о С, значения (100; 419.58; 630.74) - следующие температуры (оС):
а) кипения воды,
б) затвердевания цинка,
в) затвердевания сурьмы при давлении равном одной физической атмосфере.
Величина t’ задается уравнением
t’ =
(w - 1) +
, (8)
где w = R (T) /R 0, R (T) – сопротивление термометра при измеряемой температуре; R 0 = 10.0923 Ом - сопротивление термометра при
температуре 0 О С; a = 3.9141∙10-3,d=1.49187- эмпирические коэффициенты уравнения, характеризующие данный термометр сопротивления (Лабораторная работа №2).
Функция преобразования
Для области температур (0…630) оС функция преобразования задается уравнением
RT = R 0(1 + AT + BT 2 ), (9)
где – A =f 1(α, δ), B =f 2 (α, δ).
Допустимая погрешность Δ = 0.05…0.20 оС.
Для области температур (- 200…0) оС функция преобразования задается уравнением
RT = R 0(1 + AT + BT 2 + C (T - 100) T 2), (10)
где A =f 1(α, δ), B =f 2 (α, δ), C =f 3 (α, γ) - константы, α, δ, γ – эмпирические параметры (индивидуальные константы).
Допустимая погрешность Δ = 0.05 оС.
Для области температур (13…273.150) К
RT = R 0(1 +Σai ti), i = 1…8, t = T /100. (11)
Допустимая погрешность Δ = 0.005…0.01 К.
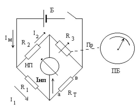
Мостовой метод

Рис. 4. Схема уравновешенного моста.
RT – терморезистор, НП – нуль-прибор, ПБ – показывающий блок, Пр – преобразователь, a и b – клеммы подключения терморезистора.
Напряжения на участках цепи при условии I НП = 0, которое достигается путем изменения R 3 = var, имеют вид
I 2 R 2 = I 1 R 1, (12)
I 2 R 3 = I 1 RТ. (13)
Из уравнений (9,10) можно получить уравнение для сопротивлений уравновешенного моста
R T/ R 1 = R 3 / R 2. (14)
Из уравнения (14) можно получить уравнение для RT
R T = (R 3 R 1)/ R 2. (15)
Значения R 1 и R 2 являются известными.
Метод предусматривает следующие действия:
1) αr 1 – создают тепловой контакт терморезистора и рабочего вещества, поддерживают постоянным ток через мост,
2) αr 2 – варьируют R 3 = var и снижают ток через НП до I НП = 0,
3) αr 3 – контролируют ток через НП (I НП = 0),
4) αm 1 – измеряют β 1 = R 3.
Обработка первичных данных (β 1) включает:
а) вычисление RT = f (β 1, β 2) = R T = (R 3 R 1)/ R 2 при известных значениях R 1 и R 2 и б) определение температуры Т по градуировочной зависимости T = f (RT).
Измерительная система состоит из нескольких СИ: а) СИ1, б) СИ2 и т.д. Численное значение х определяется по расчетному уравнению
x = f2 (y 12, y 22),
где y 12, y 22 – первичные данные.
Пример: термометр сопротивления (лабораторная работа № 2).
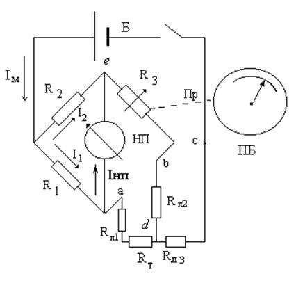
Мост, содержащий трехпроводную схему

Рис. 6. Мост, содержащий трехпроводную схему подключения RT.
НП – нуль-прибор, ПБ – показывающий блок, Пр – преобразователь, a, b и с – клеммы подключения терморезистора, R Л1 ,R Л2и R Л3. – сопротивления подводящих проводов.
Напряжения на участках цепи, включая два плеча моста (ad, de), при условии I НП = 0, которое достигается путем изменения
R 3 = var, имеют вид
I 2 R 2 = I 1 R 1, (16)
I 2(R 3 + R Л2) = I 1(R T + R Л1). (17)
Из уравнений (13,14) можно получить уравнение для сопротивлений уравновешенного моста
(R T + R Л1)/ R 1= (R 3 + R Л2)/ R 2, (18)
Расчетное уравнение для RT получают из (15)
R T = (R 3 + R Л2) R 1/ R 2 - R Л1. (19)
При условии R 1/ R 2 = 1 и R Л1 = R Л2выполняется равенство
R T = R 3.
Отметим, что при условии R 3 = const
R T = f (R 1, R 2). (20)
Эта зависимость R T = f (R 1, R 2) используется в схеме автоматического моста.
Автоматический мост

Рис. 7. Схема автоматического моста.
НП – нуль-прибор, ПБ – показывающий блок, Пр – преобразователь, Р – реохорд, Д – движок реохорда, БМ – балансирный механизм, ЭД – электродвигатель, a, b и с – клеммы подключения терморезистора, R Л1 ,R Л2 и R Л3. – сопротивления подводящих проводов, I,II,III – функциональные связи БМ с блоками.
Во время перемещения движка реохорда изменяются r 1 = var и r 2 = var, при этом выполняется соотношение(r 1 + r 2 = R Р =const). При достижении I НП = 0 выполняется (см. соотношение (8) для уравновешенного моста) уравнение для сопротивлений моста, включая два плеча моста (ad, de),
(R 2 + r 2 ) / (R 3 + R Л2) = (R 1 + r 1) / (RT + R Л1). (21)
Вводим обозначения R Л1 = R Л2 = R Л, в итоге расчетное уравнение для RT имеет вид
RT = (R 1 + r 1)(R 3 + R Л) /(R 2 + r 2 ) - R Л = f (r 1, r 2) = f (r 1), (22)
где использована связь r 2 = R Р - r 1
Действия, производимые балансирным механизмом, сводятся к тому, что БМ:
1) определяет величину и знак I НП,
2) подключает реохорд Р к электродвигателю ЭД, в результате работы которого движок, Д, реохорда перемещается в соответствии свеличиной I НП,
3) подключает ПБ к электродвигателю, в результате работы которого перемещается стрелка ПБ в положение R = RT.
Во время работы моста взаимодействие ряда блоков (реохорд Р, движок Д, балансирный механизм БМ, электродвигатель ЭД и показывающий блок ПБ) преобразуют r 1 в RT в соответствии срасчетным уравнением (16).
Типы термометров сопротивления:
1) ПТС 10, область температур (0…630) оС, допустимая погрешность Δ = 0.05…0.20 оС;
2) ТСПН 1, область температур (13…273.15) К, допустимая погрешность Δ = 0.005…0.01 К;
3) КТСП–Р - комплект термопреобразователей сопротивления фирмы «ТБН энергосервис», область температур (-100…300) оС, допустимая погрешность Δ = 0.1 оС.






