Схема коррекции с обратной связью
Специальные схематические решения
К специальным схематическим решениям относятся схемы коррекции без обратной связи.
Одной из наиболее простых схем высокочастотной коррекции для широкополосных резисторных каскадов, позволяющей расширить полосу пропускания каскада или получить подъём частотной характеристики в области верхних частот, является схема параллельной высокочастотной коррекции индуктивностью. На рисунке 1.73,а приведена схема транзисторного каскада с такой коррекцией; она осуществляется введением индуктивности L последовательно с резистором нагрузки Rk выходной цепи усилительного элемента. Как видно из эквивалентной схемы каскада для верхних частот (рисунок 1.73,б) корректирующая индуктивность L образует параллельный резонансный контур с ёмкостью Со, нагружающий каскад.
В результате полное сопротивление нагрузки выходной цепи усилительного
элемента в области верхних частот возрастает, а следовательно, расширяется полоса пропускания каскада и улучшается его частотная характеристика (рисунок 1.73,в), а также уменьшается время установления импульсных сигналов.
|
|
|
Индуктивность L здесь берут настолько малой, что её влияние сказывается только в области верхних частот. На нижних и средних частотах рассматриваемая схема обладает такими же свойствами, как обычный резисторный каскад.

а - транзисторный каскад;
б - эквивалентная схема;
в – амплитудно – частотная характеристика
Рисунок 1.73 - Параллельная высокочастотная коррекция индуктивностью
Параллельная коррекция индуктивностью хорошо действуют только при
Rг ≥ R3 ≤ Rh; эти условия обеспечиваются в резисторных каскадах с транзисторами, работающими на высокоомную нагрузку, например на модулятор кинескопа, отклоняющие пластины электронно - лучевой трубки, вход полевого транзистора и т.д. Она не действует в повторителях из-за малого выходного сопротивления, а также в каскадах с низкоомной внешней нагрузкой.
Параллельная высокочастотная коррекция индуктивностью несложна по схеме, занимает мало места, дешева, легко настраивать, надёжна в работе и увеличивает площадь усиления каскад более чем в 1,7раза;вследствие указанных достоинств она широко используется в усилителях с дискретными компонентами.
Простой схемой низкочастотной коррекции является включение цепочки СфRф в выходную цепь усилительного элемента (рисунок 1.74,а). Такая схема коррекции удобна тем, что цепочка СфRф одновременно действует как развязывающий фильтр, защищающий каскад от паразитной обратной связи через источник электропитания, а также как фильтр, сглаживающий пульсации напряжения электропитания.
|
|
|
Рассмотрим принцип действия такой схемы коррекции с помощью эквивалентной схемы (рисунок 1.74,б) Ёмкость конденсатора Сф берут такой, чтобы на средних, а тем более на верхних частотах сопротивление конденсатора было ничтожно по сравнению с сопротивлением нагрузки выходной цепи усилительного элемента, величина которого и определяет усиление каскад на этих частотах. При понижении частоты сигнала сопротивление цепочки Сф сопротивление нагрузки выходной цепи усилительного элемента, а с ним и напряжение сигнала U будет увеличиваться, в результате чего коэффициент усиления каскада в области низших частот возрастет. Таким образом, будет компенсировано снижение усиления на низших частотах из-за влияния конденсатора межкаскадной связи С и блокировочных конденсаторов цепей стабилизации и смещения.

а- принципиальная схема каскад;
б- эквивалентная схема;
в- амлитудно-частотная характеристика
Рисунок 1.74 - Низкочастотная коррекция цепочкой СфRф
При правильном выборе Rф и Сф схема низкочастотной коррекции позволяет уменьшить нижнюю рабочую частоту резисторного каскада в 5...10 раз. Такая схема коррекции особенно хорошо действует при усилительных элементах с высоким выходным и входным сопротивлениями, например в резисторных каскадах предварительного усиления с полевыми транзисторами, работа на модулятор кинескопа, отклоняющие пластины осциллографической трубки и т.д.
Из -за большого разброса параметров биполярных транзисторов и сильно изменения их при колебаниях температуры, напряжения электропитания, старения и замене изменения коэффициента усиления и характеристик каскадов предварительного усиления поэтому в широкополосных каскадах используют схемы
коррекции, вводящие в каскад глубокую отрицательную обратную связь. Рассмотрим наиболее широко применяемые схемы этого типа и их основные свойства.
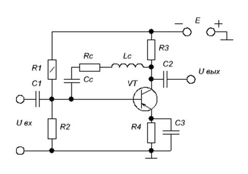
а) Низкочастотная коррекция. Схема низкочастотной коррекции комплексной обратной связи в резисторном каскаде изображена на рисунке 1.75. Включенная между коллектором и базой последовательная цепочка RcCc здесь создает параллельную отрицательную обратную связь по напряжению, уменьшающую усиление каскада и улучшает стабилизирующие его свойства и характеристики. Сопротивление Re берут таким, чтобы получить нужную глубину обратной связи, а ёмкость Сс должна быть настолько велика, чтобы её сопротивление на верхних и средних частотах было мало по сравнению с Rс. Тогда на этих частотах сопротивление цепочки CcRc будет практически постоянно и равно Re, следовательно, постоянна и глубина обратной связи

Рисунок 1.75 - Схема принципиальная низкочастотной коррекции
При понижении частоты возрастающее сопротивление ёмкости Сс увеличивает сопротивление цепочки СсRс и глубина обратной связи уменьшается, что приводит к повышению коэффициента усиления схемы с уменьшением частоты. Изменение ёмкости Сс позволяет получать частотную и переходную характеристики, как без подъёма, так и с подъёмом нужной величины. Следует заметить, что вводимая цепочкой CcRc обратная связь улучшает характеристики и в области верхних частот. коррекцией, для чего в цепочку обратной связи CcRc добавляют дроссель высокочастотной коррекции Lc, показанный на рисунке 1.75.
б) Высокочастотная коррекция.
В широкополосных каскадах, работающих на следующий каскад с биполярным транзистором, очень хорошие результаты дает схема эмиттерной высокочастотной коррекции (рисунок 1.76,а), в которой следующего каскада. Здесь Rэк создает последовательную отрицательную обратную связь по току, уменьшающую усиление каскада во всей полосе частот и улучшает
стабилизирующую его свойства. Присоединяемый параллельно Rэк конденсатор Сэк очень малой ёмкости ослабляет обратную связь лишь на верхних частотах, что увеличивает усиление каскада при повышении частоты, компенсируя его падение от влияния нагружающей каскад ёмкости Со. Изменяя Сэк можно получить частотную характеристику на верхних частотах как без подъёма, так и с подъёмом (рисунок 1.76), а переходную
|
|
|
характеристику в области малых времен без выброса или с выбросом.
Рисунок 1.76- Эмиттерная высокочастотная коррекция
Частотная характеристика без подъёма с наиболее широкой полосой пропускания (наилучшая характеристика) получается при
определённом соотношении постоянных времени цепочки эмиттерной стабилизации СэкRэк и входной цепи транзистора СбэRэкв;
выйграшь в площади усиления при такой характеристики схема дает
около 1,5 раза, т.е. почти столько же, сколько дает параллельная коррекция индуктивности. Критический выброс у схемы эмиттерной
высокочастотной коррекции, как и у схемы параллельной коррекции, близок к 1%.
Отрицательная обратная связь, действующая в каскаде с эмиттерной коррекцией, снижает нелинейные искажения и помехи, уменьшает изменение коэффициента усиления каскада и его характеристик при замене транзисторов, их старении и изменении температуры, повышая надёжность устройства; она также позволяет сильно уменьшить ёмкость конденсаторов Ср и Сэ сл.
Истоковая высокочастотная коррекция, она же эмиттерная высокочастотная коррекция, практически применяется редко, так как лучшие результаты дает применение коррекции индуктивностью.






