Шурупы
Винты
Болты
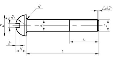
Болт состоит из двух частей: головки и стержня с резьбой В большинстве конструкций болтов на его головке имеется коническая фаска, сглаживающая острые края головки и облегчающая наложение гаечного ключа при свинчивании. На
рис. 5.3 показано выполняемое на учебных чертежах, когда это требует задание, построение дуг гипербол на боковых гранях головки болта, образующихся при сечении конуса вращения (конической фаски) плоскостями (гранями головки), параллельными его оси. Обычно эти дуги заменяют дугами окружностей, определяемыми каждая тремя точками.
С – вершина конуса вращения;
d, D, S, H, lo – размеры, взятые из соответствующих стандартов болта;
l – рассчитывается в зависимости от толщин стягиваемых болтом деталей, затем выбирается из того же стандарта, что и перечисленные выше размеры.
По размерам, взятым из соответствующих стандартов, изображения строят только на рабочих чертежах, по которым их будут изготавливать.
.
Рис. 5.2 Схема условного обозначения болтов, винтов, шпилек и гаек
|
|
|
Головка болта может быть шестигранной (рис. 5.4,а), квадратной (рис. 5.4,б), сферической (рис. 5.4,в), конической (рис. 5.4,г) и т.п.
![]() |

![]() |

![]() |
Рис. 5.3 Болт. Изображение болта на чертеже
Выпускаемые промышленностью болты различают:
• по форме и размерам головки;
• по форме стержня;
• по шагу резьбы;
• по характеру исполнения;
• по точности изготовления
Форма и размеры головки болта зависят от назначения и условий работы. Головки болта могут быть с усом, с подголовком, с усом и подголовком, могут быть нормального и увеличенного размера.
Болты с шестигранными головками изготавливают нормальной, повышенной и грубой точности, отличающиеся классом чистоты поверхности резьбы, цилиндрического стержня и опорной плоскости головки.
Болты с полукруглыми (сферическими) и потайными (коническими) головками изготавливают грубой точности.


Рис. 5.4 Формы головок болтов
а – шестигранная; б – квадратная; в – сферическая с квадратным подголовком;
г – потайная с квадратным подголовком.
Болты выполняют с метрической резьбой с крупным и мелким шагом, причем для каждого диаметра d резьбы предусмотрен стандартом лишь один мелкий шаг. Размеры берутся по: ГОСТ 9150-81, ГОСТ 24705-81, ГОСТ 8724-81, а допуски резьбы берутся по ГОСТ 16093-81.
Для болтов нормальной и повышенной точности изготовления поле допуска принимают 6g и 8g.
Болты с шестигранными головками повышенной, нормальной и грубой точности (классов прочности А, В, С), с нормальной или уменьшенной головкой, с крупным или мелким шагом резьбы выпускаются от одного до нескольких исполнений.
Пример такого болта (ГОСТ 7798-70*) в четырех исполнениях дан на рис. 5.5:
− исполнение 1 – без отверстий в стержне и головке;
− исполнение 2 – с отверстием в стержне под шплинт;
− исполнение 3 – с двумя отверстиями в головке для стопорения проволокой;
− исполнение 4 – с цилиндрическим углублением в головке.
Номинальный диаметр резьбы от 6 до 48 мм, длиной от 8 до 300 мм.
На рис. 5.6 показано стопорение проволокой головки болта третьего исполнения. Эксплуатационное назначение болтов весьма различно.
На рис. 5.7, а изображен рымболт (ГОСТ 4751-73*), ввертываемый в тяжелые детали, например, в электродвигатели для их подъема и спуска на тросах при монтаже.
На рис. 5.7, б представлен откидной болт (ГОСТ 3033-79*), позволяющий быстро зажимать или освобождать детали в различных приспособлениях; такие болты также применяют в тех случаях, когда необходим частый осмотр внутренних механизмов прибора, и для этого требуется отвинчивать винты люков и крышки, через которые происходит осмотр. Кроме откидных болтов, для этой цели можно использовать болты с цилиндрической головкой и двумя лысками (ГОСТ 9048-69*).
На рис. 5.7, в показан болт с полукруглой головкой и квадратным подголовком (ГОСТ 7802-81*) не требует зажима головки при завинчивании гайки.
В таблице 5.1 приведены наименования и номера стандартов болтов (сокращенный вариант).

![]() | |||
![]() | |||
а)

б)

Исполнение 1

в)
Рис 5.7 Разновидности болтов
Таблица 5.1
Болты
| Наименование стандартов | Эскиз | Номера стандартов |
| с шестигранной уменьшенной головкой и направляющим подголовком (нормальной точности) | | ГОСТ 7795-70* |
| c шестигранной головкой (нормальной точности) | | ГОСТ 7798-70* |
| с полукруглой головкой и квадратным подголовком (нормальной точности) | | ГОСТ 7802-81* |
| с потайной головкой и усом (нормальной точности) | | ГОСТ 7785-81* |
| с потайной головкой и квадратным подголовком (нормальной точности) | | ГОСТ 7786-81* |
| болты откидные с круглой головкой | | ГОСТ 3033-79* |
Примеры обозначений:
а) Болт 3 М12 х 1,25 – 6g х 60.109.40Х.016 ГОСТ 7798-70*,
где 3 – исполнение, М – метрическая резьба, 12 – номинальный диаметр, 1,25 – мелкий шаг резьбы, 6g – поле допуска, 60 – длина болта, 109 – класс прочности, 40Х – марка стали, 016 – вид покрытия (цинковое, хроматированное), толщиной 6 мкм.
Класс точности (в данном примере – В) и размеры головки (в данном примере – нормальная) определены ГОСТом 7798-70*.
б) Болт 3 М12 х 1,25 – 6g х 60.109.40Х.016 ГОСТ 7805-70*.
В этой записи болта изменился только ГОСТ, а это означает, что это такой же болт, как в первом примере, но повышенной точности (класса А) и с уменьшенной головкой под ключ.
На деталях с левой резьбой в соответствии с ГОСТом 1759.0-87* наносят на торцовой поверхности болта, винта, гайки и на торце стяжного (гаечного) конца шпильки знак левой резьбы в виде стрелки, показывающей направление ввинчивания болта, винта, шпильки и навинчивания гайки (рис. 85). Стрелка может быть заменена надрезами на ребрах шестигранника болтов и гаек (ГОСТ 2904-75). Их размеры зависят от диаметра резьбы.
Места нанесения клейма изготовителя и знаки прочности на головках болтов и гаек показаны на рис. 5.8. У шпильки эти знаки наносят на торце стяжного конца.
|
|





|
|
|
|
|
|
Винты ввинчиваются в отверстия с резьбой (в гнездо) одной из соединяемых деталей. Винты подразделяют на крепежные и установочные (нажимные, регулирующие и др.).
Наибольшее применение в технике получили винты крепежные с цилиндрической головкой, используемые в соединениях всех видов: с шайбой или без нее, с утопленными или неутопленными головками (ГОСТ 1491-80), (рис. 5.9).
Размеры винта берутся из соответствующих стандартов, а l рассчитывается в зависимости от толщины притягиваемой винтом детали, а затем выбирают ближайшее значение l из таблиц ГОСТа.
Рис.5.9 Винт с цилиндрической головкой
|



Рис. 5.10 Винты с потайной головкой
У винтов с потайной головкой размер l включает высоту головки винта H. Аналогично l рассчитывают и у винта с полупотайной головкой (ГОСТ 17474-80), изображенного на рис. 5.11. Винты с потайной головкой или полупотайной головкой применяют в тех случаях, когда толщина привертываемой детали позволяет утопить головку винта и когда по конструктивным соображениям необходимо, чтобы головки винта не выступали над поверхностью привертываемой детали. В тех случаях, когда толщина привертываемой детали недостаточна (меньше 0,6d) и утопить головку нельзя, вместо винтов с потайными и полупотайными головками используют винты с полукруглыми головками (ГОСТ 17473-80), показанный на рис. 5.12 в двух исполнениях.

Рис. 5.11 Винт с полупотайной головкой
|
|
|
|

|
Рис. 5.12 Винты с полукруглой головкой
Большое распространение имеют винты с увеличенными цилиндрическими головками. Для увеличения прочности шлица торцовую часть головки таких винтов делают сферическими. Винты этого типа обычно применяют без шайб, и они служат для крепления кронштейнов, стоек, стенок, плат и других деталей, изготовленных из цветных металлов и их сплавов. Большая опорная поверхность головки винта, при частом отвинчивании, предохраняет поверхности привертываемой детали от образования вмятин, царапин и других повреждений.
При эксплуатации механизмов со съемными узлами в виду частого использования винтов возможен срез шлицев. В этих случаях следует применять винты с крестообразными шлицами, у которых среза шлица не происходит.
Винты с цилиндрической головкой и внутренним шестигранным отверстием под ключ, имеют преимущество перед другими винтами – они допускают значительные усилия затяжки, и обрыв головки этого винта при завинчивании почти невозможен. Применяют эти винты как с утопленными, так и с неутопленными головками.
В тех случаях, когда закрепляемая деталь или узел при эксплуатации механизма не подлежит съему, а следовательно, винты завинчивают только один раз, могут быть использованы самонарезающие винты. Эти винты наиболее рационально использовать для деталей из цветных металлов и пластмасс, при этом предварительно предусматривают отверстия под винты, диаметр которых немного меньше наружного диаметра винта.
Для предотвращения потери винтов при их отвинчивании употребляют невыпадающие винты. Такие винты применяют главным образом для крепления крышек приборов. При вывинчивании из корпуса прибора винт, а он остается в крышке, так как последняя отъединяется от корпуса до того, как винт будет полностью вывернут. Типы винтов и стандарты на них приведены в сокращенных вариантах в таблице 5.2 и таблице 5.3
Винты с накатанными головками, а так же винты с барашками применяют в соединениях, где необходимо частое отвинчивание винтов вручную. Винты с накатанной головкой применяют так же, как зажимные, предохраняющие детали от проворачивания, и для ручного регулирования.
Винты используют не только для крепления, но и для других целей: так, например, винты со сферическими головками с утолщенной цилиндрической частью используют в качестве осей вращения деталей.
В приборостроении используют также пластмассовые винты: с потайной, полупотайной, цилиндрической со сферой головками и крестообразными шлицами. Эти винты изготавливают из полиамидной смолы, полиамидов с наполнителями и поликарбоната. Диаметр винтов от 2,5 до 6 мм. Испытания винтов из пластмассы на механическую прочность (разрыв, срез винтов, резьбы) показали, что во многих случаях они могут заменить металлические винты. Винты из рассмотренных материалов изготовлены в литьевых машинах в съемных шприцформах. Для увеличения прочности винты подвергают термической обработке.
У винтов с потайной и полупотайной головкой размер длины L (рис.5.10, 5.11) включает размер высоты головки.
Примеры обозначений:
Винт В2.М8×1–8×50.48.016. ГОСТ 17475-80, где В – класс точности, 2 – хроматированное исполнение, М – метрическая резьба, 8 – номинальный диаметр, 1 – мелкий шаг, 8g – поле допуска, 50 – длина винта L, класс прочности 4.8, 016 – вид покрытия (цинковое, хроматированное), толщиной 6 мкм.
Винт А.М8–6g×50.48 ГОСТ 1491-80, где А – класс точности, 1 исполнение (не указывают), М – метрическая резьба с крупным шагом (не указывают шаг), 6g – поле допуска, 50 – длина L, 4.8 – класс прочности, без покрытия.
Винт A.M10–6g×25.45H.05 ГОСТ 1488-84, где А – класс точности, М10 – метрическая резьба с номинальным диаметром 10, 6g – поле допуска, 25 – длина L, 45Н – класс прочности, 05 – покрытие.
Таблица 5.2
Винты
| Наименование стандартов. | Эскиз. | Номера стандартов. |
| с потайной головкой | ![]() | ГОСТ 17475-80* |
| с полупотайной головкой | ![]() | ГОСТ 17474-80* |
| с полукруглой головкой | ![]() | ГОСТ 17473-80* |
| с цилиндрической головкой | | ГОСТ 1491-80* |
| с квадратной головкой и буртиком | | ГОСТ 1488-84* |
| с цилиндрической головкой и шестигранным углублением под ключ | | ГОСТ 11738-84* |
| с накатанной головкой невыпадающие | | ГОСТ 10344-80* |
| с накатанной высокой головкой | | ГОСТ 10491-81* |
| с накатанной низкой головкой | | ГОСТ 10492-81* |
| с полупотайной головкой и крестообразным шлицем самонарезающие | | ГОСТ 11651-75* |
Таблица 5.3
Установочные винты
| Наименование стандартов | Эскиз | Номера стандартов |
| установочные шестигранной головкой и цилиндрическим концом | | ГОСТ 1481-84* |
| установочные с шестигранной головкой и ступенчатым концом | | ГОСТ 1483-84* |
| установочные с коническим концом | | ГОСТ 1476-93 |
| установочные с коническим концом и шестигранным углублением под ключ | | ГОСТ 8878-93 |
| установочные с плоским концом | | ГОСТ 1477-93 |
| установочные с цилиндрической головкой и цилиндрическим концом | | ГОСТ 10975-83 |
| установочные с цилиндрическим концом | | ГОСТ 1478-93 |
| установочные с цилиндрическим концом и шестигранным углублением под ключ | | ГОСТ 11075-93 |
| установочные с фиксирующим коническим концом | | ГОСТ 11073-93 |
| нажимные с шестигранной головкой | | ГОСТ 9050-69* |
| нажимные с шестигранным углублением под ключ | | ГОСТ 9051-68* |
| ступенчатые | | ГОСТ 9052-69* |
Шурупы – это винты для скрепления деревянных и пластмассовых деталей, а также металлических с ними. Шурупы имеют полукруглую, потайную или полупотайную головку и треугольную резьбу с конусным заострением на конце стержня. Потайная головка имеет вид усеченного конуса, а полупотайная – вид конуса с шаровым сегментом на его большом основании. Шурупы (винты для дерева) с шестигранной или квадратной головками называют «глухарями» (рис.5.13).

Рис.5.13 Шуруп с квадратной головкой (глухарь)
В таблице 5.4 приведены выборочные номера стандартов на шурупы.
Таблица 5.4
Шурупы
| Наименование стандартов | Эскиз | Номера стандартов |
| С полупотайной головкой | | ГОСТ 1146-80* |
| С шестигранной головкой | | ГОСТ 11473-75 |
| С потайной головкой | | ГОСТ 1145-80* |
Шурупы изготавливают из углеродистых сталей (в обозначении не указывают); из коррозионных сталей (обозначают цифрой 2); из латуни (обозначают цифрой 3). Примеры обозначений:
Шуруп 1-3×20 ГОСТ 1146-80, где 1 – исполнение, 3 – диаметр, 20 – длина шурупа, изготовленного из углеродистой стали, без покрытия.
Шуруп 4-3×20.2.016 ГОСТ 1146-80, где 4 – исполнение, 3 – диаметр, 20 – длина шурупа, 2 – шуруп изготовлен из коррозионной стали, 016 – вид покрытия (цинковое, хроматированное), толщиной 6 мкм.
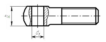
Шпилька от болта отличается тем, что у нее отсутствует головка и на обоих концах имеется резьба треугольного профиля, однозаходная, чаще – правая. Одним концом шпилька ввертывается в отверстие детали (этот конец шпильки называют посадочным), а на другой конец навертывается гайка (этот конец шпильки называют стяжным). Шпильки служат для соединения деталей в таких местах, где головки болтов по конструктивным соображениям нежелательны.
Соединение деталей шпилькой применяют вместо болтового соединения в случаях: а) недостатка места у деталей для размещения головки болта; б) большой разницы в толщине соединяемых деталей (когда одна из деталей имеет значительную толщину, и применять в этом случае слишком длинный болт неэкономично).
Шпильки выпускают по ГОСТ 22032-76*… ГОСТ 22043-76* классов точности А и В с диаметром резьбы 2…48 мм и длиной 10…300 мм (рис. 5.14), где L – длина шпильки, указываемая в обозначении, L0 – длина гаечного конца (без сбега), L1 – длина резьбы, включая бег ввинчиваемого посадочного конца шпильки. При этом L1 = d для ввинчивания в резьбовые отверстия в деталях из стали, бронзы, латуни и титановых сплавов; L1 = 1,25×d и 1,6×d – в деталях из ковкого и серого чугуна; L1=2×d и 2,5×d – в деталях из легкого сплава.
Все стандарты на шпильки содержат только по одному исполнению. Допускается изготавливать шпильки с d1 приблизительно равным среднему диаметру резьбы d2 (рис.5.14 б). В обозначении этих шпилек после слова «шпилька» ставят цифру 2.
При применении калиброванного проката поверхность гладкой части стержня d 1 не обрабатывают. Размеры фасок берут по ГОСТ 10549-80*.
Примеры обозначений Шпилька М16-6g×120.58 ГОСТ 22032-76, где М – метрическая резьба, 16 – номинальный диаметр резьбы с крупным шагом, 6g – поле допуска, 120 – длина шпильки L, 5,8 – выполнена из стали классом прочности 5,8, без покрытия.
Шпилька 2М16×1,5-8g×120.109.40Х.016 ГОСТ 22032-76, где 2 – изготовление шпильки с d1 ≈ d2, M – метрическая резьба, 16 – номинальный диаметр резьбы, 1,5 – мелкий шаг резьбы, 8g – поле допуска, 120 – длина шпильки, 109 – класс прочности, 40Х – марка стали, 016 – вид покрытия (цинковое, хроматированное), толщины 6 мкм.

|
|
Рис. 5.14 Шпилька и ее изображение на чертеже: а) стандартное исполнение шпильки; б) допустимое исполнение шпильки.







