ЛЕКЦИЯ 27
Процесс адсорбции это извлечение из газа водяных паров и конденсата твердыми поглотителями (адсорбентами), имеющими исключительно большую поверхность пор. В качестве адсорбентов применяются силикагель, алюмогель, бокситы, цеолиты, активированный уголь. Их изготавливают в виде гранул для уменьшения гидравлического сопротивления в слое, через который пропускают осушаемый газ. Молекулярные сита (цеолиты) представляют собой сложные неорганические полимеры кристаллического строения. Они обладают наиболее высокими поглощающими способностями по сравнению с другими адсорбентами. Регенерация адсорбентов осуществляется горячим газом или воздухом.
Осушка газа твердыми сорбентами имеет следующие преимущества:
· возможность получения точки росы до минус 500 С;
· незначительное влияние давления и температуры на процесс извлечения;
· относительная простота оборудования и малые эксплуатационные расходы.
К недостаткамможно отнести большие, чем в абсорбционном процессе перепады давления, относительно высокие затраты тепла и истирание адсорбента.
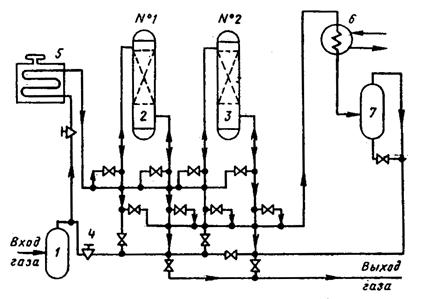
|
| Рис.4. Принципиальная схема адсорбционной установки для осушки и выделения конденсата из газа. 1 и 7 – сепараторы; 2 и 3 – адсорберы; 4 – регулируемый штуцер; 5 – печь; 6 –холодильник. |
Сырой газ высокого давления поступает в сепаратор 1, где очищается от капельной жидкости и механических примесей и направляется в адсорбер 2 для осушки и отбензинивания. В это время адсорбер 3 находится в цикле регенерации и охлаждения. Осушенный газ из адсорбера 2 поступает в магистральный газопровод. Газ для регенерации адсорбента отбирается после сепаратора 1 до регулируемого штуцера 4 и направляется в печь5, где его температура повышается до 200 - 300 0С. Такая схема позволяет поддерживать достаточное давление регенерирующего газа для прохождения через печь, адсорбер, холодильник 6 и сепаратор 7, после чего этот газ возвращается в общий поток через штуцер 4. Конденсат, выделившийся в холодильнике 6 за счет охлаждения, поступает в сепаратор 7. В практике чаще всего устанавливают восьмичасовой цикл. Переключение адсорберов проводят согласно графика.
Применяют также установки с укороченным циклом (короткоцикловые), обычно они бывают трехадсорберными. Длительность циклов таких установок доводится иногда 20 –30 мин вместо 8 –12 часов для обычных установок. Преимущество таких установок заключается в получении большего количества стабильного конденсата, без поглощения адсорбентом легких углеводородов. Однако при сокращении времени цикла не удается полностью восстановить адсорбент, что приводит к уменьшению его активности в последующих циклах работы установки.
Потребное количество адсорбента определяют в зависимости от расхода газа и количества влаги в нем по формуле
G = QWt / 2,4 . 107 a, (3)
где Q - расход газа, м3/ сут; W - содержание влаги в газе, г/ м3; t - продолжительность цикла поглощения, час; a - рабочая активность адсорбента, %.






