РАСЧЕТ ВХОДНОГО КАСКАДА.
РАСЧЕТ ПРОМЕЖУТОЧНЫХ КАСКАДОВ.
РАСЧЕТ ВЫХОДНОГО КАСКАДА.
ИЗБИРАТЕЛЬНЫЕ УСИЛИТЕЛИ.
ЛЕКЦИЯ 5. Резистивные и резонансные усилители.
ЛІТЕРАТУРА
1. Корчемний М. та ін. Енергозбереження в агропромисловому комплексі. -Тернопіль: Підручники і посібники, 2001.- 984 с.
2. Твайделл Дж., Уэйр А. Возобновляемые источники энергии / Пер. с англ.-М.: Энергоатомиздат, 1990.- 392 с.
3. Мхитарян Н.М. Энергетика нетрадиционных и возобновляемых источников. Опыт и перспективы: [Монография] / Н.М. Мхитарян. - К.: Наукова думка, 1999.-317 с.
4. Мхитарян Н.М. Гелиоэнергетика: системы, технологии, применение: [Монография] / Н.М. Мхитарян. - К.: Наукова думка, 2002.-315 с.
5. Дэвинс Д. Энергия / Пер. с англ.- М.: Энергоатомиздат, 1985.- 360 с.
6. Харченко Н.В. Индивидуальные солнечные установки. -М.: Энергоатомиздат, 1991.-208 с.
7. Левенберг В.Д. и др. Аккумулирование тепла. - К.: Техника, 1991.- 112 с.
8. Біопаливо/М.О.Корчемний та ін.-К.: 2004.
|
|
|
9. Справочник инженера-электрика сельскохозяйственного производства/ Учебное пособие.- М.: Информагротех, 1999.- 536 с.
10.Про альтернативні джерела енергії: Закон України//ВВР.-2003.-№3.-Ст.155. 11. ДСТУ 3682-98 (ГОСТ 30583-98) Енергозбереження. Методика визначення повної енергоємності продукції, робіт та послуг. К.-11с.
12.Методика визначення повної енергоємності продукції сільськогосподарського виробництва/ В.Я. Жарков та ін.-Мелітополь: ТДАТА, 2003.- 36.
13.Жарков В.Я. Енергозбереження і енергоменеджмент в АПК: Конспект лекцій. - Мелітополь: ТДАТА.- 2004.
14.Жарков В.Я. Економія електроенергії в побуті: Методичний посібник. - Мелітополь: ТДАТА.-2004.-63 с.
15.Нетрадиционные источники энергии: Указатель литературы.-449 назв./Сост. В.И. Мартынов, ред. В.Я. Жарков. -Вьш. 1, 2001.-35с.
16.Нетрадиционньїе источники энергии: Указатель литературы.-653 назв./Сост. В.И. Мартынов, ред. В.Я. Жарков.-Вьш.2, 2004.- 38с.
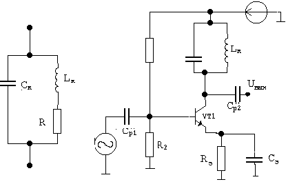
Избирательные усилители – это усилители предназначенные для усиления сигналов в относительно узком диапазоне частот.
Основные параметры:
К0 – коэффициент усиления в рабочем диапазонее частот.
w0 – средняя частота рабочего диапазона.
Dw0,7 – полоса пропускания рабочего диапазона частот
Избирательность оценивается крутизной склонов АЧХ, чем круче АЧХ, тем выше избирательность. Она оценивается коэффициентом прямоугольности АЧХ:


Избирательные усилители бывают:
- с частотно-зависимой нагрузкой;
- - с частотно-зависимой обратной связью
Резонансные усилители:
Резонансные усилители – это избирательные усилители с частотно-зависимой нагрузкой, когда в качестве нее используется колебательный контур.
|
|
|
![]() |
Rк.экв – эквивалентное сопротивление коллекторной цепи


R<<wpLk 

- обобщенная расстройка

- добротность 

Для того чтобы RН не влияло на Q, используют частичное включение контура.







