Разрешается использовать только для клееных элементов, где не допускаются трещены.
Смятие поперек волокон.
Смятие вдоль волокон и сжатие вдоль волокон (44 МПа – сосна, ель) практически не отличаются.

Упругая работа (упругое последствие наблюдается).
Дерево отдыхает 10-15 суток и возвращает деформации назад.
- разрушение ранней древесины.
- разрушение поздней древесины (необратимые деформации).
Три вида смятия.
1. По всей поверхности


2. На части длины по всей ширине.


Адоп- ненагруженная площадь, включается в работу за счет эффекта (упругого основания) натянутых струн.
s2>s1

Смятие – это напряженное состояние на поверхности элемента.
3. На части длины и ширины.

s3=1,05-1,1s2

Характер разрушений: вязкий.


Скалывание:
1. Перерезывание волокон. В узлах древесина практически никогда не разрушается от перерезывания волокон.
2. Вдоль волокон.
3. Поперек волокон.

Скалывание вдоль волокон
1. Односторонее.


2. Двусторонее.


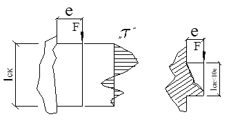
lск – длина площадки скалывания.
еск – эксцентриситет сил.
Для 1-ого случая tmax сильно отличается от 
|
|
|
Виды скалывания учитывает коэфициент b:

Влияние длины площадки скалывания
Очень малая


Для того, чтобы площадка работала или разрушалась от скалывания.
очень длинная площадка скалывания (
);


Расчетную длину принимаем по косослою II сорта.
Характер разрушений везде хрупкий.

Скалывание и смятие под углом волокон.

Особенности расчета ДК по методу предельных состояний
1. Разрушение.
2. Ограничение деформаций.
Структура расчетного сопротивления

- среднеквадратичная ошибка.
; 
к – опред. вероятность Rн, если к = 0,64, то rн = 0,95,когда образцов больше 30.
Если к = t2 – квантиль распределения Стьюдента, зависит от количества образцов и заданной вероятности
вместо коэффициента к

- коэффициент вариаций.
Пример:
Растяжение вдоль волокон


В бетоне rн – называют браковочным минимумом.
т. 3 – образцы п. 3.2 т. 4
R = O ´ O ´ O
В п 3.2 может быть всего 9 коэффициентов.

1-й коэффициент учитывает реальные условия эксплуатации:
А – отапливаемое здание (условия А1,А2,А3);
Б – неотапливаемые здания (Б1,Б2,Б3);
В – склады;
Г – соприкасаются с водой.
Условия 1,2,3 – учитывают увеличения влажности для различных условий, и несущая способность снижается, m = 1¸0,75.
Остальные коэффициенты (всего 9 коэффициентов) учитывают снижение или повышение несущей способности в зависимости от:
- толщины досок (mсл=1, при tg = 33 мм);
- высоты элементов (h £ 50 см, mб = 1,0 и h = 120 см, mб = 0,8);
- температуры mt;
- пропитки антипиренами;
- длительности действия нагрузки;
- гнутья;
и. т. д.
Таблица 4. Уитывает переход от сосны, ели с плотностью 500 кг/м3 к другим породам






