
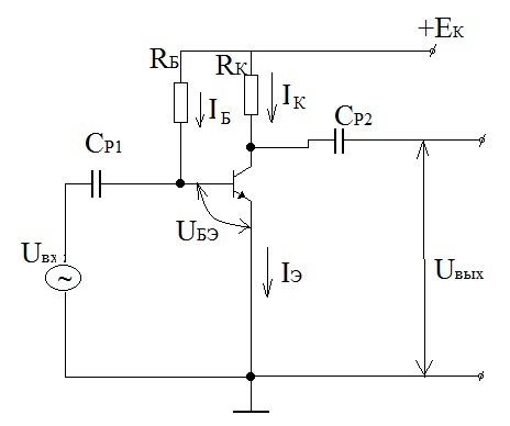
Процесс усиления может быть получен в простейшей схеме резистивного усилителя:

Взаимосвязь электрических величин в усилителе может быть отражена:

Следует обратить внимание на то, что входное и выходное напряжения сдвинуты на 180˚, т.е. находятся в противофазе. Для получения наименьших искажений выходного сигнала рабочую точку Р следует располагать в середине отрезка АВ нагрузочной прямой, построенной в семействе выходных ВАХ транзистора.
Из схемы усилителя видно, что положение рабочей точки Р соответствует току смещения в цепи базы IБр. Для обеспечения этого режима необходимо задать требуемую величину тока смещения от источника Ек с помощью резистора RБ.

Учитывая, что Ек>>UБэр, а также, что
, получим:

Следовательно,
; где
и
– постоянные составляющие тока базы и коллектора в выбранных рабочих точках Р’ и Р, соответственно. Такая схема смещения получила название схемы с фиксированным базовым током.
Однако такая схема обладает низкой стабильностью при изменении температуры транзистора и изменениях тока эмиттера и коллектора.
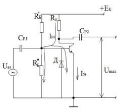
Более эффективной является схема с фиксированным напряжением смещения на базе.

RБ’ и RБ’’ – делитель напряжения.


Ток делителя Iд обычно выбирается в пределах:
- это повышает стабильность Р’ при изменениях Iб. Из схемы видно, что Rб’ Rб’’ включены параллельно (Rисточника питания мало).
А поэтому необходимо выполнение условия:

Для обеспечения стабильной работы усилителя в широком диапазоне температур необходимо принимать меры по стабилизации положения рабочей точки на ВАХ транзистора. Для этого могут быть предложены различные способы термостабилизации режима работы транзисторных каскадов:

Компенсация терморезистором Rt с Стабилизация диодом
температурным коэффициентом [Iобрд(t)≈Iкот(t)]
сопротивления
При компенсации Rt: с повышением температуры уменьшается
и должен увеличиваться IБт, т.к.:
, но с повышением температуры уменьшается Rt, что увеличивает шунтирующее действие Rt перехода база-эмиттер, тогда, при Ек>>Uбэт, имеем:

Для обеспечения стабильности Iбт необходимо выполнение условия

при изменении
.
При термокомпенсации диодом, необходимо обеспечить идентичность температурных зависимостей обратного тока диода и обратного тока коллектора транзистора Т.
Полная компенсация будет обеспечиваться при выполнении условия:
∆Iк0т = ∆Iобр.д, где
– изменение обратного тока коллектора Т;
∆Iобр.д – изменение обратного тока Д.
Эффективность стабилизации рассмотренных схем недостаточно высока, особенно в случаях, когда происходит изменение коэффициента усиления транзисторов, например, за счет температуры или при смене транзисторов.
В этом случае целесообразно применять более эффективные схемы стабилизации режимов работы по постоянному току транзисторных каскадов.
Наибольшее распространение получили схемы коллекторной и эмиттерной стабилизации.






