Такая схема получила наибольшее распространение на практике.

но
значит
но
тогда

Пусть по какой-либо причине (например, увеличение температуры или смена транзистора Т) возрос β, тогда начнет увеличиваться Iк, а значит и Iэ. Это приведет к увеличению URэ, но уменьшит UБЭ, т.к. Uбэ=const-URэ, что приведет к уменьшению IБ, вследствие чего ограничится рост Iк.
Схематически эмиттерную стабилизацию можно представить:

При этом ∆Iк↑≈∆Iк↓, что обеспечивает высокую стабильность Iк.
Рассмотренные схемы стабилизации усилительных каскадов на транзисторах, включенных по схеме с ОЭ, широко применяется при построении усилителей переменного напряжения, и в частности в УНЧ.
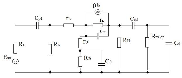
Полная эквивалентная схема УНЧ с емкостной межкаскадной связью на основе биполярного транзистора, включенного по схеме с ОЭ.


Свх.сл. – входная емкость следующего каскада.
См – суммарная монтажная емкость схемы.
Из эквивалентной схемы видно, что существенное влияние на АЧХ усилителя оказывают емкости Ср1, Сэ, Ск, Ср2, С0, поэтому важно знать о критериях выбора этих емкостей.
В области нижних граничных частот fн полосы пропускания усилителя необходимо выполнение условий:

Эти условия выполняются на практике при следующих соотношениях:

Откуда получаем:

В области средних частот полосы пропускания влиянием всех емкостей на АЧХ можно пренебречь.
В области верхних граничных частот fв полосы пропускания усилителя необходимо выполнение условий:

Откуда получаем:

Определяет выбор транзистора по критерию Ск.
АЧХ усилителя с емкостными межкаскадными связями.







