Сумматор на ОУ.
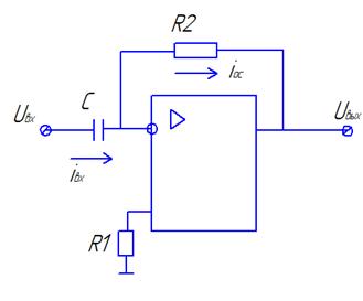
Дифференциатор на ОУ.
Интегратор на ОУ.
Повторитель напряжения на ОУ.
Неинвертирующее включение.










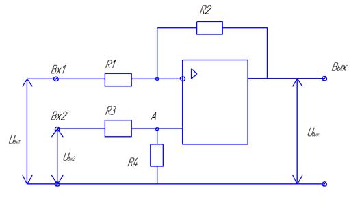
Взаимное влияние входных сигналов Uвх1, Uвх2, …, Uвхn исключено, т.к. инвертирующий вход имеет практически нулевой потенциал.
Если


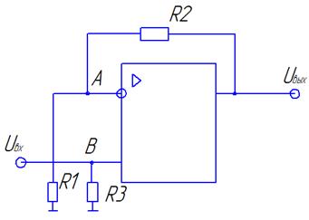
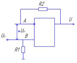
При одновременной подаче напряжений на оба входа получается вычитающий усилитель. Так как он является линейным элементом, при определении его параметров возможно применение принципа суперпозиции (наложения):

При выполнении условия
, которое после преобразования примет вид:
, усилитель становится дифференциальным и усиливает только разность напряжений на входах:







