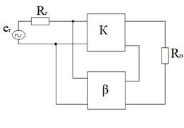
Если рассмотреть в усилителе все комбинации способов получения сигналов обратной связи и введения этих сигналов во входную цепь усилителя, то можно получить 4-е основных вида обратных связей:
1) параллельная по напряжению (или параллельно-параллельная);

2) последовательная по напряжению (или последовательно-параллельная);

3) последовательная по току (или последовательно-последовательная);

4) параллельная по току (или параллельно-последовательная).

Общие закономерности изменения параметров усилителей, охваченных ООС.
1) ООС по U, вне зависимости параллельная она или последовательная, уменьшает выходное сопротивление усилителя:

2) ООС по I, вне зависимости параллельная она или последовательная, увеличивает выходное сопротивление усилителя:

3) Параллельная ООС, вне зависимости от типа ООС по выходу, уменьшает входное сопротивление усилителя:

4) Последовательная ООС, вне зависимости от типа ООС по выходу, увеличивает входное сопротивление усилителя:

5) ООС расширяет полосу усиливаемых частот и обеспечивает более равномерную АЧХ:

6) ООС уменьшает коэффициент нелинейных искажений:







