Режим обогрева
В режиме обогрева работает только первая ступень компрессорного агрегата КМ1.
После сжатия теплый воздух с температурой +50
+80
сразу подается в систему кондиционирования вагона, минуя все теплообменные аппараты.
Количество подаваемого воздуха регулируется воздушным клапаном ВК1.
В общем судовые системы кондиционирования аналогичны системам кондиционирования воздуха промышленных предприятий.
Однако, имеются некоторые отличительные особенности:
1.Половина теплопоступлений в каюты осуществляются за счет солнечной радиации. Поэтому используются 2 отдельных системы кондиционирования для правого и левого бортов.
2.В каюты поступают min влагопоступления через ограждающие конструкции, так как материалом ограждения является металл.
Для кораблей, плавающих в южных широтах, применяется только летняя СКВ.
Для кораблей, плавающих в северных широтах, применяется только зимняя СКВ.
Если корабли плавают в северных и южных широтах, то применяются круглогодичные СКВ.
Центральные кондиционеры располагаются компактно на малоценных площадях, как правило, на шлюпочных палубах.
На судах могут быть использованы одноканальные или двухканальные СКВ.
В одноканальных системах воздух в каюты подается по одному общему воздуховоду.
Регулирование температуры в каютах производится количественным методом, уменьшая или увеличивая расход воздуха, проходящего через воздухораспределительное устройство.
Недостатком такого способа является возможность снижения количества воздуха ниже санитарных норм.
Имеются СКВ с фанкойлами (или доводчиками). Однако, в этом случае в каждый фанкойл необходимо подавать тепло- или хладоноситель.
Чаще всего используется двухтрубная система кондиционирования.

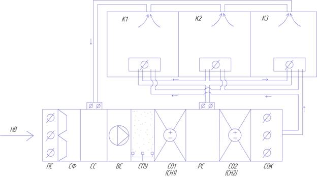
Центральный кондиционер представляет собой компактный агрегатный блок.
Для экономии массогабаритных показателей теплообменные аппараты выполняют роль как воздухоохладителя, так и воздухонагревателя.
СКВ работает с частичной рециркуляцией воздуха.
В летний период % рециркуляционного воздух 30-40%. В зимний период 60-70%.
Наружный воздух после очистки в секции фильтров смешивается с внутренним воздухом из помещения в секции смешения СС. После смешивания воздух проходит первый воздухонагреватель или первый воздухоохладитель.
В летний период по теплообменному аппарату протекает холодная вода с температурой +2…+4
. При этом воздух охлаждается до температуры +18
.
В зимний период по теплообменному аппарату протекает горячая вода. Воздух нагревается также до температуры +18
.
В зимний период после смешивания воздух увлажняется в секции парового увлажнения.
После первого теплообменного аппарата воздух разделяется на 2 потока в воздухоразделительной секции РС. Одна часть с температурой +18
подается в воздухораспределительные устройства каждой каюты. Вторая часть воздуха поступает во второй теплообменный аппарат.
В летний период воздух доохлаждается до температуры +10…+12
. В зимний период воздух донагревается до температуры +25…+30
.
Охлажденный летом или нагретый зимой воздух по второму каналу также подается в воздухораспределительные устройства каждой каюты.
В воздухораспределительном устройстве воздух смешивается и подается в каюты.
Специальным устройством можно регулировать количество воздуха из первого и второго каналов для получения оптимальной температуры. При этом общее количество воздуха всегда остается постоянным.