К большинству систем связи предъявляется требование обеспечения одновременной и независимой передачи сигналов в двух направлениях – требование двусторонней связи. Для организации двусторонней связи используются два канала однонаправленного действия, образующих двунаправленный четырехпроводный канал (рисунок 3.9). Проходящие через однонаправленный канал сигналы усиливаются (SА-Б и SБ-А).

Рисунок 3.9 – Канал двустороннего действия
Двунаправленный двухпроводный канал образуется из четырехпроводного при помощи развязывающих устройств (РУ) [1]. Зажимы 1-1 РУ называют линейными. Прохождение сигналов от линейных зажимов РУ станции А к линейным зажимам РУ станции Б, а также в противоположном направлении показаны на рисунке 3.9 с помощью сплошной и штриховой линий.
Затухание сигналов между линейными зажимами станций А и Б называется остаточным затуханием двухпроводного канала аОСТ = а1-2 – SА-Б(Б-А) + a4-1. Желательно, чтобы а1-2 и a4-1 были минимальны.
Основная трудность при организации перехода от четырех- к двухпроводному каналу с помощью РУ состоит в появлении петли обратной связи (ОС). Сигнал, попадая в двухпроводный канал, начинает циркулировать по петле ОС, что приводит к искажениям формы сигналов и в пределе – к самовозбуждению канала.
Затухание, которое претерпевает сигнал, проходя от зажимов 4-4 к зажимам 2-2 РУ, называется переходным aПЕР.
Затухание по петле ОС, равное сумме всех затуханий и усилений, aОС = aПЕР1 + aПЕР2 – SА-Б – SБ-Аносит специальное название – запас устойчивости. Если aОС ≤ 0, то канал неустойчив и самовозбуждается.
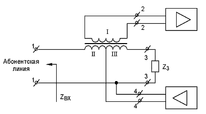
В качестве РУ в современных системах передачи широко используется дифференциальная система (ДС), выполненная на основе симметричного трансформатора со средней точкой (рисунок 3.10) (полуобмотки II и III идентичны). В состав ДС входит сопротивление Z3, называемое балансным. Оно приближенно отражает свойства входного сопротивления абонентской линии [5].

Рисунок 3.10– Схема трансформаторной ДС
К ДС предъявляются требования минимального затухания в рабочих направлениях и максимального переходного затухания. Данные требования выполняются при соблюдении так называемого условия баланса ДС. Условием баланса ДС в направлении 4-4 – 2-2 является равенство входного сопротивления абонентской линии и балансного сопротивления ZВХ=Z3. Условием баланса ДС в направлении 1-1 – 3-3 является равенство входного сопротивления первой полуобмотки дифференциального трансформатора и входного сопротивления направления приема четырехпроводного канала ZВХ.ТР.=Z4.
В случае сбалансированной ДС мощность входных сигналов, подводимых к зажимам 1-1 и зажимам 4-4, передается на соответствующие выходные зажимы 2-2 и 1-1 не полностью, а лишь частично, и входные сигналы испытывают так называемые рабочие затухания ДС а4-1 = а1-2 = 10lg2 = 3дБ. В реальных ДС за счет неидеальности трансформатора рабочие затухания несколько больше.
Переходное затухание а42 реальной ДС также является конечной величиной. Оно зависит, в основном, от точности равенства входного сопротивления абонентской линии и балансного сопротивления. Точно выполнить это равенство на практике не представляется возможным, поскольку к одной и той же ДС могут подключаться абонентские линии с существенно различающимися характеристиками при неизменной величине балансного сопротивления. Величина переходного затухания а42 трансформаторных ДС может быть определена по формуле:
, (3.3)
где
– балансное затухание трансформаторной ДС.






