Запираемые тиристоры
Запираемые тиристоры, в отличие от тринисторов, которые были рассмотрены ранее, – это полностью управляемые компоненты, и под воздействием тока управляющего электрода они могут переходить из закрытого состояния в открытое состояние, и наоборот. Чтобы выключить запираемый тиристор, нужно пропустить через управляющий электрод ток противоположной полярности, чем полярность, вызывавшая отпирание компонента. Для закрывания изначально открытого запираемого тиристора необходимо уменьшить сумму коэффициентов передачи эмиттерных токов ниже единицы и обеднить базы носителями зарядов, для чего управляющий электрод должен быть распределён по полупроводниковому кристаллу. Для этого управляющий электрод запираемого тиристора, как и катод, выполняют из множества однотипных ячеек, распределённых определённым образом по площади кристалла. Важным параметром рассматриваемых тиристоров выступает коэффициент запирания, который равен отношению тока анода к необходимому для выключения компонента обратному току управляющего электрода.
|
|
|
Запираемые тиристоры обычно используют в преобразовательной технике в качестве электронных ключей.
Симисторы, в отличие от обычных тиристоров, проводят ток анод-катод при протекании тока по управляющему электроду, как в прямом направлении, так и в обратном. В результате этого их вольтамперная характеристика симметрична, что отражено на рисунке 36.

Рисунок 36 – Вольт – амперная характеристика симистора
Таким образом, на вольтамперной характеристике каждого симистора присутствуют два участка отрицательного дифференциального сопротивления.
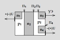
Структура симистора содержит пять слоёв, что отражено на рисунке 37.

Рисунок 37 – Структура симистора
Симисторы нашли широкое применение в устройствах регулирования скорости вращения электродвигателей, в системах освещения, в электронагревателях, в преобразовательных установках.






