Рисунок 2.5 Схема гироскопического измерителя угловой скорости.
Рисунок 1.17 Лицевая часть вариометра ВАР-30-3
Рисунок 1.10 Лицевая часть КУС – 730/1100
Рисунок 1.7 Электромеханические высотомеры ВЭМ -72 ПБ и ВЭМ-72 ФГ
Рисунок 1.6 Лицевая часть высотомера УВИД-30-15К
УВИД-30-15К
Рисунок 1.3 Лицевая часть высотомера ВД-10

Рисунок 1.4 Механические высотомеры ВМ-15 К и ВМФ-50 КГ (футомер)

Рисунок 1.5 Кинематическая схема электромеханического высотомера



Рисунок 1.8 Лицевая часть и принципиальная схема указателя скорости УС-450

Рисунок 1. 9 Кинематическая схема комбинированного указателя скорости:


Рисунок 1.11 Кинематическая схема указателя числа М

Рисунок 1.12 Принципиальная схема вариометра



Рис. 4.10. ИНДИКАЦИЯ В ФУТОВОМ Рис. 4.11. ИНДИКАЦИЯ МЕТРОВОМ
РЕЖИМЕ РЕЖИМЕ
(при Нэ > 500 футов) (при Нэ < 60 м)

Рис. 4.12. ИНДИКАЦИЯ ПРИ Но™ < 1000 м





Рисунок 2 Формирование объемных участкок воздушного пространства
вокруг своего самолета, именуемые "зоной предупреждения"
(Warning Area) и "зоной повышенного внимания" (Caution Area)
| Н (высота, футы) | Т (время до СРА, секунды) |
| 1000 – 2350 | |
| 2350 – 5000 | |
| 5000 – 10000 | |
| 10000 – 20000 | |
| 20000 – 42000 | |
| 42000 и выше |
| Виды речевого сообщения | Действия экипажа | |
| Английский текст | Русский перевод | |
| TRAFFIC, TRAFFIC | ДВИЖЕНИЕ, ДВИЖЕНИЕ | Обнаружен нарушитель. Визуально сопровождайте его для обеспечения безопасности полета. |
| CLIMB, CLIMB или DESCEND, DESCEND | НАБОР, НАБОР или СНИЖЕНИЕ, СНИЖЕНИЕ | Производите набор или снижение с вертикальной скоростью, указанной на индикаторе в виде дуги зеленого цвета. Стрелку указателя вертикальной скорости удерживайте в зеленом секторе. |
| MONITOR VERTICAL SPEED | КОНТРОЛИРУЙТЕ ВЕРТИКАЛЬНУЮ СКОРОСТЬ | Сохраняйте вертикальную скорость и направление. Стрелку указателя вертикальной скорости удерживайте вне дуги красного цвета. |
| MAINTAIN VERTICAL SPEED, MAINTAIN | ВЫДЕРЖИВАЙТЕ ВЕРТИКАЛЬНУЮ СКОРОСТЬ, ВЫДЕРЖИВАЙТЕ | Продолжайте полет с вертикальной скоростью, указанной на индикаторе в виде дуги зеленого цвета. Стрелку указателя вертикальной скорости удерживайте в зеленом секторе. |
| MAINTAIN VERTICAL SPEED CROSSING, MAINTAIN | ВЫДЕРЖИВАЙТЕ ВЕРТИКАЛЬНУЮ СКОРОСТЬ С ПЕРЕСЕЧЕНИЕМ, ВЫДЕРЖИВАЙТЕ | Продолжайте полет с пересечением траектории полета "опасного" ВС с вертикальной скоростью, указанной на индикаторе в виде дуги зеленого цвета. Стрелку указателя вертикальной скорости удерживайте в зеленом секторе. |
| ADJUST VERTICAL SPEED, ADJUST | СКОРРЕКТИРУЙТЕ ВЕРТИКАЛЬНУЮ СКОРОСТЬ, СКОРРЕКТИРУЙТЕ | Уменьшите скорость набора или снижения до значения, указанного на индикаторе в виде дуги зеленого цвета. Стрелку указателя вертикальной скорости удерживайте в зеленом секторе |
| CLIMB CROSSING CLIMB CLIMB CROSSING CLIMB или DESCEND CROSSING DESCEND DESCEND CROSSING DESCEND | НАБОР С ПЕРЕСЕЧЕНИЕМ, НАБОР НАБОР С ПЕРЕСЕЧЕНИЕМ, НАБОР или СНИЖЕНИЕ С ПЕРЕСЕЧЕНИЕМ, СНИЖЕНИЕ СНИЖЕНИЕ С ПЕРЕСЕЧЕНИЕМ, СНИЖЕНИЕ | Набор высоты или снижение с пересечением траектории полета "опасного" ВС. Произведите подъём или снижение с вертикальной скоростью, указанной на индикаторе в виде дуги зеленого цвета. Стрелку указателя вертикальной скорости удерживайте в зеленом секторе |
| Виды речевого сообщения | Действия экипажа | |
| Английский текст | Русский перевод | |
| INCREASE CLIMB INCREASE CLIMB или INCREASE DESCEND INCREASE DESCEND | УВЕЛИЧЬТЕ СКОРОСТЬ НАБОРА, УВЕЛИЧЬТЕ СКОРОСТЬ НАБОРА или УВЕЛИЧЬТЕ СКОРОСТЬ СНИЖЕНИЯ, УВЕЛИЧЬТЕ СКОРОСТЬ СНИЖЕНИЯ | Формируется после команды CLIMB (DESCEND). Увеличьте вертикальную скорость до значения, указанного на индикаторе в виде дуги зеленого цвета, для достижения безопасного вертикального эшелонирования относительно "опасного" ВС. Стрелку указателя вертикальной скорости удерживайте в зеленом секторе |
| CLIMB, CLIMB NOW CLIMB, CLIMB NOW или DESCEND, DESCEND NOW DESCEND, DESCEND NOW | НАБОР, ТЕПЕРЬ НАБОР НАБОР, ТЕПЕРЬ НАБОР или СНИЖЕНИЕ ТЕПЕРЬ СНИЖЕНИЕ СНИЖЕНИЕ ТЕПЕРЬ СНИЖЕНИЕ | Формируется после команды DESCEND (CLIMB). Произведите маневр для достижения безопасного эшелонирования относительно "опасного" ВС с вертикальной скоростью, указанной на индикаторе в виде дуги зеленого цвета. Стрелку указателя вертикальной скорости удерживайте в зеленом секторе |
| CLEAR OF CONFLICT | КОНФЛИКТ УСТРАНЕН | Возвращайтесь на заданную высоту, если от УВД не поступило других указаний. |









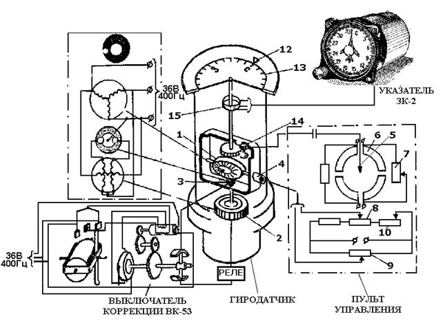
Рисунок 2.4 Электромеханическая схема выключателя коррекции ВК-53 РБ


Рисунок 2.6 Кинематическая схема указателя поворота ЭУП-53.














